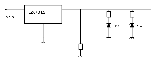
Salve, ho un trasformatore con uscita 12V e vorrei da li estrapolare, oltre i 12V, anche 9V e 5V stabili.
Per avere i 9V e 5V stabili dovrei utilizzare i regolaori di tensione, come citato al seguente link:
http://www.febat.com/Elettronica/Elettronica_regolatori_tensione_fissa.html
Per ottenere i 5V stabili, posso collegare il 7805 all'uscita del 7809 invece che collegarlo ai 12V?
In questo modo la differenza tra tensione in entrata e tensione in uscita dell'integrato sarebbe minore e ciò comporterebbe un minor surriscaldamento, giusto?
Regolatori di tensione
Moderatori:
carloc,
g.schgor,
BrunoValente,
IsidoroKZ
13 messaggi
• Pagina 1 di 2 • 1, 2
0
voti
0
voti
Gammaray ha scritto:In questo modo [...] giusto?
Si, tieni però a mente che se colleghi il 7805 dopo il 7809, il circuito alimentato attraverso il primo (7805) diventa il carico del secondo (7809).
0
voti
Si in questo modo la potenza da dissipare si spartirebbe 3/7 sul 7809 e 4/7 sul 7805 invece che tutta sul secondo.
Se però vuoi usare le uscite da 5V e da 9V in contemporanea, il 7809 dovrebbe dissipare una potenza
dove
è la corrente assorbita da entrambi i carichi.
Se però vuoi usare le uscite da 5V e da 9V in contemporanea, il 7809 dovrebbe dissipare una potenza
dove
è la corrente assorbita da entrambi i carichi.0
voti
Matteo: Dato che la corrente massima che possono erogare gli integrati è di 1 ampere, posso considerare 6 Watt?
W=3*Itot=3*(1+1)=6 Watt
W=3*Itot=3*(1+1)=6 Watt
0
voti
Se vuoi attaccarli in serie come proposto all'inizio e la corrente massima per il 7809 è 1A , allora la massima totale è ancora un 1A, spartiti a piacere tra ramo con il 7805 e il ramo senza.
Ultima modifica di
matteoDL il 28 mag 2012, 1:04, modificato 1 volta in totale.
0
voti
Difficilmente riuscirai a fargli sopportare la
se non ben però ben dissipato.
Invece di usare un package TO-220 meglio un TO-3 che sopportano correnti di carico fino a 1.5A.
La dissipazione di potenza per questi regolatori é
.
se non ben però ben dissipato. Invece di usare un package TO-220 meglio un TO-3 che sopportano correnti di carico fino a 1.5A.
La dissipazione di potenza per questi regolatori é
.0
voti
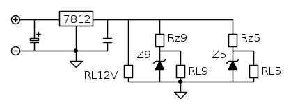
Così dovrebbe essere più chiaro.
13 messaggi
• Pagina 1 di 2 • 1, 2
Chi c’è in linea
Visitano il forum: Nessuno e 237 ospiti

Elettrotecnica e non solo (admin)
Un gatto tra gli elettroni (IsidoroKZ)
Esperienza e simulazioni (g.schgor)
Moleskine di un idraulico (RenzoDF)
Il Blog di ElectroYou (webmaster)
Idee microcontrollate (TardoFreak)
PICcoli grandi PICMicro (Paolino)
Il blog elettrico di carloc (carloc)
DirtEYblooog (dirtydeeds)
Di tutto... un po' (jordan20)
AK47 (lillo)
Esperienze elettroniche (marco438)
Telecomunicazioni musicali (clavicordo)
Automazione ed Elettronica (gustavo)
Direttive per la sicurezza (ErnestoCappelletti)
EYnfo dall'Alaska (mir)
Apriamo il quadro! (attilio)
H7-25 (asdf)
Passione Elettrica (massimob)
Elettroni a spasso (guidob)
Bloguerra (guerra)









