Pic16f877A per cubo led
Moderatore:
Paolino
42 messaggi
• Pagina 2 di 5 • 1, 2, 3, 4, 5
0
voti
Beh, nessuno meglio di te può dire se funziona o meno. Immagino che abbia già costruito il cubo ed abbia un prototipo funzionante su cui provare il firmware, vero?
"La follia sta nel fare sempre la stessa cosa aspettandosi risultati diversi".
"Parla soltanto quando sei sicuro che quello che dirai è più bello del silenzio".
Rispondere è cortesia, ma lasciare l'ultima parola ai cretini è arte.
"Parla soltanto quando sei sicuro che quello che dirai è più bello del silenzio".
Rispondere è cortesia, ma lasciare l'ultima parola ai cretini è arte.
-

TardoFreak
73,9k 8 12 13 - -EY Legend-

- Messaggi: 15754
- Iscritto il: 16 dic 2009, 11:10
- Località: Torino - 3° pianeta del Sistema Solare
0
voti
a scuola ho provato a mettere il programma nel PIC con la scheda della microchip che usiamo per le esercitazioni in linguaggio microC, ma mi si accende solo un led ._., per di piu quel led e collegato a portA che nel programma non lo tengo neanche in considerazione.
Secondo voi e un problema della scheda,PIC o del programma T_T
Secondo voi e un problema della scheda,PIC o del programma T_T
0
voti
ho allegato un veloce schizzo in fidoCAD di come ho fatto il circuito e della piedinatura del PIC
spero che mi direte dove ho sbagliato T_T.
spero che mi direte dove ho sbagliato T_T.
Ultima modifica di
admin il 6 giu 2012, 22:20, modificato 1 volta in totale.
Motivazione: inserite immagini in linea con il testo per evitare sconfinamenti a destra
Motivazione: inserite immagini in linea con il testo per evitare sconfinamenti a destra
1
voti
piccoli ha scritto:ho allegato un veloce schizzo in fidoCAD...
Ma perché, ragazzi, vi ostinate a non usare FIDOCADJ ?!?!? Si integra perfettamente in ElectroYou e permette a tutti noi di modificare i circuiti, se necessario!
Fai uno sforzo anche tu: scaricalo e usalo.
Paolo.
"Houston, Tranquillity Base here. The Eagle has landed." - Neil A.Armstrong
-------------------------------------------------------------
PIC Experience - http://www.picexperience.it
-------------------------------------------------------------
PIC Experience - http://www.picexperience.it
-

Paolino
32,6k 8 12 13 - G.Master EY

- Messaggi: 4226
- Iscritto il: 20 gen 2006, 11:42
- Località: Vigevano (PV)
1
voti
Comunque: ti manca nello schema la rete che impedisce al PIC di andare in reset:
Si tratta di dimenticanza o proprio non l'hai messa?
Ciao.
Paolo.
Si tratta di dimenticanza o proprio non l'hai messa?
Ciao.
Paolo.
"Houston, Tranquillity Base here. The Eagle has landed." - Neil A.Armstrong
-------------------------------------------------------------
PIC Experience - http://www.picexperience.it
-------------------------------------------------------------
PIC Experience - http://www.picexperience.it
-

Paolino
32,6k 8 12 13 - G.Master EY

- Messaggi: 4226
- Iscritto il: 20 gen 2006, 11:42
- Località: Vigevano (PV)
1
voti
Altro orrore: ma come hai fatto lo stadio di alimentazione?!?!?
Deve essere qualcosa del tipo:
I valori dei condensatori li devi scegliere in base ai valori di tensione di ingresso, se è prodotta da trasformatore + ponte raddrizzatore oppure da una batteria e in base all'assorbimento che ha il circuito.
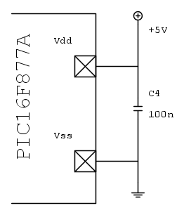
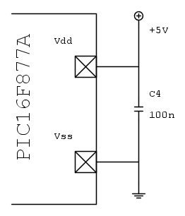
Inoltre, il PIC16F877A vuole, tra Vdd e Vss un bel condensatore da 100nF:
Infine: disegna lo schema con FIDOCADJ e metti i valori dei componenti! Altrimenti stiamo a ragionare sul nulla!
Ciao.
Paolo.
Deve essere qualcosa del tipo:
I valori dei condensatori li devi scegliere in base ai valori di tensione di ingresso, se è prodotta da trasformatore + ponte raddrizzatore oppure da una batteria e in base all'assorbimento che ha il circuito.
Inoltre, il PIC16F877A vuole, tra Vdd e Vss un bel condensatore da 100nF:
Infine: disegna lo schema con FIDOCADJ e metti i valori dei componenti! Altrimenti stiamo a ragionare sul nulla!
Ciao.
Paolo.
"Houston, Tranquillity Base here. The Eagle has landed." - Neil A.Armstrong
-------------------------------------------------------------
PIC Experience - http://www.picexperience.it
-------------------------------------------------------------
PIC Experience - http://www.picexperience.it
-

Paolino
32,6k 8 12 13 - G.Master EY

- Messaggi: 4226
- Iscritto il: 20 gen 2006, 11:42
- Località: Vigevano (PV)
42 messaggi
• Pagina 2 di 5 • 1, 2, 3, 4, 5
Torna a Realizzazioni, interfacciamento e nozioni generali.
Chi c’è in linea
Visitano il forum: Nessuno e 4 ospiti

Elettrotecnica e non solo (admin)
Un gatto tra gli elettroni (IsidoroKZ)
Esperienza e simulazioni (g.schgor)
Moleskine di un idraulico (RenzoDF)
Il Blog di ElectroYou (webmaster)
Idee microcontrollate (TardoFreak)
PICcoli grandi PICMicro (Paolino)
Il blog elettrico di carloc (carloc)
DirtEYblooog (dirtydeeds)
Di tutto... un po' (jordan20)
AK47 (lillo)
Esperienze elettroniche (marco438)
Telecomunicazioni musicali (clavicordo)
Automazione ed Elettronica (gustavo)
Direttive per la sicurezza (ErnestoCappelletti)
EYnfo dall'Alaska (mir)
Apriamo il quadro! (attilio)
H7-25 (asdf)
Passione Elettrica (massimob)
Elettroni a spasso (guidob)
Bloguerra (guerra)




