Ciao a tutti!
Sto progettando un piccolo "fornelletto" composto da un induttore nel quale ho intenzione di inserire un pentolino ferromagnetico in cui scalderò dell'acqua.
In questo induttore deve scorrere una corrente sempre variabile, perciò ho pensato di utilizzare un circuito oscillatore che funzioni ad una tale frequenza (il calcolo lo farò in base all'induttanza) che permetta di magnetizzare l'induttore e smagnetizzarlo subito prima di raggiungere la corrente di regime.
Al circuito oscillatore ho intenzione di collegare un mosfet di potenza per pilotare la corrente dell'induttore ma ho un dubbio, ditemi se sbaglio:
Quando il mosfet conduce (impulso gate=1) l'induttore si magnetizza, ma quando l'impulso di gate torna a 0 non conduce più, quindi l'induttore rimane magnetizzato e non si smagnetizza, quindi quando il mosfet torna in conduzione, la corrente sarà già a regime. Giusto?
In che modo posso impostare il circuito affinche l'induttore riesca a magnetizzarsi e a smagnetizzarsi?
circuito per riscaldamento a induzione magnetica
Moderatori:
carloc,
g.schgor,
BrunoValente,
IsidoroKZ
7 messaggi
• Pagina 1 di 1
4
voti
Devi usare un circuito risonante serie, serve anche un condensatore, e pilotarlo con un generatore di tensione ad onda quadra, quindi servono due MOS. I conti degli accoppiamenti elettrici sono abbastanza complicati, a meno di non voler andare a tentativi.
Per usare proficuamente un simulatore, bisogna sapere molta più elettronica di lui
Plug it in - it works better!
Il 555 sta all'elettronica come Arduino all'informatica! (entrambi loro malgrado)
Se volete risposte rispondete a tutte le mie domande
Plug it in - it works better!
Il 555 sta all'elettronica come Arduino all'informatica! (entrambi loro malgrado)
Se volete risposte rispondete a tutte le mie domande
0
voti
Con circuito risonante intendi LC serie in modo che la reattanza capacitiva del condensatore annulli quella induttiva dell'induttore, giusto? Casomai faccio i miei conti in base alla frequenza.
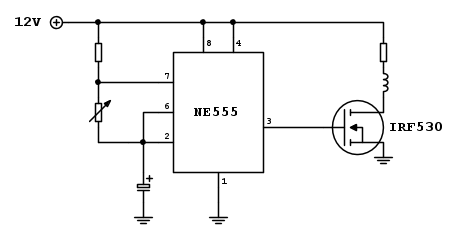
Come generatore ad onda quadra non va bene il 555?
Come imposto i 2 MOS?
Grazie
Come generatore ad onda quadra non va bene il 555?
Come imposto i 2 MOS?
Grazie
4
voti
Non ho esperienza diretta con sistemi di riscaldamento cosi` piccoli, non so che impedenze ci sono in gioco e che tensioni/correnti sono necessarie.
Quello che devi fare sono le seguenti cose:
1) Scegliere il pentolino. Non e` necessario che sia ferromagnetico, basta che sia conduttore
2) In base alla capacita` termica del sistema e al tempo di riscaldamento che vuoi ottenere determinare quanta potenza deve essere erogata sul pentolino.
3) Costruire la bobina, con conduttore rigido di sezione non troppo piccola.
4) Misurare l'impedenza (parte reale e immaginaria) della bobina da sola e della bobina con dentro il pentolino in un intervallo di frequenze che copra la frequenza a cui vuoi andare a lavorare. Per esempio potrebbe essere da 50kHz a 500kHz.
Poi posta i dati delle impedenze e vediamo che cosa si puo` fare.
Ripeto, non e` una cosa semplice perche' mi mancano tutti i dati indicati prima. Se volessi solo fondere 10kg di oro non ci sarebbero problemi :)
Quello che devi fare sono le seguenti cose:
1) Scegliere il pentolino. Non e` necessario che sia ferromagnetico, basta che sia conduttore
2) In base alla capacita` termica del sistema e al tempo di riscaldamento che vuoi ottenere determinare quanta potenza deve essere erogata sul pentolino.
3) Costruire la bobina, con conduttore rigido di sezione non troppo piccola.
4) Misurare l'impedenza (parte reale e immaginaria) della bobina da sola e della bobina con dentro il pentolino in un intervallo di frequenze che copra la frequenza a cui vuoi andare a lavorare. Per esempio potrebbe essere da 50kHz a 500kHz.
Poi posta i dati delle impedenze e vediamo che cosa si puo` fare.
Ripeto, non e` una cosa semplice perche' mi mancano tutti i dati indicati prima. Se volessi solo fondere 10kg di oro non ci sarebbero problemi :)
Per usare proficuamente un simulatore, bisogna sapere molta più elettronica di lui
Plug it in - it works better!
Il 555 sta all'elettronica come Arduino all'informatica! (entrambi loro malgrado)
Se volete risposte rispondete a tutte le mie domande
Plug it in - it works better!
Il 555 sta all'elettronica come Arduino all'informatica! (entrambi loro malgrado)
Se volete risposte rispondete a tutte le mie domande
0
voti
A occhio mi bastano 30W (non voglio fare una cosa molto grande ma è solo per provare).
Per calcolare l'impedenza della bobina è necessario conoscere il valore di frequenza e l'induttanza della stessa (che aumenta se ci aggiungo il pentolino).
Comunque come dovrei impostare i collegamenti dell'oscillatore? Così ci collego il circuito LC in serie e calcolo la frequenza di risonanza.
Per calcolare l'impedenza della bobina è necessario conoscere il valore di frequenza e l'induttanza della stessa (che aumenta se ci aggiungo il pentolino).
Comunque come dovrei impostare i collegamenti dell'oscillatore? Così ci collego il circuito LC in serie e calcolo la frequenza di risonanza.
1
voti
sebasera ha scritto:Per calcolare l'impedenza della bobina
Ho scritto misurare non calcolare. 30W mi sembrano pochi, e quando metti il pentolino l'induttanza puo` anche scendere, dipende dalla permeabilita` e dalla conducibilita` del materiale.
Per usare proficuamente un simulatore, bisogna sapere molta più elettronica di lui
Plug it in - it works better!
Il 555 sta all'elettronica come Arduino all'informatica! (entrambi loro malgrado)
Se volete risposte rispondete a tutte le mie domande
Plug it in - it works better!
Il 555 sta all'elettronica come Arduino all'informatica! (entrambi loro malgrado)
Se volete risposte rispondete a tutte le mie domande
0
voti
Ciao,
sui calcoli di impedenze ecc... personalente non posso dirti molto, ma posso darti alcuni suggerimenti per il tuo circuito:
non so a che frequenza intendi lavorare, ma ti conviene utilizzare un driver MOSFET/IGBT (tipo gli IRF2110 o simili), sia che usi uno o due mosfet. Ad alte frequenze i MOSFET meglio pilotarli in corrente. Se voui puoi farlo semplicemente con due BJT complementari (circuito push-pull) per es. BC337/BC327 o simili. Ovvio che ogni coppia complementare pilota un solo gate.
Per sicurezza utilizza un mosfet con una Vds più alta.
Metticci un bel "filtrazzo"EMI a monte del tuo circuito: questi circuiti sono una fonte di disturbi non indifferente....
sui calcoli di impedenze ecc... personalente non posso dirti molto, ma posso darti alcuni suggerimenti per il tuo circuito:
non so a che frequenza intendi lavorare, ma ti conviene utilizzare un driver MOSFET/IGBT (tipo gli IRF2110 o simili), sia che usi uno o due mosfet. Ad alte frequenze i MOSFET meglio pilotarli in corrente. Se voui puoi farlo semplicemente con due BJT complementari (circuito push-pull) per es. BC337/BC327 o simili. Ovvio che ogni coppia complementare pilota un solo gate.
Per sicurezza utilizza un mosfet con una Vds più alta.
Metticci un bel "filtrazzo"EMI a monte del tuo circuito: questi circuiti sono una fonte di disturbi non indifferente....
7 messaggi
• Pagina 1 di 1
Chi c’è in linea
Visitano il forum: Nessuno e 38 ospiti

Elettrotecnica e non solo (admin)
Un gatto tra gli elettroni (IsidoroKZ)
Esperienza e simulazioni (g.schgor)
Moleskine di un idraulico (RenzoDF)
Il Blog di ElectroYou (webmaster)
Idee microcontrollate (TardoFreak)
PICcoli grandi PICMicro (Paolino)
Il blog elettrico di carloc (carloc)
DirtEYblooog (dirtydeeds)
Di tutto... un po' (jordan20)
AK47 (lillo)
Esperienze elettroniche (marco438)
Telecomunicazioni musicali (clavicordo)
Automazione ed Elettronica (gustavo)
Direttive per la sicurezza (ErnestoCappelletti)
EYnfo dall'Alaska (mir)
Apriamo il quadro! (attilio)
H7-25 (asdf)
Passione Elettrica (massimob)
Elettroni a spasso (guidob)
Bloguerra (guerra)




