Sensore battimani
40 messaggi
• Pagina 3 di 4 • 1, 2, 3, 4
0
voti
Come chiarezza ci siamo, ma a livello di componentistica l'integrato 555 va inserito dove nello schema vi sono le porte NOR collegate? O meglio, nel circuito, l'integrato NE555 dove va inserito e come va collegato? Perdoni l'ignoranza in materia, ma ho iniziato da poco a studiare l'algebra Booleana all'università e non ne ho ancora perfette conoscenze e tantomeno il metodo di applicazione, colgo infatti la realizzazione di tali circuiti dove vengono implementate porte logiche come occasione per migliorare ed approfondire le conoscenze in merito.
0
voti
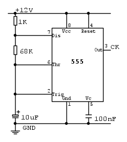
L'oscillatore da 1Hz che fa avanzare lo shift-register,
può essere realizzato con un 555 in questa configurazione:
L'uscita (CK) di questo oscillatore va collegata
all'ingresso CP1 del 4015 (vedi post[20])
può essere realizzato con un 555 in questa configurazione:
L'uscita (CK) di questo oscillatore va collegata
all'ingresso CP1 del 4015 (vedi post[20])
0
voti
Buongiorno. Ci ho messo molto tempo a rispondere, ma ci sono stati diversi motivi.
Comunque sia intendo proseguire nella realizzazione del progetto.
Ho compreso come realizzare il circuito che è stato schematizzato, ma al posto di J1, se non sbaglio, dovrei andare a mettere lo schema presente nel messaggio [6], o meglio, l'uscita di questo schema andrebbe all'ingresso del circuito realizzato con multisim e prima dell'integrato cosa metto? Intendo dire ai pin "D" e "CK".
(In poche parole adesso dovrei realizzare il circuito che rileva i suoni).
Comunque sia intendo proseguire nella realizzazione del progetto.
Ho compreso come realizzare il circuito che è stato schematizzato, ma al posto di J1, se non sbaglio, dovrei andare a mettere lo schema presente nel messaggio [6], o meglio, l'uscita di questo schema andrebbe all'ingresso del circuito realizzato con multisim e prima dell'integrato cosa metto? Intendo dire ai pin "D" e "CK".
(In poche parole adesso dovrei realizzare il circuito che rileva i suoni).
0
voti
Marcohm ha scritto:al posto di J1, se non sbaglio, dovrei andare a mettere lo schema presente nel messaggio [6]
No. Lo schema del post[6] è di principio, mentre quello del post[20]
è già uno schema realizzabile (con utilizzo del 4015)-
Per una prova separata del circuito può essere utilizzato un 555 (post[22]),
altrimenti il segnale d'ingresso è l'amplificatore dei suoni.
0
voti
Ma lei ha detto che J1 simula la sequenza dei suoni.
Il circuito del post [20] è il circuito contatore che, appena si verifica la sequenza, accende la luce, ma per comandare questo circuito, quale altro circuito devo realizzare?
Ovvero, non vi è un altro schema per il circuito rilevatore di suoni che manda il segnale derivante dal microfono al circuito contatore?
Il circuito del post [20] è il circuito contatore che, appena si verifica la sequenza, accende la luce, ma per comandare questo circuito, quale altro circuito devo realizzare?
Ovvero, non vi è un altro schema per il circuito rilevatore di suoni che manda il segnale derivante dal microfono al circuito contatore?
0
voti
Mi pare che ti sia dimenticato dell'inizio di questo discorso!
Al post[2] indicavo uno schema per trasformare il suono in
segnali elettrici in grado di attivare un relè.
Ovviamente questo punto rimane la base, su cui poi mettere
al posto del relè un cifrcuito di riconoscimento sequenza di suoni.
Poi abbiamo parlato di questo circuito che rileva appunto
una sequenza definita prima di attivare il relè (o un LED)
Al post[2] indicavo uno schema per trasformare il suono in
segnali elettrici in grado di attivare un relè.
Ovviamente questo punto rimane la base, su cui poi mettere
al posto del relè un cifrcuito di riconoscimento sequenza di suoni.
Poi abbiamo parlato di questo circuito che rileva appunto
una sequenza definita prima di attivare il relè (o un LED)
0
voti
Adesso ho capito, perdoni la mia sbadataggine.
Allora realizzo il circuito da lei indicatomi nel secondo post e in questo al posto del relè aggiungo il circuito che riconosce la sequenza e che accende i led.
Allora realizzo il circuito da lei indicatomi nel secondo post e in questo al posto del relè aggiungo il circuito che riconosce la sequenza e che accende i led.
40 messaggi
• Pagina 3 di 4 • 1, 2, 3, 4
Chi c’è in linea
Visitano il forum: Google [Bot] e 3 ospiti

Elettrotecnica e non solo (admin)
Un gatto tra gli elettroni (IsidoroKZ)
Esperienza e simulazioni (g.schgor)
Moleskine di un idraulico (RenzoDF)
Il Blog di ElectroYou (webmaster)
Idee microcontrollate (TardoFreak)
PICcoli grandi PICMicro (Paolino)
Il blog elettrico di carloc (carloc)
DirtEYblooog (dirtydeeds)
Di tutto... un po' (jordan20)
AK47 (lillo)
Esperienze elettroniche (marco438)
Telecomunicazioni musicali (clavicordo)
Automazione ed Elettronica (gustavo)
Direttive per la sicurezza (ErnestoCappelletti)
EYnfo dall'Alaska (mir)
Apriamo il quadro! (attilio)
H7-25 (asdf)
Passione Elettrica (massimob)
Elettroni a spasso (guidob)
Bloguerra (guerra)




