Salve a tutti,
devo aprire e chiudere una elettrovalvola proporzionale a 24Vdc.
Il controllo deve avvenire con un segnale PWM che va da 600Hz a 800Hz max corrente Imax = 390mA
Ho generato tramite un micro atmel il segnale PWM..., mi potreste aiutare sulla soluzione circuitale da usare trà il pin del micro e la valvola?
Grazie
Pilotaggio elettrovalvola proporzionale
Moderatori:
carloc,
g.schgor,
BrunoValente,
IsidoroKZ
13 messaggi
• Pagina 1 di 2 • 1, 2
2
voti
Ciao
Atomo,
una possibile soluzione potrebbe essere utilizzare un'uscita a stato solido.
In particolare per il pilotaggio di elettrovalvole proporzionali a 12V con segnale di pilotaggio PWM 0-5V a duty variabile e corrente massima 2A ultimamente sto utilizzando l' N-MOS IRL2910 ( http://www.irf.com/product-info/datashe ... rl2910.pdf ). Dando un'occhiata al datasheet credo proprio si possa prestare tranquillamente per la tua applicazione.
Quindi ricapitolando:
- settare l'uscita del micro come output push-pull (solitamente è quello di default ma verifica)
- collegare direttamente il piedino di uscita del micro alla base del MOS.
- collegare direttamente il source a massa.
- collegare l'elettrovalvola fra i 24 V e il drain del MOS.
NB:- puoi utilizzare un altro MOS verificandone le caratteristiche.
- adottare degli accorgimenti per filtrare i disturbi dati dall'eccitazione e la diseccitazione dell'elettrovalvola (terribili!): come minimo sarà opportuno prevedere un diodo di protezione in parallelo alla EV (ad esempio BY399). Eventualmente poi si può aggiungere un varistore ed un eventuale filtro RC.
una possibile soluzione potrebbe essere utilizzare un'uscita a stato solido.
In particolare per il pilotaggio di elettrovalvole proporzionali a 12V con segnale di pilotaggio PWM 0-5V a duty variabile e corrente massima 2A ultimamente sto utilizzando l' N-MOS IRL2910 ( http://www.irf.com/product-info/datashe ... rl2910.pdf ). Dando un'occhiata al datasheet credo proprio si possa prestare tranquillamente per la tua applicazione.
Quindi ricapitolando:
- settare l'uscita del micro come output push-pull (solitamente è quello di default ma verifica)
- collegare direttamente il piedino di uscita del micro alla base del MOS.
- collegare direttamente il source a massa.
- collegare l'elettrovalvola fra i 24 V e il drain del MOS.
NB:- puoi utilizzare un altro MOS verificandone le caratteristiche.
- adottare degli accorgimenti per filtrare i disturbi dati dall'eccitazione e la diseccitazione dell'elettrovalvola (terribili!): come minimo sarà opportuno prevedere un diodo di protezione in parallelo alla EV (ad esempio BY399). Eventualmente poi si può aggiungere un varistore ed un eventuale filtro RC.
-

grandegiove
1.151 1 4 8 - Expert

- Messaggi: 517
- Iscritto il: 18 ott 2010, 9:59
0
voti
grazie dell'attenzione...
tra il pin e la base del MOS. vorrei inserire un optoisolatore...?
ma resistenza sulla base del MOS?
tra il pin e la base del MOS. vorrei inserire un optoisolatore...?
ma resistenza sulla base del MOS?
-

tnnelectro
9 1 4 - Frequentatore

- Messaggi: 162
- Iscritto il: 18 dic 2008, 13:13
0
voti
Puoi tranquillamente inserire una resistenza fra il pin del micro e il gate del MOS (essendo la corrente di gate dei MOS praticamente trascurabile non avrai una caduta di tensione significativa), valore: 10k?
Per quanto riguarda l'ipotesi optoisolatore, in passato ho utilizzato l'H11G1 ( http://www.datasheetcatalog.org/datasheet/QT/H11G1.pdf ) ma a quel punto dovresti un attimo rivedere la struttura dello stadio di uscita.
Per quanto riguarda l'ipotesi optoisolatore, in passato ho utilizzato l'H11G1 ( http://www.datasheetcatalog.org/datasheet/QT/H11G1.pdf ) ma a quel punto dovresti un attimo rivedere la struttura dello stadio di uscita.
-

grandegiove
1.151 1 4 8 - Expert

- Messaggi: 517
- Iscritto il: 18 ott 2010, 9:59
1
voti
grandegiove ha scritto:Puoi tranquillamente inserire una resistenza fra il pin del micro e il gate del MOS (essendo la corrente di gate dei MOS praticamente trascurabile non avrai una caduta di tensione significativa),
Non ne sarei cosi` sicuro. Il gate non consuma praticamente corrente in condizioni statiche, ma in commutazione la corrente puo` essere decisamente elevata. Se la si limita con una resistenza fa scaldare di piu` il MOS che commuta adagio. E` vero che a queste frequenze non e` molto grave, ma meglio non diffondere troppo in giro informazioni non corrette.
Per usare proficuamente un simulatore, bisogna sapere molta più elettronica di lui
Plug it in - it works better!
Il 555 sta all'elettronica come Arduino all'informatica! (entrambi loro malgrado)
Se volete risposte rispondete a tutte le mie domande
Plug it in - it works better!
Il 555 sta all'elettronica come Arduino all'informatica! (entrambi loro malgrado)
Se volete risposte rispondete a tutte le mie domande
0
voti
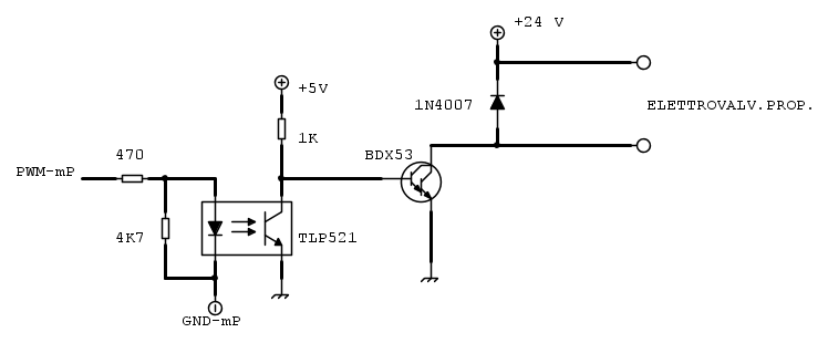
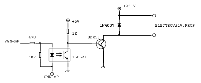
Grazie a tutti dell'interessamento...
in base alle vostre info ho pensato a questa soluzione, che ne pensate?
l'optoisolatore è ok?
Saluti
in base alle vostre info ho pensato a questa soluzione, che ne pensate?
l'optoisolatore è ok?
Saluti
-

tnnelectro
9 1 4 - Frequentatore

- Messaggi: 162
- Iscritto il: 18 dic 2008, 13:13
0
voti
A me sembra che il TLP251 non possa essere usato in quel modo, non e` un semplice opto, dentro c'e` il ricevitore e il driver.
Per usare proficuamente un simulatore, bisogna sapere molta più elettronica di lui
Plug it in - it works better!
Il 555 sta all'elettronica come Arduino all'informatica! (entrambi loro malgrado)
Se volete risposte rispondete a tutte le mie domande
Plug it in - it works better!
Il 555 sta all'elettronica come Arduino all'informatica! (entrambi loro malgrado)
Se volete risposte rispondete a tutte le mie domande
0
voti
Scusami, non hai visto bene, è un TLP521 http://pdf1.alldatasheet.com/datasheet-pdf/view/32438/TOSHIBA/TLP521.html


-

tnnelectro
9 1 4 - Frequentatore

- Messaggi: 162
- Iscritto il: 18 dic 2008, 13:13
0
voti
OOPS, hai ragione ho invertito qualche cifra. A bassa frequenza dovrebbe funzionare.
Per usare proficuamente un simulatore, bisogna sapere molta più elettronica di lui
Plug it in - it works better!
Il 555 sta all'elettronica come Arduino all'informatica! (entrambi loro malgrado)
Se volete risposte rispondete a tutte le mie domande
Plug it in - it works better!
Il 555 sta all'elettronica come Arduino all'informatica! (entrambi loro malgrado)
Se volete risposte rispondete a tutte le mie domande
0
voti
al posto del 1n4007, ho disponibile un by299...OK?
-

tnnelectro
9 1 4 - Frequentatore

- Messaggi: 162
- Iscritto il: 18 dic 2008, 13:13
13 messaggi
• Pagina 1 di 2 • 1, 2
Chi c’è in linea
Visitano il forum: Nessuno e 121 ospiti

Elettrotecnica e non solo (admin)
Un gatto tra gli elettroni (IsidoroKZ)
Esperienza e simulazioni (g.schgor)
Moleskine di un idraulico (RenzoDF)
Il Blog di ElectroYou (webmaster)
Idee microcontrollate (TardoFreak)
PICcoli grandi PICMicro (Paolino)
Il blog elettrico di carloc (carloc)
DirtEYblooog (dirtydeeds)
Di tutto... un po' (jordan20)
AK47 (lillo)
Esperienze elettroniche (marco438)
Telecomunicazioni musicali (clavicordo)
Automazione ed Elettronica (gustavo)
Direttive per la sicurezza (ErnestoCappelletti)
EYnfo dall'Alaska (mir)
Apriamo il quadro! (attilio)
H7-25 (asdf)
Passione Elettrica (massimob)
Elettroni a spasso (guidob)
Bloguerra (guerra)

