Ciao a tutti!
Sto progettando un piccolo caricatore USB che prenda l'alimentazione da una batteria (nel mio caso una al litio 7.2V - 2,1Ah) che possa risultare utile per caricare i piccoli dispositivi tipo ipod, mp3, ecc mentre sono in viaggio.
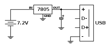
Ecco qui il mio schema:
In questo modo riduco la tensione della batteria a 5V da mandare direttamente al connettore USB.
Unico inconveniente è che alcuni dispositivi per avviare la carica hanno bisogno del segnale dati (come l'ipod originale della apple).
In che modo devo collegare i pin D+ e D- del connettore per far si che i dispositivi collegati riconoscono il caricatore come un PC?
Grazie
progetto caricatore USB portatile
Moderatori:
carloc,
g.schgor,
BrunoValente,
IsidoroKZ
11 messaggi
• Pagina 1 di 2 • 1, 2
3
voti
in /dev/null no one can hear you scream
0
voti
Intanto grazie, sembra essere proprio quello che cercavo.
La pagina 25 del file BC1.2_FINAL indica che deve essere messa una resistenza tra D+ e D- per poter implementare la "Primary Detection" di un dispositivo portatile collegato ad una porta dedicata alla carica.
Secondo voi che valore dovrebbe avere la resistenza? 1kΩ può andare bene?
Grazie
La pagina 25 del file BC1.2_FINAL indica che deve essere messa una resistenza tra D+ e D- per poter implementare la "Primary Detection" di un dispositivo portatile collegato ad una porta dedicata alla carica.
Secondo voi che valore dovrebbe avere la resistenza? 1kΩ può andare bene?
Grazie
0
voti
Dunque io ci terrei a portare a termine questo progetto perciò se qualcuno è capace gli chiedo cortesemente aiuto.
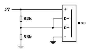
Ecco lo schema di come ho collegato i contatti della porta USB femmina a cui collegare i dispositivi da caricare:
Ho provato a collegare un iPod ma non rileva nulla, qualcuno sa dirmi dove sbaglio?
Grazie
Ecco lo schema di come ho collegato i contatti della porta USB femmina a cui collegare i dispositivi da caricare:
Ho provato a collegare un iPod ma non rileva nulla, qualcuno sa dirmi dove sbaglio?
Grazie
0
voti
Abbassala ad un valore minore di 200 ohm e riprova come DCP, altro per ora ...
http://www.maxim-ic.com/app-notes/index.mvp/id/4803
http://www.maxim-ic.com/app-notes/index.mvp/id/4803
-

Lelettrico
2.458 1 4 6 - Master

- Messaggi: 1108
- Iscritto il: 13 set 2010, 12:24
0
voti
facci sapere se risolvi.
io ti volevo chiedere una cosa: hai messo 2 batterie da 3,6V in serie, giusto? come le ricarichi?
io vorrei fare un caricabatterie solare con accumulo. stavo pensando anche io di mettere 2 batterie al litio in serie da inserire e disinserire con uno switch. il mio dubbio è come fare il circuito di ricarica visto che quelle batterie non devono avere in ingresso più di 4,2V ognuna. hai qualche suggerimento?
io ti volevo chiedere una cosa: hai messo 2 batterie da 3,6V in serie, giusto? come le ricarichi?
io vorrei fare un caricabatterie solare con accumulo. stavo pensando anche io di mettere 2 batterie al litio in serie da inserire e disinserire con uno switch. il mio dubbio è come fare il circuito di ricarica visto che quelle batterie non devono avere in ingresso più di 4,2V ognuna. hai qualche suggerimento?
1
voti
Non so se la resistenza tra D+ e D- funzioni, io ho modificato due caricacellulari USB standard seguendo queste specifiche: http://www.ladyada.net/make/mintyboost/icharge.html
nella pagina linkata è presente una serie di configurazioni per poter caricare vari dispositivi di casa Apple. Aggiungendo dei partitori di tensione.
In poche parole in base al livello di tensione presente ai pin D+ e D- il dispositivo Apple può capire quanta corrente può erogare l'alimentatore.
QUindi le cose da tenere in considerazione sono due:
-che dispositivo Apple devi/vuoi poter ricaricare
-quanta corrente può erogare il tuo 7805
Guardati il link in alto, è tutto ben spiegato.
Ciao
nella pagina linkata è presente una serie di configurazioni per poter caricare vari dispositivi di casa Apple. Aggiungendo dei partitori di tensione.
In poche parole in base al livello di tensione presente ai pin D+ e D- il dispositivo Apple può capire quanta corrente può erogare l'alimentatore.
QUindi le cose da tenere in considerazione sono due:
-che dispositivo Apple devi/vuoi poter ricaricare
-quanta corrente può erogare il tuo 7805
Guardati il link in alto, è tutto ben spiegato.
Ciao

-

AjKDAP
1.255 2 6 9 - Expert EY

- Messaggi: 796
- Iscritto il: 17 mag 2006, 0:13
- Località: nella coda dei pronti
1
voti
niello89 ha scritto:io ti volevo chiedere una cosa: hai messo 2 batterie da 3,6V in serie, giusto? come le ricarichi?
Utilizzo una batteria per videocamere al litio 7,2V, quando scarica la ricarico con il suo caricabatteria.
AjKDAP ha scritto:Guardati il link in alto, è tutto ben spiegato.
Grazie mille, con un partitore di tensione ho portato a 2V le uscite D+ e D- e ora riesco a caricare l'iPod!

0
voti
Ho solo un dubbio, secondo lo schema del link risulta che i piedini D+ e D- vanno portati a potenziale 2V attraverso 2 partitori di tensione:

Io questa cosa l'ho fatta utilizzando solo 1 partitore di tensione, quindi cortocircuitando i piedini D+ e D-:
Ho notato che funziona.
Ma secondo voi può essere un problema il corto tra i 2 contatti?

Io questa cosa l'ho fatta utilizzando solo 1 partitore di tensione, quindi cortocircuitando i piedini D+ e D-:
Ho notato che funziona.
Ma secondo voi può essere un problema il corto tra i 2 contatti?
11 messaggi
• Pagina 1 di 2 • 1, 2
Chi c’è in linea
Visitano il forum: Google [Bot] e 181 ospiti

Elettrotecnica e non solo (admin)
Un gatto tra gli elettroni (IsidoroKZ)
Esperienza e simulazioni (g.schgor)
Moleskine di un idraulico (RenzoDF)
Il Blog di ElectroYou (webmaster)
Idee microcontrollate (TardoFreak)
PICcoli grandi PICMicro (Paolino)
Il blog elettrico di carloc (carloc)
DirtEYblooog (dirtydeeds)
Di tutto... un po' (jordan20)
AK47 (lillo)
Esperienze elettroniche (marco438)
Telecomunicazioni musicali (clavicordo)
Automazione ed Elettronica (gustavo)
Direttive per la sicurezza (ErnestoCappelletti)
EYnfo dall'Alaska (mir)
Apriamo il quadro! (attilio)
H7-25 (asdf)
Passione Elettrica (massimob)
Elettroni a spasso (guidob)
Bloguerra (guerra)








