Cos'è ElectroYou | Login Iscriviti

ElectroYou - la comunità dei professionisti del mondo elettrico

vu meter led

hi-fi, luci, suoni, effetti speciali, palcoscenici...

Moderatore: Foto UtenteIsidoroKZ

0
voti

[11] Re: vu meter led

Messaggioda Foto Utentemarco438 » 26 feb 2012, 18:05

Sono contento che tu sia riuscito nella tua realizzazione.
Alla prossima.....
O_/
marco
Avatar utente
Foto Utentemarco438
37,1k 7 11 13
-EY Legend-
-EY Legend-
 
Messaggi: 16323
Iscritto il: 24 mar 2010, 15:09
Località: Versilia

0
voti

[12] Re: vu meter led

Messaggioda Foto Utentedimitri94 » 7 giu 2012, 18:17

dinuovo ciao a tutti :mrgreen: :mrgreen:
...riapro la discussione in quanto ho perso un po di appunti dei miei circuiti e tra quelli c' era quello del vu meter che avevo realizzato... :cry:
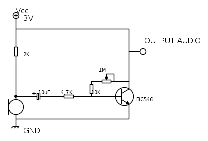
ho recuperato solo lo schema che ho provveduto a mettere a punto eccolo:
ora però la sorgente audio è un microfono ad electrete di cui ho gia fatto il circuito di amplificazione:

l' imput audio del 3914 lo devo prendere come da disegno giusto..?
grazie mille
ciaoo
O_/
Avatar utente
Foto Utentedimitri94
113 5 7
Sostenitore
Sostenitore
 
Messaggi: 515
Iscritto il: 10 gen 2012, 20:46

0
voti

[13] Re: vu meter led

Messaggioda Foto Utentemarco438 » 7 giu 2012, 18:33

Non si capisce bene cosa tu voglia dire; inoltre perche' alimenti il preampli a 3V ? E' un errore di battitura?
marco
Avatar utente
Foto Utentemarco438
37,1k 7 11 13
-EY Legend-
-EY Legend-
 
Messaggi: 16323
Iscritto il: 24 mar 2010, 15:09
Località: Versilia

0
voti

[14] Re: vu meter led

Messaggioda Foto Utentedimitri94 » 7 giu 2012, 18:55

devo avere sbagliato a scrivere correggo subito.. :mrgreen:
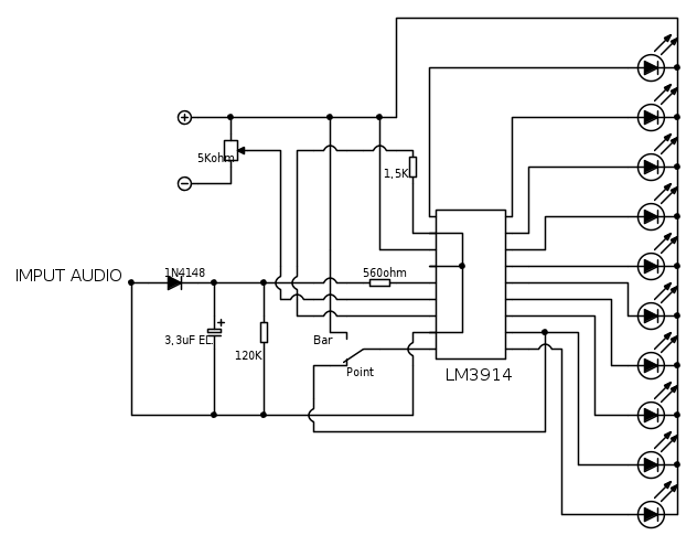
...volevo solo sapere se il circuito con LM3914 è giusto e se l' OUTPUT AUDIO è giusto che lo prenda da quel punto... :-)
O_/
Avatar utente
Foto Utentedimitri94
113 5 7
Sostenitore
Sostenitore
 
Messaggi: 515
Iscritto il: 10 gen 2012, 20:46

0
voti

[15] Re: vu meter led

Messaggioda Foto Utentemarco438 » 7 giu 2012, 18:57

Beh, sul preampli hai output, sul VU meter INPUT; basta metterli insieme.
Ricorda di mettere il riferimento in comune.
marco
Avatar utente
Foto Utentemarco438
37,1k 7 11 13
-EY Legend-
-EY Legend-
 
Messaggi: 16323
Iscritto il: 24 mar 2010, 15:09
Località: Versilia

0
voti

[16] Re: vu meter led

Messaggioda Foto Utentedimitri94 » 7 giu 2012, 19:09

marco438 ha scritto:Ricorda di mettere il riferimento in comune

ovvero...? :-o
sarebbe la massa...? O_/
Avatar utente
Foto Utentedimitri94
113 5 7
Sostenitore
Sostenitore
 
Messaggi: 515
Iscritto il: 10 gen 2012, 20:46

0
voti

[17] Re: vu meter led

Messaggioda Foto Utentemarco438 » 7 giu 2012, 19:12

Yes.
marco
Avatar utente
Foto Utentemarco438
37,1k 7 11 13
-EY Legend-
-EY Legend-
 
Messaggi: 16323
Iscritto il: 24 mar 2010, 15:09
Località: Versilia

0
voti

[18] Re: vu meter led

Messaggioda Foto Utentedimitri94 » 7 giu 2012, 19:40

però pensandoci usando il microfono come sorgente audio non rimane un pasticio con tutte le frequenze che ci sono..? :?
Avatar utente
Foto Utentedimitri94
113 5 7
Sostenitore
Sostenitore
 
Messaggi: 515
Iscritto il: 10 gen 2012, 20:46

0
voti

[19] Re: vu meter led

Messaggioda Foto Utentemarco438 » 7 giu 2012, 19:42

Sei tu che hai scelto quella soluzione.
Di solito si usa collegare direttamente alla fonte sonora.
marco
Avatar utente
Foto Utentemarco438
37,1k 7 11 13
-EY Legend-
-EY Legend-
 
Messaggi: 16323
Iscritto il: 24 mar 2010, 15:09
Località: Versilia

0
voti

[20] Re: vu meter led

Messaggioda Foto Utentemarco438 » 8 giu 2012, 13:59

Ho riguardato adesso lo schema che hai postato e mi chiedevo perche' hai adottato quella soluzione (ma dove hai preso questo schema?) invece di attenerti a quanto esposto sul datasheet dell'integrato.
Ma lo hai letto?
Mi pare ci siano diverse incongruenze che mi lasciano un po' perplesso.

P.S. Ma non avevi detto che era perfettamente funzionante?
marco
Avatar utente
Foto Utentemarco438
37,1k 7 11 13
-EY Legend-
-EY Legend-
 
Messaggi: 16323
Iscritto il: 24 mar 2010, 15:09
Località: Versilia

PrecedenteProssimo

Torna a Elettronica e spettacolo

Chi c’è in linea

Visitano il forum: Nessuno e 8 ospiti