DirtyDeeds ha scritto:Mah, vedi tu: la frequenza di oscillazione dipende dalla fase del guadagno d'anello: vuoi che uno sfasamento di 90° non abbia alcun effetto?
introduce uno sfasamento di -90° quindi
deve introdurre uno sfasamento tale affinchè lo sfasamento complessivo si di 0° o 360°poiché per rispettare le condizioni di Bharkausen
e non "-1" come hai scritto, forse ti sei confuso?Comunque il metodo per determinare il guadagno ad anello che ho usato l'ho preso da un libro di testo, impostato proprio su questa configurazione e dovrebbe essere giusto, solamente viene considerato con il seguente metodo (che vorrei continuare a seguire).
è il guadagno ad anello aperto del "sistema complessivo",ovvero aprendo il circuito nel punto A (considerando solo il sistema da anello aperto, togliendo la retroazione positiva ) e calcolando la fdt
considerando Vp come un segnale, si ha quindi il guadagno dell'amplificatore non invertenteInfatti il libro procede cosi:
"Il guadagno ad anello T(jw) si determina aprendo l'anello nel punto A"
praticamente calcola separatamente a(jw) e b(jw)
il primo lo calcola come scritto sopra in questo circuito

il secondo
praticamente è il partitore di quest'altra porzione ed eseguendo tutti i calcoli esce proprio quello, se vuoi li espongo ma penso non ci sia bisogno
Se questo ti convince, possiamo andare avanti perché ancora non capisco come si arriva a quella formula,
mi devi proprio perdonare

Elettrotecnica e non solo (admin)
Un gatto tra gli elettroni (IsidoroKZ)
Esperienza e simulazioni (g.schgor)
Moleskine di un idraulico (RenzoDF)
Il Blog di ElectroYou (webmaster)
Idee microcontrollate (TardoFreak)
PICcoli grandi PICMicro (Paolino)
Il blog elettrico di carloc (carloc)
DirtEYblooog (dirtydeeds)
Di tutto... un po' (jordan20)
AK47 (lillo)
Esperienze elettroniche (marco438)
Telecomunicazioni musicali (clavicordo)
Automazione ed Elettronica (gustavo)
Direttive per la sicurezza (ErnestoCappelletti)
EYnfo dall'Alaska (mir)
Apriamo il quadro! (attilio)
H7-25 (asdf)
Passione Elettrica (massimob)
Elettroni a spasso (guidob)
Bloguerra (guerra)




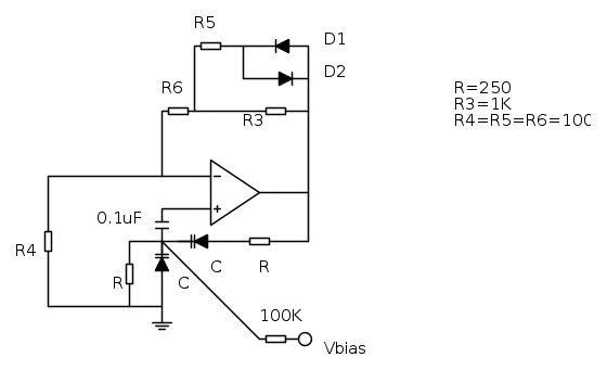
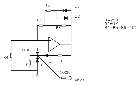
ha una fase di circa -90°) e ii) un simbolo per il guadagno dell'amplificatore non invertente contenente l'opamp e la coppia di resistenze R1 e R2 (quello che
instead of
(Anonimo).
ain't
, right?
in lieu of
.
for
arithm.

sarà quello dell'amplificatore non invertente
con
e questi sono i valori minimi

