Cos'è ElectroYou | Login Iscriviti

ElectroYou - la comunità dei professionisti del mondo elettrico

Esercizio con interruttore

Circuiti, campi elettromagnetici e teoria delle linee di trasmissione e distribuzione dell’energia elettrica

Moderatori: Foto Utenteg.schgor, Foto UtenteIsidoroKZ

0
voti

[1] Esercizio con interruttore

Messaggioda Foto Utentevolpi » 9 giu 2012, 11:25

Salve a tutti...

potete aiutarmi passo passo nello svolgimento di questo esercizio??

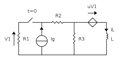
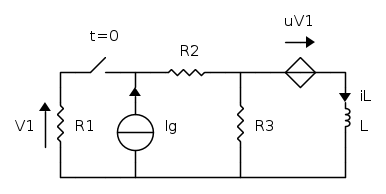
l circuito è:


Per t<0 il circuito è in condizioni di regime stazionario e l'interruttore è aperto. All'istante t=0 si chiude l'interruttore.
Determinare l'espressione di iL(t) per t>0

Allora io innanzitutto calcolerei iL(0) e V1(0) i quali applicando la socrapposizione degli effetti mi vengono:
iL(0)=\frac{\mu V1}{R3}
V1=IgR2 - \mu V1

quindi V1(0)=5 e iL(0)=\frac{5}{2} ma non torna...

e poi come devo continuare???

grazie
Avatar utente
Foto Utentevolpi
60 6
New entry
New entry
 
Messaggi: 65
Iscritto il: 18 mar 2012, 12:01

3
voti

[2] Re: Esercizio con interruttore

Messaggioda Foto UtenteLele_u_biddrazzu » 9 giu 2012, 11:46

v1 è la d.d.p. ai capi di R1, pertanto per t<0, essendo l'interruttore aperto, risulta v1(0-)=0V. In condizione di regime stazionario l'induttore è assimilabile ad un cto-cto., pertanto iL(0-) = Ig.
Emanuele Lorina

- Chi lotta contro i mostri deve fare attenzione a non diventare lui stesso un mostro. E se tu riguarderai a lungo in un abisso, anche l'abisso vorrà guardare dentro di te (F. Nietzsche)
- Tavole della legge by admin
Avatar utente
Foto UtenteLele_u_biddrazzu
8.154 3 8 13
Master EY
Master EY
 
Messaggi: 1288
Iscritto il: 23 gen 2007, 16:13
Località: Modena

0
voti

[3] Re: Esercizio con interruttore

Messaggioda Foto Utentevolpi » 9 giu 2012, 12:18

adesso devo trovare la resistenza equivalente per t>0 giusto?? solo che ho provato vari metodi ma non ne vengo a capo...
Avatar utente
Foto Utentevolpi
60 6
New entry
New entry
 
Messaggi: 65
Iscritto il: 18 mar 2012, 12:01

1
voti

[4] Re: Esercizio con interruttore

Messaggioda Foto UtenteLele_u_biddrazzu » 9 giu 2012, 12:22

Prova a postare il tuo procedimento, anche se sbagliato.
Emanuele Lorina

- Chi lotta contro i mostri deve fare attenzione a non diventare lui stesso un mostro. E se tu riguarderai a lungo in un abisso, anche l'abisso vorrà guardare dentro di te (F. Nietzsche)
- Tavole della legge by admin
Avatar utente
Foto UtenteLele_u_biddrazzu
8.154 3 8 13
Master EY
Master EY
 
Messaggi: 1288
Iscritto il: 23 gen 2007, 16:13
Località: Modena

0
voti

[5] Re: Esercizio con interruttore

Messaggioda Foto Utentevolpi » 9 giu 2012, 12:55

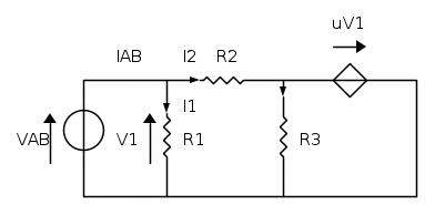
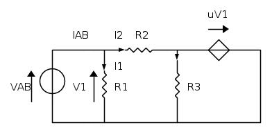
allora prima di tutto disegno il circuito resistivo associato...

poi per trovare Req io di solito prima annullo tutti i generatori indipendenti poi applico un generatore di tensione...


e poi trovo le correnti espresse in funzione di VAB... cosìZeq=\frac{VAB}{IAB}

quindi trovo IAB=I1+I2 e poi posso trovare Zeq...

di solito faccio così per trovare la R equivalente ma qui non so come fare...
Avatar utente
Foto Utentevolpi
60 6
New entry
New entry
 
Messaggi: 65
Iscritto il: 18 mar 2012, 12:01

0
voti

[6] Re: Esercizio con interruttore

Messaggioda Foto Utentevolpi » 9 giu 2012, 13:03

perché qu' avrei ragionato così...

IAB= I1+I2
I1=\frac{VAB}{R1}
I2=\frac{VAB-\mu VAB}{R2} ---- I2=\frac{-1}{3}VAB

poi avrei sostituito tutto alla prima eq. ma non torna...
Avatar utente
Foto Utentevolpi
60 6
New entry
New entry
 
Messaggi: 65
Iscritto il: 18 mar 2012, 12:01

3
voti

[7] Re: Esercizio con interruttore

Messaggioda Foto UtenteLele_u_biddrazzu » 9 giu 2012, 14:22

Potresti procedere così...

1. semplificazione della rete a sinistra dell'induttore secondo Thèvenin...


La tensione a vuoto risulta essere...

E_{\text{th}}=\mu v_{1}+\frac{R_{1}R_{3}}{R_{1}+R_{2}+R_{3}}I_{g}

essendo...

v_{1}=\frac{R_{1}\left(R_{2}+R_{3}\right)}{R_{1}+R_{2}+R_{3}}I_{g}

mentre la resistenza equivalente risulta pari a ...

R_{\text{th}}=\frac{\mu R_{1}R_{3}+\left(R_{1}+R_{2}\right)R_{3}}{R_{1}+R_{2}+R_{3}}

2. a questo punto dovresti studiare un classico circuito RL... continua tu...
Emanuele Lorina

- Chi lotta contro i mostri deve fare attenzione a non diventare lui stesso un mostro. E se tu riguarderai a lungo in un abisso, anche l'abisso vorrà guardare dentro di te (F. Nietzsche)
- Tavole della legge by admin
Avatar utente
Foto UtenteLele_u_biddrazzu
8.154 3 8 13
Master EY
Master EY
 
Messaggi: 1288
Iscritto il: 23 gen 2007, 16:13
Località: Modena

0
voti

[8] Re: Esercizio con interruttore

Messaggioda Foto Utentevolpi » 9 giu 2012, 14:36

ok ho capito il tuo ragionamento(e perfetto)... ma il mio era molto sbagliato?
Avatar utente
Foto Utentevolpi
60 6
New entry
New entry
 
Messaggi: 65
Iscritto il: 18 mar 2012, 12:01

1
voti

[9] Re: Esercizio con interruttore

Messaggioda Foto Utenteadmin » 9 giu 2012, 15:07

Tu stai considerando un generatore equivalente che non serve a niente.
Ti serve quello visto dall'induttanza, ed è quello che ha calcolato Foto UtenteLele_u_biddrazzu.
Data una rete non esiste un unico generatore equivalente, ma tanti quante sono le coppie di morsetti che si possono individuare. E si deve considerare quello che serve
Avatar utente
Foto Utenteadmin
196,6k 9 12 17
Manager
Manager
 
Messaggi: 11950
Iscritto il: 6 ago 2004, 13:14

0
voti

[10] Re: Esercizio con interruttore

Messaggioda Foto Utentevolpi » 9 giu 2012, 15:33

grazie mille!!!! son riuscito a determinare Req trovando IAB in funzione di VAB... adesso provo (se riesco a finire l'esercizio...)
Avatar utente
Foto Utentevolpi
60 6
New entry
New entry
 
Messaggi: 65
Iscritto il: 18 mar 2012, 12:01

Prossimo

Torna a Elettrotecnica generale

Chi c’è in linea

Visitano il forum: Nessuno e 60 ospiti