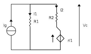
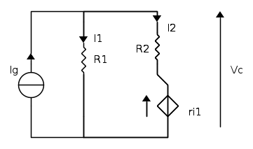
Ho un altro dubbio, in questo circuito per t>0 come faccio a calcolarmi la
???per t>0 l'interruttore si porta nella posizione B
prima disegno il circiuto resistivo associato per t>0 (induttori= gen. corrente, condensatori=gen. tensione) e poi applico un generatore di tensione
in parallelo al generator di tensione Vc...poi devo spegnere i generatori indipendenti (applico thevenin) per trovare la R.eq no?? ma così facendo mi viene un cortocircuito in parallelo a tutto il resto e non riesco a continuare...
grazie

Elettrotecnica e non solo (admin)
Un gatto tra gli elettroni (IsidoroKZ)
Esperienza e simulazioni (g.schgor)
Moleskine di un idraulico (RenzoDF)
Il Blog di ElectroYou (webmaster)
Idee microcontrollate (TardoFreak)
PICcoli grandi PICMicro (Paolino)
Il blog elettrico di carloc (carloc)
DirtEYblooog (dirtydeeds)
Di tutto... un po' (jordan20)
AK47 (lillo)
Esperienze elettroniche (marco438)
Telecomunicazioni musicali (clavicordo)
Automazione ed Elettronica (gustavo)
Direttive per la sicurezza (ErnestoCappelletti)
EYnfo dall'Alaska (mir)
Apriamo il quadro! (attilio)
H7-25 (asdf)
Passione Elettrica (massimob)
Elettroni a spasso (guidob)
Bloguerra (guerra)





e
mi rivavo
ed
in funzione di 



in questo circuito:
e 



...