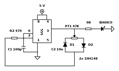
Ciao a tutti, ho realizzato questo PWM con l'ne555:
Il problema è che non mi trovo con i conti. La resistenza di limitazione in serie al led l'ho così calcolata:
R= (5-3)/ 25 mA = 80 ohm , ma ho scelto una 68 ohm (il che mi porta a una corrente di 28 mA collegando il positivo direttamente a 5 V).
Collegando l'amperometro in serie al led noto che la corrente è inferiore e che per portare questa ad un valore di 25 mA ci vuole una vcc pari 6,5 V. Questo perché?
Inoltre leggendo la tensione in uscita dal piedino 3 del 555, noto che questa è di 4,2 V.
Se provassimo a fare due conti per sapere quanto vale il duty cycle e quindi la tensione media trovo che:
DT= (470 +47k)/(2*470+47k) = 0,99
quindi la tensione sarà pari a quasi 6,5 V contro i 4,2 che leggo.
Inoltre sul diodo d2 trovo una tensione pari a 0,45V e su d1 2,29V.
Potete gentilmente spiegarmi il perché?
PWM ne555
Moderatori:
carloc,
g.schgor,
BrunoValente,
IsidoroKZ
34 messaggi
• Pagina 1 di 4 • 1, 2, 3, 4
0
voti
[4] Re: PWM ne555
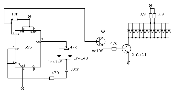
franx ha scritto:metterei il LED sull'uscita open-collector (pin 7) in modo da "lasciare in pace" l'uscita 3
grazie
Un'altra cosa è la corrente che scorre nel diodo led (il diodo led l'ho collegato tra la resistenza di limitazione e collettore di un npn) che è pari a 1,4 mA e che quindi si illumina leggermente. Dai calcoli trovo invece che la corrente deve essere di 0,26 mA. Ho anche misurato col tester il valore della resistenza e del trimmer in modo da essere il più preciso possibile, ma niente da fare. I valori misurati sono questi: r2= 473 e trimmer da 43,2K.
Sapreste dirmi come fare per ridurre ancora di più la corrente, e quindi l'illuminazione del led, nel momento in cui il dt è prossimo allo 0% ?
1
voti
[5] Re: PWM ne555
franx ha scritto:metterei il LED sull'uscita open-collector (pin 7) in modo da "lasciare in pace" l'uscita 3
Perché? Per 25mA?
Il pin 7 è a collettore aperto, che tu lo voglia o no una caduta di tensione la provoca anche lui, appunto
del transistore interno. La
del transistore in questione se non erro é anche lei dalle parti di 200mA come la
dell'uscita.Direi che comunque non ti serve usare il pin 7.
Sapreste dirmi come fare per ridurre ancora di più la corrente, e quindi l'illuminazione del led, nel momento in cui il dt è prossimo allo 0% ?
Il problema é che il potenziometro (o trimmer) che hai messo non riesce a "chiudere" bene.
Questo non succede con un microcontrollore, per esempio.
0
voti
[6] Re: PWM ne555
gohan ha scritto:Direi che comunque non ti serve usare il pin 7.
Però la Vce sat del transistor interno è comunque minore rispetto alla caduta di tensione dell'intero integrato.
Ora ho un altro problema: ho collegato una dozzina di led al pin 7 del ne555 per mezzo di un transistor, ma ho problemi con la corrente che scorre nei led. In pratica ho dimensionato la resistenza in modo da far scorrere 300 mA (25mA * 12 led). Misurando con il tester in serie al collettore del transistor leggo 0,32 A. Se invece collego il tester in serie a un singolo led, leggo 8 mA. Quindi come posso avere una corrente di 300 mA se in un singolo led scorrono 8-9 mA?
34 messaggi
• Pagina 1 di 4 • 1, 2, 3, 4
Chi c’è in linea
Visitano il forum: Nessuno e 48 ospiti

Elettrotecnica e non solo (admin)
Un gatto tra gli elettroni (IsidoroKZ)
Esperienza e simulazioni (g.schgor)
Moleskine di un idraulico (RenzoDF)
Il Blog di ElectroYou (webmaster)
Idee microcontrollate (TardoFreak)
PICcoli grandi PICMicro (Paolino)
Il blog elettrico di carloc (carloc)
DirtEYblooog (dirtydeeds)
Di tutto... un po' (jordan20)
AK47 (lillo)
Esperienze elettroniche (marco438)
Telecomunicazioni musicali (clavicordo)
Automazione ed Elettronica (gustavo)
Direttive per la sicurezza (ErnestoCappelletti)
EYnfo dall'Alaska (mir)
Apriamo il quadro! (attilio)
H7-25 (asdf)
Passione Elettrica (massimob)
Elettroni a spasso (guidob)
Bloguerra (guerra)






