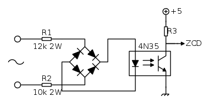
Finalmente sono riuscito a leggere gli articoli di IsidoroKZ che ho trovato davvero utili e soprattutto pratici che per uno con le mie conoscenze è tutt'altro che un dettaglio. Prima di realizzare il circuito del primo post ho pensato di realizzare questo
che dovrebbe darmi, se non ho sbagliato i calcoli, 10.4mA che scorrono nel led con una corrente di picco di 15mA. Dato che ho possibilità di usare l'oscilloscopio vorrei studiare il comportamento del circuito ma non ho mai collegato l'oscilloscopio a un circuito alimentato direttamente da rete: è sufficiente utilizzare un trasformatore d'isolamento che alimenta l'oscilloscopio o è necessario isolare dalla rete anche il circuito?
Dimensionamento circuito
Moderatori:
carloc,
g.schgor,
BrunoValente,
IsidoroKZ
16 messaggi
• Pagina 2 di 2 • 1, 2
0
voti
4
voti
Nell'ordine si possono fare le seguenti cose
1) Non fare misure su circuiti collegati direttamente alla rete. Nel tuo caso guarda che cosa capita sul fototransistor.
2) Se proprio bisogna farle, si usa una sonda di tensione differenziale (vedi ad esempio le foto qui)
3) Se proprio si vuole rischiare qualche scossone si isola l'alimentazione del circuito con un trasformatore di isolamento
4) MAI, IN NESSUN CASO, PER NESSUN MOTIVO si rende flottante un oscilloscopio che non lo e`
1) Non fare misure su circuiti collegati direttamente alla rete. Nel tuo caso guarda che cosa capita sul fototransistor.
2) Se proprio bisogna farle, si usa una sonda di tensione differenziale (vedi ad esempio le foto qui)
3) Se proprio si vuole rischiare qualche scossone si isola l'alimentazione del circuito con un trasformatore di isolamento
4) MAI, IN NESSUN CASO, PER NESSUN MOTIVO si rende flottante un oscilloscopio che non lo e`
Per usare proficuamente un simulatore, bisogna sapere molta più elettronica di lui
Plug it in - it works better!
Il 555 sta all'elettronica come Arduino all'informatica! (entrambi loro malgrado)
Se volete risposte rispondete a tutte le mie domande
Plug it in - it works better!
Il 555 sta all'elettronica come Arduino all'informatica! (entrambi loro malgrado)
Se volete risposte rispondete a tutte le mie domande
0
voti
Ok, io non ho una sonda differenziale perciò non posso effettuare quel tipo di misurazione, ma allo stesso tempo se guardo cosa accade sul fototransistor non riesco a mettere in relazione uscita con ingresso, mi aspetto impulsi con frequenza 100 Hz ma non posso sapere quando si verificano in relazione alla sinusoide di rete.
Ho un trasformatore 230 - 230 800VA che potrei usare per alimentare il circuito lasciando collegata la terra dell'oscilloscopio, a parte se tocco il circuito o qualche parte metallica dello strumento, che rischi si correrebbero?
Ho un trasformatore 230 - 230 800VA che potrei usare per alimentare il circuito lasciando collegata la terra dell'oscilloscopio, a parte se tocco il circuito o qualche parte metallica dello strumento, che rischi si correrebbero?
0
voti
Un trasformatore di isolamento e un trasformatore normale sono cose diverse: nel secondo ad esempio manca lo schermo fra primario e secondario.
Con un trasformatore di isolamento hai comunque tensioni elevate sull'uscita, con quel trasformatore poi puoi avere una corrente disponibile sul secondario molto elevata, in caso di cortocircuito fai danni.
Potresti usare un piccolo trasformatore 230V- 12V+12V e abbassare di un fattore 10 le resistenze: il comportamento e` quasi come quello del circuito originario.
Con un trasformatore di isolamento hai comunque tensioni elevate sull'uscita, con quel trasformatore poi puoi avere una corrente disponibile sul secondario molto elevata, in caso di cortocircuito fai danni.
Potresti usare un piccolo trasformatore 230V- 12V+12V e abbassare di un fattore 10 le resistenze: il comportamento e` quasi come quello del circuito originario.
Per usare proficuamente un simulatore, bisogna sapere molta più elettronica di lui
Plug it in - it works better!
Il 555 sta all'elettronica come Arduino all'informatica! (entrambi loro malgrado)
Se volete risposte rispondete a tutte le mie domande
Plug it in - it works better!
Il 555 sta all'elettronica come Arduino all'informatica! (entrambi loro malgrado)
Se volete risposte rispondete a tutte le mie domande
0
voti
IsidoroKZ ha scritto:il comportamento e` quasi come quello del circuito originario.
Le prove che volevo fare erano a scopo didattico, quello che invece voglio realizzare (un giorno.........) prevede proprio l'uso di un trasformatore con secondario a bassa tensione. Tentare il collegamento diretto alla rete mi sarebbe stato utile per vedere le differenze tra i due circuiti, ad esempio la sinusoide in uscita da un trasformatore è in fase con la rete?
0
voti
Ho provato a cercare in rete, vi sono tante spiegazioni sul funzionamento del trasformatore sia ideale sia reale ma nessun documento chiarisce se la forma d'onda sul secondario è in fase con quella del primario, qualche link che spiega il concetto?
16 messaggi
• Pagina 2 di 2 • 1, 2
Chi c’è in linea
Visitano il forum: Nessuno e 195 ospiti

Elettrotecnica e non solo (admin)
Un gatto tra gli elettroni (IsidoroKZ)
Esperienza e simulazioni (g.schgor)
Moleskine di un idraulico (RenzoDF)
Il Blog di ElectroYou (webmaster)
Idee microcontrollate (TardoFreak)
PICcoli grandi PICMicro (Paolino)
Il blog elettrico di carloc (carloc)
DirtEYblooog (dirtydeeds)
Di tutto... un po' (jordan20)
AK47 (lillo)
Esperienze elettroniche (marco438)
Telecomunicazioni musicali (clavicordo)
Automazione ed Elettronica (gustavo)
Direttive per la sicurezza (ErnestoCappelletti)
EYnfo dall'Alaska (mir)
Apriamo il quadro! (attilio)
H7-25 (asdf)
Passione Elettrica (massimob)
Elettroni a spasso (guidob)
Bloguerra (guerra)



