Ho rivisto con calma gli ultimi messaggi ed i risultati sono i seguenti:
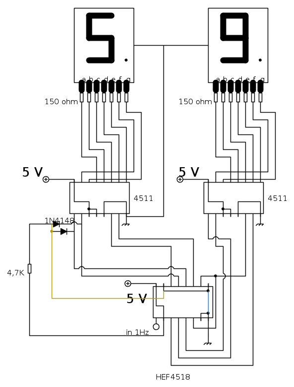
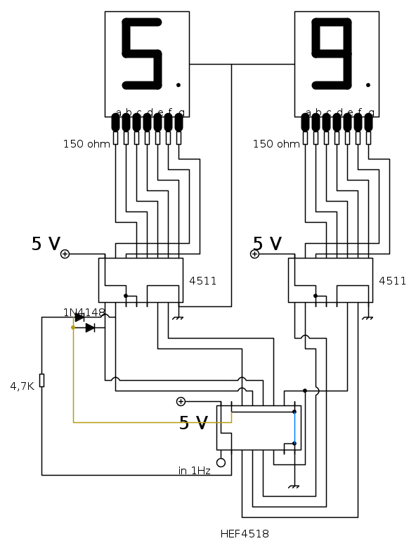
post [43] c'e' un errore nella connessione delle resistenze che ho corretto cosi':
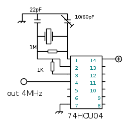
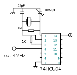
Ho poi aggiunto un condensatore variabile (ma questo e' facoltativo) che permette di correggere piccole differenze di oscillazione del quarzo.
Lo start/stop ed i divisori vanno bene, metti pero' tra alimentazione positiva e GND un condensatore da 0.1uF (su tutti).
Per il divisore per quattro ti ho gia' risposto.
Ora rivedo l'ultimo schema, che a prima vista contiene errori, e poi ti so dire.
Orologio digitale
Moderatori:
carloc,
g.schgor,
BrunoValente,
IsidoroKZ
2
voti
Hai sbagliato le connessioni del reset al sei; se colleghi i pin 7 e 15 a GND, il contatore non conta fino a 59 ma a 99. Quindi devi eliminare il collegamento in blu e connettere i diodi ai due pin di reset.
marco
1
voti
Questo post solo per farti notare che ho scritto due articoli proprio per evitare chili di domande sul forum.
Sei quindi pregato di leggerteli con attenzione, visto che ci troverai praticamente tutto quello che ti serve.
Posso comprendere che "qualcosa" possa essere di difficile comprensione ed in tal caso ti invito a chiedere chiarimenti, tuttavia - a parte l'oscillatore che e' una novita' - stiamo ripetendo voce per voce quanto gia' scritto.
Un ultimo suggerimento: gli schemi postati devono poter essere interpretati da tutti, anche i meno esperti, quindi cerca di indicare almeno la numerazione dei pin degli integrati.
Sei quindi pregato di leggerteli con attenzione, visto che ci troverai praticamente tutto quello che ti serve.
Posso comprendere che "qualcosa" possa essere di difficile comprensione ed in tal caso ti invito a chiedere chiarimenti, tuttavia - a parte l'oscillatore che e' una novita' - stiamo ripetendo voce per voce quanto gia' scritto.
Un ultimo suggerimento: gli schemi postati devono poter essere interpretati da tutti, anche i meno esperti, quindi cerca di indicare almeno la numerazione dei pin degli integrati.
marco
0
voti
però io ho adottato i display a catodo comune contro quelli dell articolo che, se non sbaglio, sono ad anodo comune ...
leggerle l' ho gia letto 3 volte.....
ma per ora avevo solo dei piccoli dubbi...
...i problemi piu grossi li ho nel disegno e lo sbroglio del circuito..

leggerle l' ho gia letto 3 volte.....
marco438 ha scritto:Posso comprendere che "qualcosa" possa essere di difficile comprensione ed in tal caso ti invito a chiedere chiarimenti
ma per ora avevo solo dei piccoli dubbi...

1
voti
Se non vado errato le connessioni delle 7447 e quelle del 4511 sono le stesse; quindi non dovrebbero esserci problemi in tal senso.
Per lo sbroglio aiutati con le foto dell'articolo, posiziona i componenti sulla basetta e cerca di rilevare le piste che, in parte, sono visibili.
Che non era un lavoro facile, lo avevo detto; serve tempo e pazienza.........
Per lo sbroglio aiutati con le foto dell'articolo, posiziona i componenti sulla basetta e cerca di rilevare le piste che, in parte, sono visibili.
Che non era un lavoro facile, lo avevo detto; serve tempo e pazienza.........
marco
0
voti
magari mi aiuto un po con multimboard...
questa volta sono ben determinato..
solo una domanda... ma per l' orologio hai usato due millefori 100x160 o di quale dimensione...?

marco438 ha scritto:Che non era un lavoro facile, lo avevo detto; serve tempo e pazienza.........
questa volta sono ben determinato..
solo una domanda... ma per l' orologio hai usato due millefori 100x160 o di quale dimensione...?

0
voti
Si ho adoperato due millefori 100x160; una, quella dei display, l'ho poi tagliata per togliere l'eccedenza inutile.
Lascia perdere i software per lo sbroglio; credo possano solo confonderti le idee.
Mi viene ora in mente una cosa: ho visto che hai disegnato la 4518 mettendo come ingresso il pin 1.
Questa soluzione e' sconsigliabile e l'ho fatto notare nell'articolo; se lo hai letto, sai il perche'.
Lascia perdere i software per lo sbroglio; credo possano solo confonderti le idee.
Mi viene ora in mente una cosa: ho visto che hai disegnato la 4518 mettendo come ingresso il pin 1.
Questa soluzione e' sconsigliabile e l'ho fatto notare nell'articolo; se lo hai letto, sai il perche'.
marco
0
voti
marco438 ha scritto: ho visto che hai disegnato la 4518 mettendo come ingresso il pin 1.
Questa soluzione e' sconsigliabile e l'ho fatto notare nell'articolo; se lo hai letto, sai il perche'
mi deve essere sfuggito...

Chi c’è in linea
Visitano il forum: Nessuno e 186 ospiti

Elettrotecnica e non solo (admin)
Un gatto tra gli elettroni (IsidoroKZ)
Esperienza e simulazioni (g.schgor)
Moleskine di un idraulico (RenzoDF)
Il Blog di ElectroYou (webmaster)
Idee microcontrollate (TardoFreak)
PICcoli grandi PICMicro (Paolino)
Il blog elettrico di carloc (carloc)
DirtEYblooog (dirtydeeds)
Di tutto... un po' (jordan20)
AK47 (lillo)
Esperienze elettroniche (marco438)
Telecomunicazioni musicali (clavicordo)
Automazione ed Elettronica (gustavo)
Direttive per la sicurezza (ErnestoCappelletti)
EYnfo dall'Alaska (mir)
Apriamo il quadro! (attilio)
H7-25 (asdf)
Passione Elettrica (massimob)
Elettroni a spasso (guidob)
Bloguerra (guerra)




