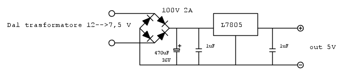
però non mi sono ben chiari i componenti che si trovano in questo schema...
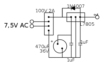
confrontati con lo schema normale:
dovrebbe essere cosi...??
però mi mancano i valori della resistenza e del rettangolo sulla sinistra che non so cosa sia...

Moderatori:
carloc,
g.schgor,
BrunoValente,
IsidoroKZ

dimitri94 ha scritto:però non mi sono ben chiari i componenti che si trovano in questo schema...
dimitri94 ha scritto:è uguale se si toglie la resistenza ed il potenziometro... credo...

Visitano il forum: Google Adsense [Bot] e 68 ospiti