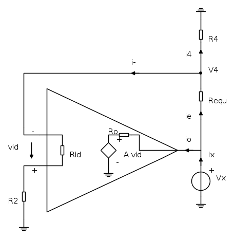
darkweader ha scritto:Quel Load Resistence, cosa sta a significare, la resistenza equivalente che risulta ai morsetti dell'oamp?
La resistenza di carico dell'opamp, quella vista dai terminali di uscita. Quanto vale per il tuo circuito?
Moderatori:
carloc,
g.schgor,
BrunoValente,
IsidoroKZ
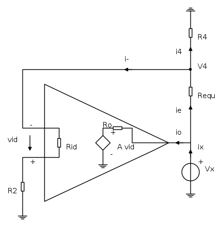
darkweader ha scritto:Quel Load Resistence, cosa sta a significare, la resistenza equivalente che risulta ai morsetti dell'oamp?
instead of
(Anonimo).
ain't
, right?
in lieu of
.
for
arithm.



, fa questo perché comunque sarebbe una corrente trascurabile, oppure ho capito male?

darkweader ha scritto:l
Tra l'altro Rid nell'LT1191 è 70K, non è poi questa impedenza cosi elevata...


instead of
(Anonimo).
ain't
, right?
in lieu of
.
for
arithm.

DirtyDeeds ha scritto:La resistenza di carico dell'opamp, quella vista dai terminali di uscita.



, determina la corrente
indicata qua sotto (
e
sono fasori).
instead of
(Anonimo).
ain't
, right?
in lieu of
.
for
arithm.


deve essere uguale a 3 da questo si evince che 

, da questo poi si risolve facilmente il circuito





quindi non 
poi risolvo facilmente il circuito... prima di postare tutti i calcoli visto che ci metterò un bel po', vorrei sapere se è corretto, e il perché secondo voi il libro fa quelle considerazioni

darkweader ha scritto:In questo caso mi sorgono dei dubbi quando vado a calcolare
non sono, ovviamente, uguali
instead of
(Anonimo).
ain't
, right?
in lieu of
.
for
arithm.

Visitano il forum: Nessuno e 60 ospiti