Vedo che non hai considerato il suggerimento che ti avevo dato nel post [16]. Durante un viaggio in treno, dato che mi annoiavo, ho pensato di giocare un po' con questo oscillatore e sull'analisi della rete di controllo del guadagno. Ecco cosa ne è uscito. Devo ammettere che ho fatto un po' di fatica a scrivere questo post... alla fine è venuto immenso...
Non è un'analisi completa, ma solo un abbozzo di primo ordine. Magari, quando hai capito come calcolare la resistenza di carico vista dall'operazionale e risolto il tuo problema di assimmetria, puoi cercare di capire questa analisi. Magari ti potrebbe servire
---------------------------------------------------
MODALITA' FORMULE INCOMPRENSIBILI ON
---------------------------------------------------
Ipotesi 1: Supponiamo che l'uscita dell'oscillatore sia sinusoidale alla frequenza determinata dalla rete di Wien:

.
Questa è un'ipotesi semplificativa pericolosa. In particolare, occorre stare attenti che le tensioni d'ampiezza richieste siano inferiori alla saturazione dell'operazionale.
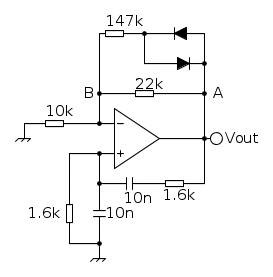
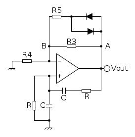
Il circuito in analisi è il seguente.
Ipotesi 2: Supponiamo che la distorsione introdotta dal ramo non lineare sia trascurabile e quindi possiamo assumere con buona approssimazione che

.
Sotto tali ipotesi abbiamo che ai capi di

la tensione sarà descritta in un periodo dalle relazioni

quando


quando


altrimenti.
LA situazione è rappresentata in questa figura:
Considerando solo il primo semiperiodo, dalla figura precedente abbiamo che

se

o se

da dove si ricava facilmente anche che

Per cercare di linearizzare il circuito ed ottenere un modello da utilizzare per la progettazione, scomponiamo la tensione ai capi di

in serie di Fourier, scegliendo la base trigonometrica reale che risulta più conveniente. In pratica vogliamo scrivere la tensione su

come
![v_{R_5}(t) = a_0+ \sum_{n=1}^\infty\left[a_n\cos(n\omega t)+b_n\sin(n \omega t)\right] v_{R_5}(t) = a_0+ \sum_{n=1}^\infty\left[a_n\cos(n\omega t)+b_n\sin(n \omega t)\right]](/forum/latexrender/pictures/782029728febd21ea11bb5cc0270d48f.png)
.
Nel problema abbiamo supposto il segnale "alternato" e quindi

.
Dato che la funzione

è dispari si ha anche

Per quanto riguarda i coefficienti

, questi devono essere invece calcolati.
L'ampiezza della prima armonica della tensione su

, considerando la simmetria della funzione in oggetto, sarà quindi data

da cui, svolgendo i calcoli che non riporto e se non ho sbagliato, dovrebbe uscire una cosa del genere:

.
Ora, ricordando appunto che

e che

possiamo manipolare l'espressione di

ottenendo, sempre se non ho sbagliato i conti,
![b_1=\frac{4}{\pi}V_{AB}\left[ \frac{\pi}{4} -\frac{1}{2}\sqrt{1-\left(\frac{V_D}{V_{AB}}\right)^2}\frac{V_D}{V_{AB}}-\frac{1}{2}\arcsin{\frac{V_D}{V_{AB}}} \right] b_1=\frac{4}{\pi}V_{AB}\left[ \frac{\pi}{4} -\frac{1}{2}\sqrt{1-\left(\frac{V_D}{V_{AB}}\right)^2}\frac{V_D}{V_{AB}}-\frac{1}{2}\arcsin{\frac{V_D}{V_{AB}}} \right]](/forum/latexrender/pictures/7b3480b4f80c72d807e89ebed970b254.png)
Abbiamo quindi trovato l'ampiezza della prima armonica della tensione su

e abbiamo scoperto pure che essa è in fase con la tensione

(perché

). La prima armonica di corrente che scorre sul ramo non lineare sarà dunque
ed è pure lei in fase con

. Ma se un ramo assorbe una corrente in fase con la tensione, allora questa ha un comportamento resistivo equivalente di valore

da cui, sostituendo, ricaviamo
![\frac{R_5}{R_{eq}}=\frac{4}{\pi}\left[ \frac{\pi}{4} -\frac{1}{2}\sqrt{1-\left(\frac{V_D}{V_{AB}}\right)^2}\frac{V_D}{V_{AB}}-\frac{1}{2}\arcsin{\frac{V_D}{V_{AB}}} \right] \frac{R_5}{R_{eq}}=\frac{4}{\pi}\left[ \frac{\pi}{4} -\frac{1}{2}\sqrt{1-\left(\frac{V_D}{V_{AB}}\right)^2}\frac{V_D}{V_{AB}}-\frac{1}{2}\arcsin{\frac{V_D}{V_{AB}}} \right]](/forum/latexrender/pictures/ac7a902b472bc04422da823e6fea6ffe.png)
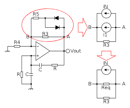
Le restanti armoniche di tensione (che sono solo dispari, data la simmetria del problema) producono delle armoniche di corrente che scorrono in

. Possiamo considerare nel nostro modello la somma di tutte queste correnti immaginandole impresse da un generatore di corrente equivalente che chiamiamo

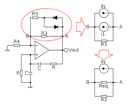
. In pratica, quello che abbiamo fatto in tutta questa vagonata di conti è esprimibile graficamente come segue:
Ricordando l'ipotesi 2: Supponiamo trascurabili le armoniche superiori di corrente; in pratica spegniamo

. Sarà vera questa cosa?

Sarebbe da verificarlo!
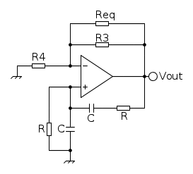
Il circuito equivalente di lavoro sarà ora questo ed è pure lineare:
LA condizione di oscillazione impone che

.
Fissato il

voluto, si ricava la

e quindi, conoscendo la tensione di caduta dei diodi, si stima il rapporto

.
Fissato un valore

, si impone che il guadagno dell'amplificatore sia leggermente maggiore (quanto? un 10-15%?) di 3 quando i diodi non sono in conduzione per garantire lo start-up. di fatto si sta dicendo di scegliere

.
La condizione di oscillazione si ha se

da cui si può determinare il valore di

e successivamente quello di

.
I valori dei componenti dipendono dalla scelta iniziale di

. Nel caso servisse, si possono semplicemente riscalare dato che il circuito, in via teorica, è dipendente solo da prodotti e rapporti dei valori delle resistenze

,

e

.
Verifichiamo se la vagonata di calcoli che abbiamo fatto funziona.
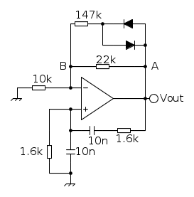
Esempio.Si dimensioni un oscillatore a ponte di Wien con
Consideriamo per le simulazioni un modello abbastanza ideale del diodo, che considera una caduta di 0.7V in conduzione diretta:
- Codice: Seleziona tutto
Ron=.1 Roff=10Meg Vfwd=0.7
L'operazionale viene modellizzato invece come segue:
- Codice: Seleziona tutto
Avol=1Meg GBW=10Meg Slew=10Meg
ilimit=25m rail=1.5 Vos=0 phimargin=45
en=0 enk=0 in=0 ink=0 Rin=500Meg
Dimensionando secondo quanto indicato sopra, otteniamo il circuito seguente:
e la simulazione risulta:

- Wien.png (33.68 KiB) Osservato 2024 volte
Funziona. Ovviamente, mano a mano che introduciamo non idealità, cadono le ipotesi di analisi e il risultato si distanzia da quello teorico.
Con ragionamenti simili si può ricavare un'analisi anche per l'altra rete di controllo dell'ampiezza.
Questo è un abbozzo di analisi. Da qui si potrebbe partire a fare molte altre considerazioni, anche come suggerito da
DirtyDeeds.
PS: questo metodo non me lo sono inventato io, ma è un modo abbastanza in uso per valutare reti non lineari come quella in oggetto. Se guardi in giro, magari trovi qualche documento con analisi simili. Mi pare di averne viste in giro...
PSS: Non credo vi siano errori di calcolo, ma se dovessero esservene, me ne scuso.