Buonasera a tutti,
avrei bisogno di una piccola speigazione (cortesemente): il circuito che ho allegato si comporta in un modo che non riesci a capire:
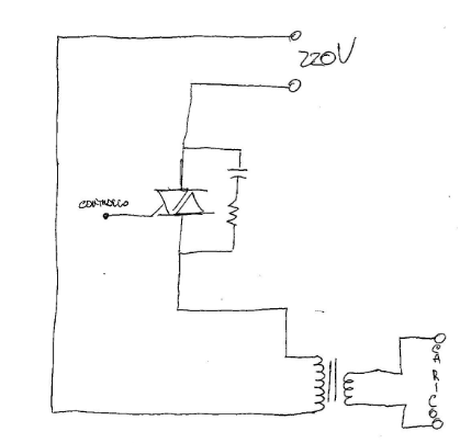
quando il gate del triac è inattivo, e il carico sul secondario del trasformatore è collegato (carico resistivo), misuro sul primario del trasformatore 0V, mentre quando il carico è scollegato misuro circa 130V.
Ho dato la colpa allo snubber che c'è tra MT1 e MT2 e infatti se lo tolgo la tensione va a 0V in entrambi i casi: ma PERCHE?
Grazie!
Comportamento snubber
Moderatori:
carloc,
g.schgor,
BrunoValente,
IsidoroKZ
11 messaggi
• Pagina 1 di 2 • 1, 2
0
voti
- Allegati
-
- Scusate è un po rozzo...
- Immagine.png (27.38 KiB) Osservato 3671 volte
-

MARCO VARONE
10 3 - New entry

- Messaggi: 51
- Iscritto il: 2 ago 2007, 9:10
0
voti
Perche' quando il triac non e` attivo e` come se fosse un circuito aperto, puoi toglierlo.
Il primario del trasformatore e` alimentato attraverso una impedenza formata dall'RC serie, e con l'induttanza di magnetizzazione del trasformatore hai un partitore di tensione che fa si` che ci sia tensione sul primario.
QUando colleghi il carico, questo attraverso il rapporto spire al quadrato viene portato sul primario, va in parallelo all'induttanza di magnetizzazione, quasi sempre l'impedenza scende di parecchio e la tensione sul primario va quasi a zero.
Il primario del trasformatore e` alimentato attraverso una impedenza formata dall'RC serie, e con l'induttanza di magnetizzazione del trasformatore hai un partitore di tensione che fa si` che ci sia tensione sul primario.
QUando colleghi il carico, questo attraverso il rapporto spire al quadrato viene portato sul primario, va in parallelo all'induttanza di magnetizzazione, quasi sempre l'impedenza scende di parecchio e la tensione sul primario va quasi a zero.
Per usare proficuamente un simulatore, bisogna sapere molta più elettronica di lui
Plug it in - it works better!
Il 555 sta all'elettronica come Arduino all'informatica! (entrambi loro malgrado)
Se volete risposte rispondete a tutte le mie domande
Plug it in - it works better!
Il 555 sta all'elettronica come Arduino all'informatica! (entrambi loro malgrado)
Se volete risposte rispondete a tutte le mie domande
0
voti
Grazie!
Ma non capisco bene il discorso di magnetizzazione sul primario...potresti cortesemente spiegarmelo?
Grazie
Ma non capisco bene il discorso di magnetizzazione sul primario...potresti cortesemente spiegarmelo?
Grazie
-

MARCO VARONE
10 3 - New entry

- Messaggi: 51
- Iscritto il: 2 ago 2007, 9:10
0
voti
Che cosa sai di modelli elettrici dei trasformatori? Che cosa hai studiato? Il tutto serve per graduare la risposta.
Per usare proficuamente un simulatore, bisogna sapere molta più elettronica di lui
Plug it in - it works better!
Il 555 sta all'elettronica come Arduino all'informatica! (entrambi loro malgrado)
Se volete risposte rispondete a tutte le mie domande
Plug it in - it works better!
Il 555 sta all'elettronica come Arduino all'informatica! (entrambi loro malgrado)
Se volete risposte rispondete a tutte le mie domande
0
voti
Ho studiato elettronica all'itis ma ammetto di essere un po' arrugginito soprattutto per quanto riguarda formule matematiche .....
-

MARCO VARONE
10 3 - New entry

- Messaggi: 51
- Iscritto il: 2 ago 2007, 9:10
5
voti
Un trasformatore reale puo` essere pensato come un trasformatore ideale con un po' di elementi attorno che rappresentano le sue non idealita`. In particolare il primo elemento di non idealita` che serve qui e` l'induttanza di magnetizzazione: in pratica il trasformatore vero e` come se fosse ideale ma con una grossa induttanza in parallelo al primario:
L'induttanza Lm e` l'induttanza di magnetizzazione, e` sempre presente e quando applichi tensione consuma un po' di corrente.
Quando metti in serie il triac spento e lo snubber hai questo circuito e sul primario salta fuori la tensione data dal partitore di Rsn, Csn e Lm
Se adesso aggiungi un carico Z sul secondario del trasformatore, questo viene riflesso sul primario con una impedenza
che va in parallelo a Lm, cambia il rapporto di trasformazione e la tensione sul primario si abbassa.
L'induttanza Lm e` l'induttanza di magnetizzazione, e` sempre presente e quando applichi tensione consuma un po' di corrente.
Quando metti in serie il triac spento e lo snubber hai questo circuito e sul primario salta fuori la tensione data dal partitore di Rsn, Csn e Lm
Se adesso aggiungi un carico Z sul secondario del trasformatore, questo viene riflesso sul primario con una impedenza
che va in parallelo a Lm, cambia il rapporto di trasformazione e la tensione sul primario si abbassa.Per usare proficuamente un simulatore, bisogna sapere molta più elettronica di lui
Plug it in - it works better!
Il 555 sta all'elettronica come Arduino all'informatica! (entrambi loro malgrado)
Se volete risposte rispondete a tutte le mie domande
Plug it in - it works better!
Il 555 sta all'elettronica come Arduino all'informatica! (entrambi loro malgrado)
Se volete risposte rispondete a tutte le mie domande
0
voti
Grazie mille!! Ora e' molto chiaro. sinceramente non sapevo che il carico del seccondario di un rasformatore poteva essere concatenao al primario..
Domanda:se collego il carico di "x ohm" sul secondario, con il circuito non alimentato, leggero' sul primario una resistenza parii a quella ottenuta con la fformula del traformatore?
Domanda:se collego il carico di "x ohm" sul secondario, con il circuito non alimentato, leggero' sul primario una resistenza parii a quella ottenuta con la fformula del traformatore?
-

MARCO VARONE
10 3 - New entry

- Messaggi: 51
- Iscritto il: 2 ago 2007, 9:10
1
voti
Dipende da come la misuri. Se la misuri alla frequenza di funzionamento del trasformatore si`, leggi la resistenza riportata al primario con l'induttanza di magnetizzazione in parallelo.
Se fai la misura in continua no, leggi la resistenza del filo del primario.
Se fai la misura in continua no, leggi la resistenza del filo del primario.
Per usare proficuamente un simulatore, bisogna sapere molta più elettronica di lui
Plug it in - it works better!
Il 555 sta all'elettronica come Arduino all'informatica! (entrambi loro malgrado)
Se volete risposte rispondete a tutte le mie domande
Plug it in - it works better!
Il 555 sta all'elettronica come Arduino all'informatica! (entrambi loro malgrado)
Se volete risposte rispondete a tutte le mie domande
0
voti
Scusa ma avrei un'altra curiosità:
esiste uno strumento in grado di fare quella misurazione di impedenza?
Grazie
esiste uno strumento in grado di fare quella misurazione di impedenza?
Grazie
-

MARCO VARONE
10 3 - New entry

- Messaggi: 51
- Iscritto il: 2 ago 2007, 9:10
11 messaggi
• Pagina 1 di 2 • 1, 2
Chi c’è in linea
Visitano il forum: Nessuno e 352 ospiti

Elettrotecnica e non solo (admin)
Un gatto tra gli elettroni (IsidoroKZ)
Esperienza e simulazioni (g.schgor)
Moleskine di un idraulico (RenzoDF)
Il Blog di ElectroYou (webmaster)
Idee microcontrollate (TardoFreak)
PICcoli grandi PICMicro (Paolino)
Il blog elettrico di carloc (carloc)
DirtEYblooog (dirtydeeds)
Di tutto... un po' (jordan20)
AK47 (lillo)
Esperienze elettroniche (marco438)
Telecomunicazioni musicali (clavicordo)
Automazione ed Elettronica (gustavo)
Direttive per la sicurezza (ErnestoCappelletti)
EYnfo dall'Alaska (mir)
Apriamo il quadro! (attilio)
H7-25 (asdf)
Passione Elettrica (massimob)
Elettroni a spasso (guidob)
Bloguerra (guerra)



