Il libro (scritto dal prof) non aiuta moltissimo, anzi
Grazie
Moderatori:
g.schgor,
IsidoroKZ


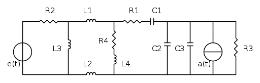
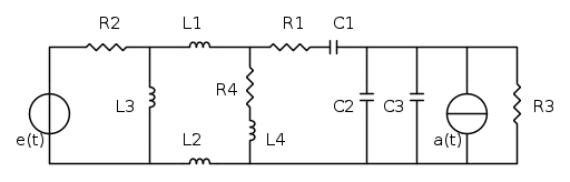
Nico89 ha scritto:RenzoDF io per grafo intendo il tracciamento di albero e coalbero ...

Torna a Elettrotecnica generale
Visitano il forum: Nessuno e 45 ospiti