Cos'è ElectroYou | Login Iscriviti

ElectroYou - la comunità dei professionisti del mondo elettrico

pilotare dei led a corrente costante

Elettronica lineare e digitale: didattica ed applicazioni

Moderatori: Foto Utentecarloc, Foto Utenteg.schgor, Foto UtenteBrunoValente, Foto UtenteIsidoroKZ

0
voti

[1] pilotare dei led a corrente costante

Messaggioda Foto Utentedimitri94 » 25 giu 2012, 11:54

Innanzitutto ciao a tutti O_/ O_/
avendo ancora qualche giornata di tempo prima della ripresa di un progetto a cui sto lavorando ho deciso di fare un circuito che data una tensione variabile mi piloti dei led (20 per la precisione) a corrente costante.
combinazione sono capitato sull articolo scritto da Foto Utenteposta10100 a questo riguardo..
però per mia ignoranza non ho molto afferrato... :oops: :oops:
il mio caso è il seguente:
- 10 serie da 2 led tutte in parallelo
- alimentazione prelevata dal regolatore di tensione della moto che se non sbaglio mi fornisce tra 11 e 13 V (quando arrivo a casa misuro meglio per essere sicuri :-) )
...vorrei accendere i led alla loro massima luminosità possibile utilizzando questo circuito...
però ho due dubbi che speravo qualcuno potesse chiarire... :-)
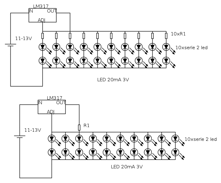
- il primo è sullo schema, in quanto presumo che sia più giusto il secondo (ma vi chiedo per sicurezza)

- il secondo riguarda il dimensionamento, data la formula teorica Vi>Vled1+Vled2+Vled3...+3+1,25
sostituendo i valori dovrebbe venire una cosa del genere
Vi> (4Vx10)+3V+1,25V
quindi Vi > 44,25V
però no ha senso... (secondo me sto sparando tanti di quei strafalcioni :mrgreen: )
qualcuno può aiutarmi..?
grazie anticipatamente
O_/
Avatar utente
Foto Utentedimitri94
113 5 7
Sostenitore
Sostenitore
 
Messaggi: 515
Iscritto il: 10 gen 2012, 20:46

0
voti

[2] Re: pilotare dei led a corrente costante

Messaggioda Foto UtenteCandy » 25 giu 2012, 12:06

Il secondo schema è in verità il più sbagliato. Il primo avrebbe molto più successo.
Se devi fare più stringhe in parallelo tra loro, è lo schema giusto. Il regolatore dovrà essere configurato a tensione costante e le resistenze saranno poi tutte uguali tra loro.
Visto che a monte hai almeno 11 V c.c. di alimentazione, io però metterei almeno tre LED in serie tra loro. Perché solo due? E' uno spreco energetico inutile.

Rifai lo schema, con LM317 a tensione costante, poi metteremo dei valori.
Avatar utente
Foto UtenteCandy
32,5k 7 10 13
CRU - Account cancellato su Richiesta utente
 
Messaggi: 10123
Iscritto il: 14 giu 2010, 22:54

0
voti

[3] Re: pilotare dei led a corrente costante

Messaggioda Foto Utentedimitri94 » 25 giu 2012, 13:39

candy ha scritto:io però metterei almeno tre LED in serie tra loro. Perché solo due? E' uno spreco energetico inutile.

potessi lo farei solo che ho gia tutti i led montati su canalina e quindi non posso modificarli... :?
candy ha scritto:Rifai lo schema, con LM317 a tensione costante

quindi dici questo..? :-)

O_/
Avatar utente
Foto Utentedimitri94
113 5 7
Sostenitore
Sostenitore
 
Messaggi: 515
Iscritto il: 10 gen 2012, 20:46

0
voti

[4] Re: pilotare dei led a corrente costante

Messaggioda Foto UtenteCandy » 25 giu 2012, 13:51

Se la memoria non mi inganna, con quello schema non accendi nessun LED. La memoria mi dice il regolatore condiziona OUT affinchè sul terminale ADJ rilevi una tensione di 1.25\,\text{V}; e non mi sembra affatto questa la condizione.
No, come mimino occorrono altre due resistenze, come partitore, per avere una tensione di 11\,\text{V} sul terminale OUT ed, appunto, 1.25\,\text{V} sul terminale ADJ. Poi, dal terminale OUT potrai alimentare i LED.

Controlla il datasheet del regolatore LM317, correggi lo schema, poi lo completeremo.
Avatar utente
Foto UtenteCandy
32,5k 7 10 13
CRU - Account cancellato su Richiesta utente
 
Messaggi: 10123
Iscritto il: 14 giu 2010, 22:54

0
voti

[5] Re: pilotare dei led a corrente costante

Messaggioda Foto Utentefantom2002 » 25 giu 2012, 13:56

- il secondo riguarda il dimensionamento, data la formula teorica Vi>Vled1+Vled2+Vled3...+3+1,25
sostituendo i valori dovrebbe venire una cosa del genere
Vi> (4Vx10)+3V+1,25V
quindi Vi > 44,25V

e chi l'ha scritta questa formula? se le 10 serie di led sono in parallelo tra loro, la tensione ai loro capi sarà sempre la stessa, quindi la formula deve tener conto solo della caduta di tensione sui due led (oltre a quella sulla resistenza ad esse in serie)
Avatar utente
Foto Utentefantom2002
398 2 8
Expert
Expert
 
Messaggi: 422
Iscritto il: 4 mag 2007, 9:12
Località: Monza

0
voti

[6] Re: pilotare dei led a corrente costante

Messaggioda Foto Utentedimitri94 » 25 giu 2012, 14:06

candy ha scritto:Controlla il datasheet del regolatore LM317, correggi lo schema

ho guardato e ho modificato lo schema in base al circuito che c è in alto a sinistra a pagina 9...
ho fatto giusto..?
mi scuso per eventuali errori... :-)
fantom2002 ha scritto:e chi l'ha scritta questa formula? se le 10 serie di led sono in parallelo tra loro, la tensione ai loro capi sarà sempre la stessa, quindi la formula deve tener conto solo della caduta di tensione sui due led (oltre a quella sulla resistenza ad esse in serie)

lo sapevo... ho scritto uno strafalcione... :mrgreen: :mrgreen: :mrgreen:
Avatar utente
Foto Utentedimitri94
113 5 7
Sostenitore
Sostenitore
 
Messaggi: 515
Iscritto il: 10 gen 2012, 20:46


Torna a Elettronica generale

Chi c’è in linea

Visitano il forum: Nessuno e 111 ospiti