Cos'è ElectroYou | Login Iscriviti

ElectroYou - la comunità dei professionisti del mondo elettrico

Unire, quando necessario, coppia di batterie

Elettronica lineare e digitale: didattica ed applicazioni

Moderatori: Foto Utentecarloc, Foto Utenteg.schgor, Foto UtenteBrunoValente, Foto UtenteIsidoroKZ

0
voti

[1] Unire, quando necessario, coppia di batterie

Messaggioda Foto UtenteCobra47 » 26 giu 2012, 12:32

Ciao a tutti ragazzi,
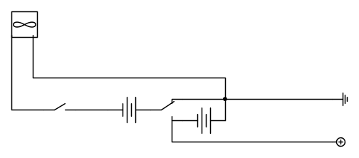
essendo poco esperto in elettronica ma solo per pura passione, ho assemblato delle pile ricaricabili 4508013 Ni-MH da 1.2V 160mAh ciascuna, costruendo due pacchi di batterie, uno da 4.8V ed un altro da 6V. Vorrei sapere, collegato un dispositivo con la sola batteria da 4.8V, se volessi fornire più potenza al dispositivo stesso (è una ventola la cui tensione di lavoro è da 3.3V a 12V), con l'utilizzo di uno switch a tre posizioni (OFF; tensione a 4.8V; tensione a 10.8V), potrei accoppiare i 6V dell'altra batteria ottenendo quindi 10.8V da sfruttare su di esso? Come dovrebbe essere lo schema da seguire? Vi ringrazio in anticipo :D

P.S.: Per caricare le batterie, vorrei inserire un jack il quale, collegato ad un caricabatterie, riesca a caricarle entrambe (cioè batterie --> 10.8V --> jack --> caricabatterie)
Avatar utente
Foto UtenteCobra47
20 2
 
Messaggi: 34
Iscritto il: 22 giu 2012, 18:19

0
voti

[2] Re: Unire, quando necessario, coppia di batterie

Messaggioda Foto UtenteCobra47 » 26 giu 2012, 17:03

Ho fatto questo schema, solo nell'intento di dare un'idea a ciò che ho scritto in precedenza. :-)
Avatar utente
Foto UtenteCobra47
20 2
 
Messaggi: 34
Iscritto il: 22 giu 2012, 18:19


Torna a Elettronica generale

Chi c’è in linea

Visitano il forum: Nessuno e 151 ospiti