Salve a tutti,
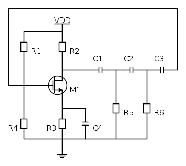
dovrei dimensionare questo circuito in modo che il guadagno Av=29
Gli unici tre dati sono VDD=5V, VTO=0.7 e Lambda=0.04
L'assistente del prof mi ha detto di prendere VDSsat=5% VDD, quindi VGS=VDSsat+VTO,
e di considerare Vd=VDD/2
Io ho cercato di ricavarmi la VDS effettiva dalla formula del guadagno Av=-gm R2//ro=29
considerando le formule
gm= k(VGS-VTO)(1+λVDS)
R2= (VDD-VD)/ID
ro= [λk/2 (VGS-VTO)^2]^-1
ID= k/2 (VGS-VTO)^2 (1+λVDS)
Facendo i calcoli, la k si semplifica e mi rimane come unica incognita la VDS. Il problema è che mi viene negativa e, comunque, un valore impossibile.
quindi vorrei chiedervi se ho sbagliato nell'approccio oppure se il problema dovrebbe essere nei calcoli (anche se non credo visto che li ho rifatti)?
Dimensionare nMos
Moderatori:
carloc,
g.schgor,
BrunoValente,
IsidoroKZ
0
voti
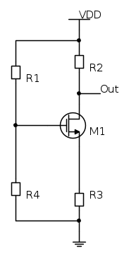
MJ990 ha scritto:dovrei dimensionare questo circuito in modo che il guadagno Av=29
E l'ingresso 'ndo sta?
It's a sin to write
instead of
(Anonimo).
...'cos you know that
ain't
, right?
You won't get a sexy tan if you write
in lieu of
.
Take a log for a fireplace, but don't take
for
arithm.
instead of
(Anonimo)....'cos you know that
ain't
, right?You won't get a sexy tan if you write
in lieu of
.Take a log for a fireplace, but don't take
for
arithm.-

DirtyDeeds
55,9k 7 11 13 - G.Master EY

- Messaggi: 7012
- Iscritto il: 13 apr 2010, 16:13
- Località: Somewhere in nowhere
0
voti
il fatto è che questo è il circuito per lo studio in DC, il circuito completo è più ampio, ma per prima cosa devo dimensionare questa parte e trovare i parametri differenziali per poter poi fare lo studio del guadagno a ciclo chiuso
0
voti
Credo tu non abbia fornito tutte le informazioni necessarie.
Comunque sollecitare risposte, su questo forum non e' gradito; chi e' in grado di farlo, lo fara' quando potra'.
Comunque sollecitare risposte, su questo forum non e' gradito; chi e' in grado di farlo, lo fara' quando potra'.
marco
1
voti
Fammi indovinare: non starai mica facendo un oscillatore a rete di sfasamento?
Comunque, se vuoi un aiuto, credo sia opportuno che tu posti tutto lo schema completo in FidocadJ e in LaTex il procedimento che tu proponi per il dimensionamento, anche con i numeri...
Non ti preoccupare, anche se non è il mio caso, credo che ci sia in gente che riesca a vedere lo schema DC anche osservando il circuito completo
.
Comunque, se vuoi un aiuto, credo sia opportuno che tu posti tutto lo schema completo in FidocadJ e in LaTex il procedimento che tu proponi per il dimensionamento, anche con i numeri...
MJ990 ha scritto:...il fatto è che questo è il circuito per lo studio in DC, il circuito completo è più ampio...
Non ti preoccupare, anche se non è il mio caso, credo che ci sia in gente che riesca a vedere lo schema DC anche osservando il circuito completo
.-

EnChamade
6.498 2 8 12 - G.Master EY

- Messaggi: 588
- Iscritto il: 18 giu 2009, 12:00
- Località: Padova - Feltre
0
voti
EnChamade ha scritto:Fammi indovinare: non starai mica facendo un oscillatore a rete di sfasamento?![]()
![]()
![]()
![]()
Secondo me sta anche facendo elettronica delle telecomunicazioni ad Ancona con il prof. Turchetti!
E non ci ha detto che sul source c'e` un condensatore che mette il source al riferimento, cosi` il guadago non dipende dalla R3.
Per usare proficuamente un simulatore, bisogna sapere molta più elettronica di lui
Plug it in - it works better!
Il 555 sta all'elettronica come Arduino all'informatica! (entrambi loro malgrado)
Se volete risposte rispondete a tutte le mie domande
Plug it in - it works better!
Il 555 sta all'elettronica come Arduino all'informatica! (entrambi loro malgrado)
Se volete risposte rispondete a tutte le mie domande
0
voti
Scrivere tutte le equazioni e poi risolverle non e` quasi mai un buon metodo, per svariati motivi. Uno e` che non ci si rende conto di che cosa si sta facendo, chi influenza che cosa... l'altro e` che se le ipotesi non vanno bene si puo` solo contemplare un risultato assurdo (come in questo caso).
Proverei un approccio di questo genere, ma devi rispondere in modo completo e preciso a tutte le domande che faccio.
0) Suppongo la tensione di source costante (condensatore sul source)
1) In condizioni a riposo, qual e` la caduta di tensione sulla resistenza R2?
2) Supponiamo di portare il MOS verso l'interdizione: la tensione ai capi di R2 scende a 0V. Di quanto vuoi che la tensione di gate per ottenere questo risultato?
3) Quanto sara` il valore di VGS quando la tensione ai capi di R2 e` scesa a 0V?
Proverei un approccio di questo genere, ma devi rispondere in modo completo e preciso a tutte le domande che faccio.
0) Suppongo la tensione di source costante (condensatore sul source)
1) In condizioni a riposo, qual e` la caduta di tensione sulla resistenza R2?
2) Supponiamo di portare il MOS verso l'interdizione: la tensione ai capi di R2 scende a 0V. Di quanto vuoi che la tensione di gate per ottenere questo risultato?
3) Quanto sara` il valore di VGS quando la tensione ai capi di R2 e` scesa a 0V?
Per usare proficuamente un simulatore, bisogna sapere molta più elettronica di lui
Plug it in - it works better!
Il 555 sta all'elettronica come Arduino all'informatica! (entrambi loro malgrado)
Se volete risposte rispondete a tutte le mie domande
Plug it in - it works better!
Il 555 sta all'elettronica come Arduino all'informatica! (entrambi loro malgrado)
Se volete risposte rispondete a tutte le mie domande
0
voti
Devo supporre che questo prof sia una persona nota all'interno del forum?
Comunque il circuito completo è questo
Giustamente alla resistenza R3 è collegato in parallelo un condensatore, che prevedevo di "semplificare" in AC con la resistenza, imponendo Xc2<<R2 (circa 1/20)
Rispondendo a Isidoro
0)Suppongo una tensione di Source piuttosto bassa (
)
1)Se come mi ha detto l'assistente devo considerare
, la caduta di tensione su R2 sarà 2.5V
2-3)Per portare il MOS in interdizione, deve essere
in modo che la Id sia nulla. Quindi deve essere
. Se pongo
, sarà ![\[Vg= Vgs+ Vs= 0.65 + 0.5=1.15V\] \[Vg= Vgs+ Vs= 0.65 + 0.5=1.15V\]](/forum/latexrender/pictures/8ad1b3219e89527c3d5d41cc3481615c.png)
perché parli di interdizione? per fungere da amplificatore il mosfet non deve trovarsi in saturazione?
Una cosa che inizialmente non avevo detto, per quanto riguarda k, è che i valori dati sono:
![\[\mu = 460cm^2/Vs\] \[\mu = 460cm^2/Vs\]](/forum/latexrender/pictures/e48440960093a9320ca934185f08994e.png)
![\[Tox=9.5*10^-7 cm\] \[Tox=9.5*10^-7 cm\]](/forum/latexrender/pictures/99c3bef57c8a7fe2d7ec1c079943e2ec.png)
![\[\lambda =0.04\] \[\lambda =0.04\]](/forum/latexrender/pictures/8c2780a326e7bdba83ccb76db4ba4788.png)
in più ho preso
come permettività elettrica del biossido di silicio per calcolare k (ho lasciato W/L come incognita, per ora, anche se mi è stato consigliato di prenderlo pari a 20 circa).
Il ragionamento che avevo iniziato a scrivere nel primo post si basava sul fatto che il guadagno a ciclo chiuso deve essere pari a 1 e, sapendo che la retroazione produce una
, ho pensato di usare la formula del guadagno del solo mosfet e di porre
. Come già detto da Isidoro, il guadagno non dipenderebbe da R3, ma sarebbe ![\[Av=-gm*r0//R2\] \[Av=-gm*r0//R2\]](/forum/latexrender/pictures/c7f23051b7de7f6093c89a5509029f7b.png)
Comunque il circuito completo è questo
Giustamente alla resistenza R3 è collegato in parallelo un condensatore, che prevedevo di "semplificare" in AC con la resistenza, imponendo Xc2<<R2 (circa 1/20)
Rispondendo a Isidoro
0)Suppongo una tensione di Source piuttosto bassa (
)1)Se come mi ha detto l'assistente devo considerare
, la caduta di tensione su R2 sarà 2.5V2-3)Per portare il MOS in interdizione, deve essere
in modo che la Id sia nulla. Quindi deve essere
. Se pongo
, sarà ![\[Vg= Vgs+ Vs= 0.65 + 0.5=1.15V\] \[Vg= Vgs+ Vs= 0.65 + 0.5=1.15V\]](/forum/latexrender/pictures/8ad1b3219e89527c3d5d41cc3481615c.png)
perché parli di interdizione? per fungere da amplificatore il mosfet non deve trovarsi in saturazione?
Una cosa che inizialmente non avevo detto, per quanto riguarda k, è che i valori dati sono:
![\[\mu = 460cm^2/Vs\] \[\mu = 460cm^2/Vs\]](/forum/latexrender/pictures/e48440960093a9320ca934185f08994e.png)
![\[Tox=9.5*10^-7 cm\] \[Tox=9.5*10^-7 cm\]](/forum/latexrender/pictures/99c3bef57c8a7fe2d7ec1c079943e2ec.png)
![\[\lambda =0.04\] \[\lambda =0.04\]](/forum/latexrender/pictures/8c2780a326e7bdba83ccb76db4ba4788.png)
in più ho preso
come permettività elettrica del biossido di silicio per calcolare k (ho lasciato W/L come incognita, per ora, anche se mi è stato consigliato di prenderlo pari a 20 circa).Il ragionamento che avevo iniziato a scrivere nel primo post si basava sul fatto che il guadagno a ciclo chiuso deve essere pari a 1 e, sapendo che la retroazione produce una
, ho pensato di usare la formula del guadagno del solo mosfet e di porre
. Come già detto da Isidoro, il guadagno non dipenderebbe da R3, ma sarebbe ![\[Av=-gm*r0//R2\] \[Av=-gm*r0//R2\]](/forum/latexrender/pictures/c7f23051b7de7f6093c89a5509029f7b.png)
Chi c’è in linea
Visitano il forum: Nessuno e 181 ospiti

Elettrotecnica e non solo (admin)
Un gatto tra gli elettroni (IsidoroKZ)
Esperienza e simulazioni (g.schgor)
Moleskine di un idraulico (RenzoDF)
Il Blog di ElectroYou (webmaster)
Idee microcontrollate (TardoFreak)
PICcoli grandi PICMicro (Paolino)
Il blog elettrico di carloc (carloc)
DirtEYblooog (dirtydeeds)
Di tutto... un po' (jordan20)
AK47 (lillo)
Esperienze elettroniche (marco438)
Telecomunicazioni musicali (clavicordo)
Automazione ed Elettronica (gustavo)
Direttive per la sicurezza (ErnestoCappelletti)
EYnfo dall'Alaska (mir)
Apriamo il quadro! (attilio)
H7-25 (asdf)
Passione Elettrica (massimob)
Elettroni a spasso (guidob)
Bloguerra (guerra)




