Salve a tutti!
Come da titolo, devo comandare una serranda da due punti. I pulsanti saliscendi vanno messi in parallelo?
Grazie mille!
Comandare serranda da 2 punti
Moderatori:
sebago,
MASSIMO-G,
lillo,
Mike
23 messaggi
• Pagina 1 di 3 • 1, 2, 3
0
voti
Per evitare la condizione di doppio comando contemporaneo invertito (che danneggerebbe il motore), si potrebbe realizzare un opportuno interblocco tra i due pulsanti commutatori, servirebbe però installare almeno un relè.
Ognuno sta solo sul cuor della terra
trafitto da un raggio di sole:
ed è subito sera
Salvatore Quasimodo
trafitto da un raggio di sole:
ed è subito sera
Salvatore Quasimodo
0
voti
poiché non voglio danneggiare il motore, preferisco la soluzione con il relè...qualcuno può postare lo schema? che tipo di relè devo utilizzare? ancora grazie!
-

fra18061988
10 4 - Frequentatore

- Messaggi: 160
- Iscritto il: 9 gen 2008, 12:44
- Località: Marte
2
voti
Questa è la prima cosa che mi è venuta in mente, ma è decisamente antieconomica ! Appena refrigero un po' le idee, vediamo di fare di meglio.
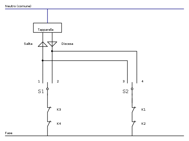
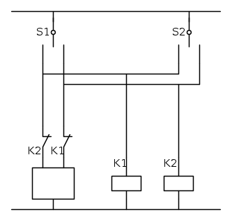
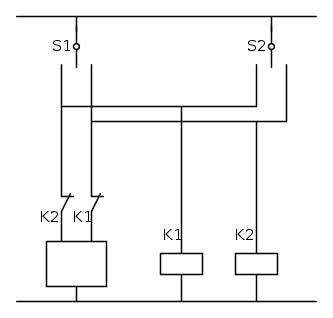
S1 ed S2 sono i pulsanti commutatori.
1,2,3,4 sono i poli comandati delle bobine dei 4 relè (che avranno il neutro in comune sull' altro polo)
K1,K2,K3,K4 sono i contatti NC dei rispettivi relè.
Questo è uno di quei casi in cui un po' di buona elettronica (o una coppia di pulsanti interbloccati
) riesce a risolverti il problema con pochi spiccioli e poco ingombro. 
S1 ed S2 sono i pulsanti commutatori.
1,2,3,4 sono i poli comandati delle bobine dei 4 relè (che avranno il neutro in comune sull' altro polo)
K1,K2,K3,K4 sono i contatti NC dei rispettivi relè.
Questo è uno di quei casi in cui un po' di buona elettronica (o una coppia di pulsanti interbloccati
Ognuno sta solo sul cuor della terra
trafitto da un raggio di sole:
ed è subito sera
Salvatore Quasimodo
trafitto da un raggio di sole:
ed è subito sera
Salvatore Quasimodo
1
voti
Sconsiglio vivamente circuiti così semplici.
O la questione contemporaneità si ignora completamente (es. perché i comandi sono a vista) oppure occorre considerare anche le situazioni estreme: cosa accade se mentre è attivo S1 qualcuno attiva S2 e poi si rilascia S1 (in pratica qualcuno "gioca" con i pulsanti) ?
Vi ricordo 3 questioni:
1) I relè NON commutano in tempo zero !
2) Fra le 2 fasi del motore c'è il condensatore di spunto = rischio incollaggio se con K1 chiuso si chiudesse anche e K2.
3) Quando è alimentata una fase nell'altra c'è una tensione in opposizione = sui contatti hai 400V = i normali relè per la monofase (tipicamente da 250V) non vanno bene.
Oppure si passa ad un interblocco con un po' di elettronica che ritarda l'attivazione dei relè
Bye
Ser.Tom
O la questione contemporaneità si ignora completamente (es. perché i comandi sono a vista) oppure occorre considerare anche le situazioni estreme: cosa accade se mentre è attivo S1 qualcuno attiva S2 e poi si rilascia S1 (in pratica qualcuno "gioca" con i pulsanti) ?
Vi ricordo 3 questioni:
1) I relè NON commutano in tempo zero !
2) Fra le 2 fasi del motore c'è il condensatore di spunto = rischio incollaggio se con K1 chiuso si chiudesse anche e K2.
3) Quando è alimentata una fase nell'altra c'è una tensione in opposizione = sui contatti hai 400V = i normali relè per la monofase (tipicamente da 250V) non vanno bene.
Oppure si passa ad un interblocco con un po' di elettronica che ritarda l'attivazione dei relè
Bye
Ser.Tom1
voti
Giuste osservazioni SerTom,
E' vero che i relè non commutano in tempo zero, ma ritengo anche improbabile che qualcuno si metta a giocare con i pulsanti delle serrande e se lo si fa, si considerino le potenziali conseguenze.
I sistemi proposti, sono abbastanza similari agli interblocchi usati normalmente nei tele-invertitori, tanto per fare un esempio, non la vedo una cosa così pericolosa!
Dagli schemi proposti, a meno di disfunzioni circuitali, K2 è inibito se K1 è attivo indipendentemente dal tipo e dalla "lentezza" di commutazione del relè.
Da dove ti escono questi 400V

I relè NON commutano in tempo zero !
E' vero che i relè non commutano in tempo zero, ma ritengo anche improbabile che qualcuno si metta a giocare con i pulsanti delle serrande e se lo si fa, si considerino le potenziali conseguenze.
I sistemi proposti, sono abbastanza similari agli interblocchi usati normalmente nei tele-invertitori, tanto per fare un esempio, non la vedo una cosa così pericolosa!
Fra le 2 fasi del motore c'è il condensatore di spunto = rischio incollaggio se con K1 chiuso si chiudesse anche e K2.
Dagli schemi proposti, a meno di disfunzioni circuitali, K2 è inibito se K1 è attivo indipendentemente dal tipo e dalla "lentezza" di commutazione del relè.
sui contatti hai 400V = i normali relè per la monofase (tipicamente da 250V) non vanno bene.
Da dove ti escono questi 400V
Ognuno sta solo sul cuor della terra
trafitto da un raggio di sole:
ed è subito sera
Salvatore Quasimodo
trafitto da un raggio di sole:
ed è subito sera
Salvatore Quasimodo
2
voti
La questione del doppio comando motore è piuttosto articolata.
O si accetta il rischio che nessuno "giochi" con i tasti di comando; es. perché si tratta della serranda di un negozio comandata da un selettore con chiave e mai nessuno andrà ad attivare i 2 comandi contemporaneamente; oppure la questione la si considera, es. è una serranda di un garage conominiale i cui tasti di comando sono disponibili a tutti (es. bambini) ed il rischio di comando contemporaneo va considerato = i bambini sono il peggiore "Beta Tester" di qualsiasi prodotto: se qualcosa è possibile: accade!... (la legge di Murphy insegna ...) mentre le norme definiscono ciò solo come "ragionevolmente possibile!".
Nel primo caso, vale la mia risposta n°[2]
Nel secondo caso occorre considerare la possibilità, e, partendo dal fatto che qualsiasi stato è possibile occorre considerarli tutti; compreso gli stati intermedi, come quelli dovuti ai tempi di commutazione dei contatti.
Riguardo alle mie segnalazioni: questo il circuito di un motore dove risulta evidente che il condensatore di avviamento C1 si trova a capo dei contatti di comando Apre e Chiude.
Quindi, se mentre il motore è alimentato su Apre (L1 è avvolgimento di Marcia e L2 è avvolgimento di avviamento) e fosse ntemporaneamente alimentato ANCHE su chiude allora C1 si scaricherebbe attraverso i 2 contatti di comando.
I contatti elettrici hanno notoriamente bassissima resistenza,i condensatori di avviamento motore altrettanto, quindi accade che se c'è una chiusura contemporanea Apre-Chiude,il condensatore si scaricherebbe attraverso i contatti, il circuito avrebbe
una resistenza molto bassa,la corrente sarebbe molto alta e per effetto Joule il rischio che il contatto si incollino è matematico!
Per la storia dei 400V; il circuito equivalente di un motore (bifase) corisponde ad un auto-trasformatore il cui primario (L1) è alimentato alla tensione di rete (230V) ed il cui pseudo-secondario (L2) potrebbe (dipende dallo sfasamento delle tensioni) arrivare (in caso di sfasamento di 180°) al doppio della tensione di alimentazione.
Se ritorniamo indietro (con lo schema) sul contatto aperto potremmo avere fino a 460V.
Bye
Ser.Tom.
O si accetta il rischio che nessuno "giochi" con i tasti di comando; es. perché si tratta della serranda di un negozio comandata da un selettore con chiave e mai nessuno andrà ad attivare i 2 comandi contemporaneamente; oppure la questione la si considera, es. è una serranda di un garage conominiale i cui tasti di comando sono disponibili a tutti (es. bambini) ed il rischio di comando contemporaneo va considerato = i bambini sono il peggiore "Beta Tester" di qualsiasi prodotto: se qualcosa è possibile: accade!... (la legge di Murphy insegna ...) mentre le norme definiscono ciò solo come "ragionevolmente possibile!".
Nel primo caso, vale la mia risposta n°[2]
Nel secondo caso occorre considerare la possibilità, e, partendo dal fatto che qualsiasi stato è possibile occorre considerarli tutti; compreso gli stati intermedi, come quelli dovuti ai tempi di commutazione dei contatti.
Riguardo alle mie segnalazioni: questo il circuito di un motore dove risulta evidente che il condensatore di avviamento C1 si trova a capo dei contatti di comando Apre e Chiude.
Quindi, se mentre il motore è alimentato su Apre (L1 è avvolgimento di Marcia e L2 è avvolgimento di avviamento) e fosse ntemporaneamente alimentato ANCHE su chiude allora C1 si scaricherebbe attraverso i 2 contatti di comando.
I contatti elettrici hanno notoriamente bassissima resistenza,i condensatori di avviamento motore altrettanto, quindi accade che se c'è una chiusura contemporanea Apre-Chiude,il condensatore si scaricherebbe attraverso i contatti, il circuito avrebbe
una resistenza molto bassa,la corrente sarebbe molto alta e per effetto Joule il rischio che il contatto si incollino è matematico!
Per la storia dei 400V; il circuito equivalente di un motore (bifase) corisponde ad un auto-trasformatore il cui primario (L1) è alimentato alla tensione di rete (230V) ed il cui pseudo-secondario (L2) potrebbe (dipende dallo sfasamento delle tensioni) arrivare (in caso di sfasamento di 180°) al doppio della tensione di alimentazione.
Se ritorniamo indietro (con lo schema) sul contatto aperto potremmo avere fino a 460V.
Bye
Ser.Tom.
23 messaggi
• Pagina 1 di 3 • 1, 2, 3
Torna a Impianti, sicurezza e quadristica
Chi c’è in linea
Visitano il forum: Nessuno e 72 ospiti

Elettrotecnica e non solo (admin)
Un gatto tra gli elettroni (IsidoroKZ)
Esperienza e simulazioni (g.schgor)
Moleskine di un idraulico (RenzoDF)
Il Blog di ElectroYou (webmaster)
Idee microcontrollate (TardoFreak)
PICcoli grandi PICMicro (Paolino)
Il blog elettrico di carloc (carloc)
DirtEYblooog (dirtydeeds)
Di tutto... un po' (jordan20)
AK47 (lillo)
Esperienze elettroniche (marco438)
Telecomunicazioni musicali (clavicordo)
Automazione ed Elettronica (gustavo)
Direttive per la sicurezza (ErnestoCappelletti)
EYnfo dall'Alaska (mir)
Apriamo il quadro! (attilio)
H7-25 (asdf)
Passione Elettrica (massimob)
Elettroni a spasso (guidob)
Bloguerra (guerra)





