In effetti questi tipi di relè sono difficili da trovare, perché sono poco usati.
Si trovano per esempio da distributori tipo RS o Farnell etc.... Ti linko per esempio la sezione apposita del catologo RS.
Se non puoi o non vuoi acquistarlo da questi distributori, prova a chiedere a qualche negoziante che magari li utilizza per rifornirsi.
circuito al posto di relè a impulsi
Moderatori:
carloc,
g.schgor,
BrunoValente,
IsidoroKZ
20 messaggi
• Pagina 2 di 2 • 1, 2
0
voti
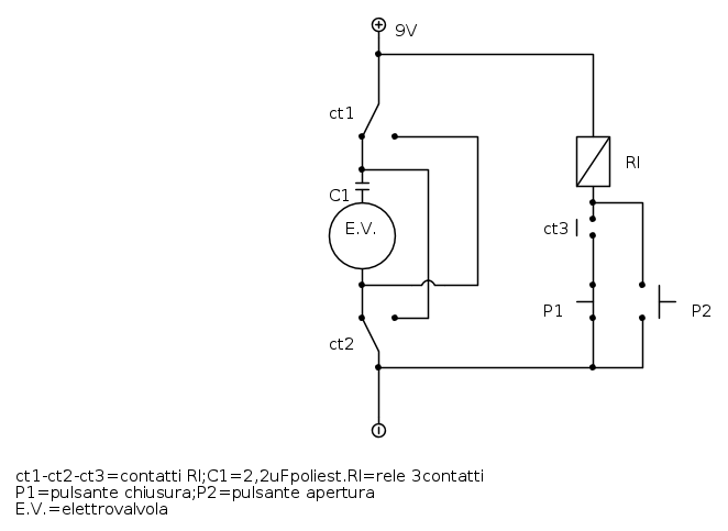
questo circuito potrebbe esserti utile:
0
voti
ma in quello schema c'è un'elettrovalvola; io al suo posto voglio usare una pompa; quindi non basta un impulso, ma una tensione fissa durante tutto il tempo di irrigazione, finché un nuovo impulso di polarità opposta la fa spegnere. per me l'elettronica è un hobby, di porte logiche non ne capisco niente, al massimo mi servirebbe un circuito già bello e pronto, quindi compro i componenti e lo devo solo realizzare
0
voti
Se non erro, da quanto ho capito, a
ezio3010 la tensione +/- 9 volt serve come comando, non come alimentazione della pompa.
Ho trovato, a 9 volt di bobina esatti, questi relè bistabili bipolari. Sono forse in SMD o piccoli. In alternativa se ne può prendere uno a 5 volt e metterci una resistenza in serie al coil, o uno a 12, usando il 9 volt (dovrebbe andare lo stesso, anche se un po' al limite..)
Qundi credo che
ezio3010 voglia togliere l'elettrovalvola, collegare un relè bistabile bipolare al posto dell'elettrovalvola, (i due fili vanno alla bobina del relè) collegare al contatto NO o NC del relè la pompa. Così impulso + 9 V = apre il conatto, impulso a -9V chiude il contatto (o comunque cambio stato del relè).
Ho trovato, a 9 volt di bobina esatti, questi relè bistabili bipolari. Sono forse in SMD o piccoli. In alternativa se ne può prendere uno a 5 volt e metterci una resistenza in serie al coil, o uno a 12, usando il 9 volt (dovrebbe andare lo stesso, anche se un po' al limite..)
Qundi credo che
0
voti
però come suggerisce il titolo di questo argomento, non voglio usare un relè perché è difficile trovarlo, a parte che per quanto costa non vale la pena riciclare questo programmatore. la pompa verrà alimentata con un'altra batteria, quindi al massimo userò un relè normale, che già posseggo
0
voti
ezio3010 ha scritto:però come suggerisce il titolo di questo argomento, non voglio usare un relè perché è difficile trovarlo, a parte che per quanto costa non vale la pena riciclare questo programmatore. la pompa verrà alimentata con un'altra batteria, quindi al massimo userò un relè normale, che già posseggo
la batteria che alimenta la pompa che tensione ha?com'è questo rele che tu gia possiedi?(tensione, numero e tipi di contatti)
0
voti
ezio3010 ha scritto:.......... il relè anche. oltre ai 2 contatti della bobina ha un entrata e due uscite
non è possibile fare l'inversione di polarita con un rele che ha un solo doppio contatto,o ci vuole un altro rele simile da abbinare al primo, oppure un rele con 2 doppi contatti
0
voti
ezio3010 ha scritto:però come suggerisce il titolo di questo argomento, non voglio usare un relè perché è difficile trovarlo, a parte che per quanto costa non vale la pena riciclare questo programmatore. la pompa verrà alimentata con un'altra batteria, quindi al massimo userò un relè normale, che già posseggo
Ok, non vuoi usare il relè bistabile (che sarebbe la soluzione mogliore, ci volgliono solo due fili...). Ce ne sono alcuni che costano sui 5-6 euro+IVA, non dirmi che il programmatore, anche se fosse per ipotesi una "cinesata", l'hai pagato così...
L'unica soluzione allora è fare un circuitino... ma non è semplice come richiedi: innanzitutto ci vuole l'alimentazione, poi devi raddrizzare il segnale come hai giustamente pensato, poi c'è da pensare alla logica di controllo... mi viene in mente, come ti hanno già detto, un bel flip-flop in configurazione bistabile, con l'uscita collegata, per esempio, ad un mosfet (da dimensionare a seconda dell'assorbimento della tua pompa) che comanda la tua pompa.
Scusa se insisto, ma se vai da un rivenditore SERIO, non di quei negozi dove vendono solo porcherie e non sanno la differenza tra un mosfet canale P o N, (e credimi di negozi così ce ne sono purtroppo, gestiti da incompetenti che non sanno che ci sono ormai da anni i datasheet su internet...) sicuramente il relè te lo trovano.
Con questo concludo... non si può avere la botte piena e la moglie ubriaca, come si suol dire...
20 messaggi
• Pagina 2 di 2 • 1, 2
Chi c’è in linea
Visitano il forum: Nessuno e 184 ospiti

Elettrotecnica e non solo (admin)
Un gatto tra gli elettroni (IsidoroKZ)
Esperienza e simulazioni (g.schgor)
Moleskine di un idraulico (RenzoDF)
Il Blog di ElectroYou (webmaster)
Idee microcontrollate (TardoFreak)
PICcoli grandi PICMicro (Paolino)
Il blog elettrico di carloc (carloc)
DirtEYblooog (dirtydeeds)
Di tutto... un po' (jordan20)
AK47 (lillo)
Esperienze elettroniche (marco438)
Telecomunicazioni musicali (clavicordo)
Automazione ed Elettronica (gustavo)
Direttive per la sicurezza (ErnestoCappelletti)
EYnfo dall'Alaska (mir)
Apriamo il quadro! (attilio)
H7-25 (asdf)
Passione Elettrica (massimob)
Elettroni a spasso (guidob)
Bloguerra (guerra)






