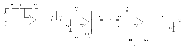
forse è una domanda banale ma l'impedenza di uscita di questo circuito è pari a R11?
grazie
Moderatori:
carloc,
g.schgor,
BrunoValente,
IsidoroKZ
, Luca.giulia87 ha scritto:forse è una domanda banale ma l'impedenza di uscita di questo circuito è pari a R11?
, approssimativamente sì (diciamo per
).
instead of
(Anonimo).
ain't
, right?
in lieu of
.
for
arithm.

Visitano il forum: Nessuno e 218 ospiti