un pulsante comanda due relè
Moderatori:
carloc,
g.schgor,
BrunoValente,
IsidoroKZ
17 messaggi
• Pagina 1 di 2 • 1, 2
0
voti
Salve avrei bisogno di un circuito che alla prima pigiata (minore di 2 secondi) mi attivi un relé mantenendolo sullo stato ON, alla seconda pigiata (sempre minore di 2 secondi) mi attivi un secondo relé per un tempo di 2 secondi e poi non accada più nulla se si verificano altre pigiate brevi. Avrei bisogno di una funzione "reset" che riporti i relè in stato OFF ad una pigiata maggiore di 3 secondi. Il circuito in applicazione pratica servirebbe ad avviare un'automobile: alla prima pressione attiva solo il quadro mentre alla seconda pressione farebbe partire il motorino d'avviamento (per 2 secondi). Nel caso volessi spegnere l'auto (diseccitate i relè) oppure accendere solo il quadro, senza dover necessariamente avviare l'auto, e poi poterlo spegnere ho pensato a questa funzione "reset" in grado di riportare tutto in stato OFF indipendentemente se si sia verificata o meno la seconda pigiata (avviamento). Mentre vorrei escludere altre pigiate brevi dopo che è stato eccitato anche il relè 2 (avviamento) in modo tale da evitare pressioni involontarie del tasto. Spero di essere stato chiaro per quanto riguarda l'utilizzo del circuito e di non aver richiesto qualcosa di esageratamente complesso! Nel caso vi possa essere d'aiuto posso allegare un link, previa autorizzazione, di un sito fatto molto bene dove sommariamente l'idea di fondo del mio circuito è presente ma mancano quelle piccole accortezze della temporizzazione e reset. Vengono utilizzati un NE555 unitamente ad un CD4017. Un grazie anticipato a tutti coloro che riusciranno a risolvere questo cruccio che mi tormenta durante le lunghe notti insonni!
-

alessandrocolos
5 2 - New entry

- Messaggi: 94
- Iscritto il: 1 nov 2009, 17:09
3
voti
Non mi sembra che il 4017 risolva il tuo problema.
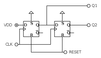
Quello che ti serve è un circuito sequenziale a flip flop, dove, se ho capito bene, considerando le due uscite (una per relè) a stato logico alto, la sequenza in binario è 00 - 01 - 11 -11 - 11 - 11.
Un circuito facile si può fare con un flip flop D, un 74HC74 o, visto che lo usi in auto con alimentazione 12V, un HEF4013B. La logica tra i due cambia.
Considerando una tensione di alimentazione a 12V un circuito di base che mi viene in mente con la serie 4000 (HEF) è questo:
La differenza di funzionamento tra i due D Flip Flop delle architetture differenti, come puoi vedere sta principalmente nel SET e RESET.
Con il 74HC il SET lo colleghi al polo di alimentazione positiva ed il RESET è attivo a stato logico basso, tutto il contrario della serie 4000 del circuito postato.
Se la alimentazione di cui disponi è a 12V, l'uso di un 74HC comporta alimentare questi integrati con un regolatore di tensione 7805 per stabilizzare la tensione a 5V.
Direi che comunque non è il tuo caso usando la serie 4000, ma non si sà mai.. Io ti mostro solo le due strate possibili a scopo informativo.
Infine, per il CLK devi usare una rete RC con un pulsante, ambe le architetture dispongono già di un ingresso ad isteresi interno. Il RESET però lo devi attivare e disattivare subito all'accensione del circuito, con un circuito addizionale di ritardo per i 3s che però non disturbi l'attivazione di RESET all'accensione. CLK e RESET li devi sincronizzare in modo da non disturbare il funzionamento all'accensione.
Su Q2 devi collegare un monotabile per ottenere la temporizzazione voluta di 2s.Per una soluzione semplice e precisa puoi usare un 555.
Per pilotare i relè è opportuno usare un transistore per ciascuno. Specifica le caratteristiche dei relè che si suppone si debbano alimentare a 12V anche loro.
Per tutti questi ultimi dettagli eventualmente ti si può aiutare prossimamente..
Ora è tardi, per il momento è tutto. Spero di non essere stato confusionale.
EDIT: Ho corretto lo schema iniziale. Non serviva la OR in quanto basta sincronizzare CLK e RESET.
Quello che ti serve è un circuito sequenziale a flip flop, dove, se ho capito bene, considerando le due uscite (una per relè) a stato logico alto, la sequenza in binario è 00 - 01 - 11 -11 - 11 - 11.
Un circuito facile si può fare con un flip flop D, un 74HC74 o, visto che lo usi in auto con alimentazione 12V, un HEF4013B. La logica tra i due cambia.
Considerando una tensione di alimentazione a 12V un circuito di base che mi viene in mente con la serie 4000 (HEF) è questo:
La differenza di funzionamento tra i due D Flip Flop delle architetture differenti, come puoi vedere sta principalmente nel SET e RESET.
Con il 74HC il SET lo colleghi al polo di alimentazione positiva ed il RESET è attivo a stato logico basso, tutto il contrario della serie 4000 del circuito postato.
Se la alimentazione di cui disponi è a 12V, l'uso di un 74HC comporta alimentare questi integrati con un regolatore di tensione 7805 per stabilizzare la tensione a 5V.
Direi che comunque non è il tuo caso usando la serie 4000, ma non si sà mai.. Io ti mostro solo le due strate possibili a scopo informativo.
Infine, per il CLK devi usare una rete RC con un pulsante, ambe le architetture dispongono già di un ingresso ad isteresi interno. Il RESET però lo devi attivare e disattivare subito all'accensione del circuito, con un circuito addizionale di ritardo per i 3s che però non disturbi l'attivazione di RESET all'accensione. CLK e RESET li devi sincronizzare in modo da non disturbare il funzionamento all'accensione.
Su Q2 devi collegare un monotabile per ottenere la temporizzazione voluta di 2s.Per una soluzione semplice e precisa puoi usare un 555.
Per pilotare i relè è opportuno usare un transistore per ciascuno. Specifica le caratteristiche dei relè che si suppone si debbano alimentare a 12V anche loro.
Per tutti questi ultimi dettagli eventualmente ti si può aiutare prossimamente..
Ora è tardi, per il momento è tutto. Spero di non essere stato confusionale.
EDIT: Ho corretto lo schema iniziale. Non serviva la OR in quanto basta sincronizzare CLK e RESET.
Ultima modifica di
simo85 il 4 lug 2012, 8:03, modificato 1 volta in totale.
0
voti
Innanzitutto grazie per la risposta tempestiva! Per quanto riguarda il circuito è proprio quello che cercavo, l'unico problema é che non essendo esperto di elettronica non saprei come calcolare e disporre gli altri componenti. È possibile avere il circuito "già pronto"? Grazie mille!
-

alessandrocolos
5 2 - New entry

- Messaggi: 94
- Iscritto il: 1 nov 2009, 17:09
0
voti
alessandrocolos ha scritto:È possibile avere il circuito "già pronto"?
Cosa intendi esattamente?
Io se proproio vuoi te lo faccio ma, se non hai fretta perché in questi giorni non ho molto tempo a disposizione e vivo lontanuccio.. Sei sicuro che non vuoi fartelo da te?
0
voti
Intendo dire se è possibile avere proprio il circuito disegnato con sigle dei vari componenti da usare e i vari cablaggi, per quanto riguarda l'assemblaggio su basetta, acquisto dei vari componenti siglati e saldature varie non ho nessun problema. In sintesi vorrei avere un circuito completo con i vari collegamenti in modo da sapere le varie sigle dei componenti da utilizzare e in che modo collegarli. Io Non ho fretta per cui posso aspettare anche una settimana o più ;) grazie per la pazienza e buon pomeriggio! =)
-

alessandrocolos
5 2 - New entry

- Messaggi: 94
- Iscritto il: 1 nov 2009, 17:09
0
voti
alessandrocolos ha scritto:Intendo dire se è possibile avere proprio il circuito disegnato con sigle dei vari componenti da usare e i vari cablaggi
finora non mi sono inventato i nomi dei componenti, non credi?
Comunque appena ho tempo proseguiamo.. Ti ricordo che non hai specificato i dati dei relè come avevo chiesto.. Per tensione di alimentazione sono rimasto ai 12V. Se vuoi una mano devi anche rispondere alle domande che ti si fanno...

0
voti
Per quanto riguarda le sigle non ho messo olio discussione nulla per quanto riguarda le domande mi pare di aver risposto a tutto e se non l'ho fatto mi scuso!
-

alessandrocolos
5 2 - New entry

- Messaggi: 94
- Iscritto il: 1 nov 2009, 17:09
0
voti
Eh, ma non mi hai ancora risposto!
Saro più preciso anzi, mi anticipo dando per scontato che alimenti il tutto a 12V.
I relè, ambi con tensione di alimentazione 12V sulla bobina consumeranno attorno ai 30 e 60mA, se confermi buon per te.
Quello che devi sovradimensionare è la corrente supportata dai contatti. Questo significa che se per esempio il motorino di avviamento a 12V consuma 3A (ho sparato valori a caso perché non li conosco e non ho mai avuto a che farci) meglio usare un relè che supporti il doppio di potenza o giù di lì.. Sennò i contatti si scaldano e c'è il rischio che si fondano e rimangano "inceppati"..
Spero di aver reso l'idea.
Hasta luego.
Saro più preciso anzi, mi anticipo dando per scontato che alimenti il tutto a 12V.
I relè, ambi con tensione di alimentazione 12V sulla bobina consumeranno attorno ai 30 e 60mA, se confermi buon per te.
Quello che devi sovradimensionare è la corrente supportata dai contatti. Questo significa che se per esempio il motorino di avviamento a 12V consuma 3A (ho sparato valori a caso perché non li conosco e non ho mai avuto a che farci) meglio usare un relè che supporti il doppio di potenza o giù di lì.. Sennò i contatti si scaldano e c'è il rischio che si fondano e rimangano "inceppati"..
Spero di aver reso l'idea.
Hasta luego.
0
voti
guarda sinceramente preferirei alimentare il tutto a 5v, dispongo di varie componentistiche che utilizzano quel tensione, relè compresi quindi non c'è nessun problema. per quanto riguarda gli assorbimenti i due utilizzatori (quadro e motorino) sono pilotati a loro volta da un altro relè per cui il problema non si pone! Dimenticavo che queste cose sono scontate PER ME che posseggo l'auto e ne conosco vita morte e miracoli ma non lo sono per gli altri!
RIspecifico le varie caratteristiche del circuito per evitare fraintendimenti:
- innanzitutto metterei un Power on reset al primo avvio (appena collego il circuito all'alimentazione) composto da condensatore da 10uF e resistenza da 10K da collegare al master reset del counter
- metterei un circuito antirimbalzo da 100 ms composto da 2 resistenze da 10K e un condensatore da 10uF con uno schmit trigger
- alla prima pressione attivo il primo relè e rimane eccitato;
- alla seconda pressione attivo un secondo relè che però resta eccitato per 2 secondi. Dopo 2 secondi il secondo si diseccita ma non il primo;
- a successive pressioni minori di 2 secondi non succede nulla MA se premo per più di 3 secondi RESETTO TUTTO
poi per quanto riguarda il counter MINIMO a quanti bit lo si può trovare?
ho chiesto aiuto ad un mio amico che sta studiando per ingegneria biomedica e ha appena dato degli esami di elettronica prendendo 29 su 30! per cui credo che sia in grado di aiutarmi lui almeno non porto via tempo a voi che siete impegnati in cose ben più importanti! appena finiamo di progettarlo lo realizziamo su ORCAD e sicuramente vi chiederò consiglio sui vari componenti da utilizzare! grazie!!
RIspecifico le varie caratteristiche del circuito per evitare fraintendimenti:
- innanzitutto metterei un Power on reset al primo avvio (appena collego il circuito all'alimentazione) composto da condensatore da 10uF e resistenza da 10K da collegare al master reset del counter
- metterei un circuito antirimbalzo da 100 ms composto da 2 resistenze da 10K e un condensatore da 10uF con uno schmit trigger
- alla prima pressione attivo il primo relè e rimane eccitato;
- alla seconda pressione attivo un secondo relè che però resta eccitato per 2 secondi. Dopo 2 secondi il secondo si diseccita ma non il primo;
- a successive pressioni minori di 2 secondi non succede nulla MA se premo per più di 3 secondi RESETTO TUTTO
poi per quanto riguarda il counter MINIMO a quanti bit lo si può trovare?
ho chiesto aiuto ad un mio amico che sta studiando per ingegneria biomedica e ha appena dato degli esami di elettronica prendendo 29 su 30! per cui credo che sia in grado di aiutarmi lui almeno non porto via tempo a voi che siete impegnati in cose ben più importanti! appena finiamo di progettarlo lo realizziamo su ORCAD e sicuramente vi chiederò consiglio sui vari componenti da utilizzare! grazie!!
-

alessandrocolos
5 2 - New entry

- Messaggi: 94
- Iscritto il: 1 nov 2009, 17:09
0
voti
Non mi stai portando via tempo, se sono qui è per passione e per il piacere di aiutare ;)
Il circuito contatore ce l'hai già.
Per il master reset e compagnia lo vediamo appena ho tempo, tranquillo. Non hai visto male, solo bisogna sincronizzare il CLK con il RESET come detto prima.
Non ci starebbe male magari una rete RC sul DATA1..
A presto.
Il circuito contatore ce l'hai già.
Per il master reset e compagnia lo vediamo appena ho tempo, tranquillo. Non hai visto male, solo bisogna sincronizzare il CLK con il RESET come detto prima.
Non ci starebbe male magari una rete RC sul DATA1..
A presto.
17 messaggi
• Pagina 1 di 2 • 1, 2
Chi c’è in linea
Visitano il forum: Nessuno e 127 ospiti

Elettrotecnica e non solo (admin)
Un gatto tra gli elettroni (IsidoroKZ)
Esperienza e simulazioni (g.schgor)
Moleskine di un idraulico (RenzoDF)
Il Blog di ElectroYou (webmaster)
Idee microcontrollate (TardoFreak)
PICcoli grandi PICMicro (Paolino)
Il blog elettrico di carloc (carloc)
DirtEYblooog (dirtydeeds)
Di tutto... un po' (jordan20)
AK47 (lillo)
Esperienze elettroniche (marco438)
Telecomunicazioni musicali (clavicordo)
Automazione ed Elettronica (gustavo)
Direttive per la sicurezza (ErnestoCappelletti)
EYnfo dall'Alaska (mir)
Apriamo il quadro! (attilio)
H7-25 (asdf)
Passione Elettrica (massimob)
Elettroni a spasso (guidob)
Bloguerra (guerra)
