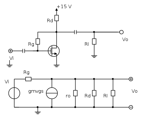
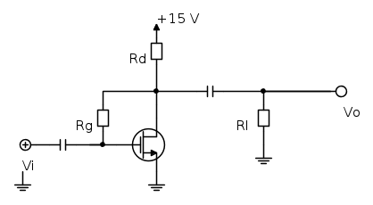
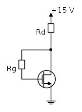
Il circuito 1 e il circuito 2 sono equivalenti... ma allora perché nel primo Rd sta tra 15 V e Vo (condensatori cortocircuitati) e nel secondo Rd sta tra Vo e massa?
Edit DD: eliminato link a server esterno!
Equivalenza circuito amplificatore mosfet
Moderatori:
carloc,
g.schgor,
BrunoValente,
IsidoroKZ
13 messaggi
• Pagina 1 di 2 • 1, 2
0
voti
1
voti
Ciao. Non credo riceverai alcuna risposta fino a quando non ti adeguerai alle regole del Forum. In questo caso gli schemi che posti devono essere fatti obbligatoriamente in FidoCadJ. Non sono ammesse eccezioni. È facile: guarda nel menù help e troverai tutte le informazioni che ti servono e quindi, finalmente, potrai avere la tua risposta.


-

EnChamade
6.498 2 8 12 - G.Master EY

- Messaggi: 588
- Iscritto il: 18 giu 2009, 12:00
- Località: Padova - Feltre
0
voti
metto anche lo schema in fidocadj, grazie
0
voti
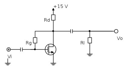
perché il primo è il circuito di polarizzazione (che permette di far funzionare il mosfet in zona di saturazione, è poi quello che si va realmente a realizzare) e il secondo è il circuito ai piccoli segnali (utile per studiare/dimensionare il funzionamento del mosfet a livello di segnale)
Almeno l'itagliano sallo...
0
voti
al fatto che siano equivalenti ci credo, ma continuo a non capire come possa esserci una tensione diversa ai capi dello stesso elemento dal momento che sono equivalenti... ad esclusione di Rd le altre tensioni mi sembrano uguali, non capisco perché proprio Rd deve essere diversa (e penso pure che non sia un caso che Rd sia l'unica collegata ad un'alimentazione)
0
voti

"Non farei mai parte di un club che accettasse la mia iscrizione" (G. Marx)
-

claudiocedrone
21,3k 4 7 9 - Master EY

- Messaggi: 15302
- Iscritto il: 18 gen 2012, 13:36
0
voti
diciamo che manca un passaggio.
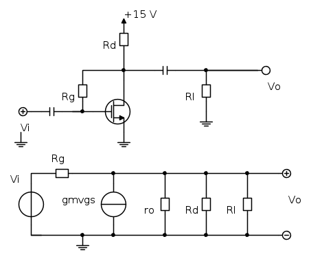
allora, il circuito che si andrà a realizzare (o che si deve studiare) è questo.
per studiarlo si applica il principio di sovrapposizione degli effetti. per prima cosa si suppone Vi = 0, eliminando le componenti variabili (segnale in AC che entra attraverso il condensatore di disaccoppiamento). sparisce quindi tutto quello che è disaccoppiato tramite i condensatori, ottenendo questo circuito:
dal quale si calcolano le varie cadute di tensione e parametri del mosfet (che ora non ricordo bene, dovrei riguardarmi gli appunti)
a questo punto si suppone nulla la tensione di alimentazione (i 15V), si collega tutto a riferimento e si ottiene il circuito ai piccoli segnali, ossia questo:
dal quale, conoscendo i parametri calcolati prima, ci si ricava Vo
se serve qualche altra informazione dimmelo, che vado a rispolverare gli appunti di elettronica...
allora, il circuito che si andrà a realizzare (o che si deve studiare) è questo.
per studiarlo si applica il principio di sovrapposizione degli effetti. per prima cosa si suppone Vi = 0, eliminando le componenti variabili (segnale in AC che entra attraverso il condensatore di disaccoppiamento). sparisce quindi tutto quello che è disaccoppiato tramite i condensatori, ottenendo questo circuito:
dal quale si calcolano le varie cadute di tensione e parametri del mosfet (che ora non ricordo bene, dovrei riguardarmi gli appunti)
a questo punto si suppone nulla la tensione di alimentazione (i 15V), si collega tutto a riferimento e si ottiene il circuito ai piccoli segnali, ossia questo:
dal quale, conoscendo i parametri calcolati prima, ci si ricava Vo
se serve qualche altra informazione dimmelo, che vado a rispolverare gli appunti di elettronica...
Almeno l'itagliano sallo...
0
voti
mi interessa il passaggio in cui si suppone nulla l'alimentazione e si collega tutto a riferimento... perché?
non sarebbe "più equivalente" un circuito uguale al secondo con l'altro estremo di Rd collegato ad un'alimentazione di 15 V invece che a massa (non mettendola quindi in parallelo con le altre resistenze) ?
grazie ancora
non sarebbe "più equivalente" un circuito uguale al secondo con l'altro estremo di Rd collegato ad un'alimentazione di 15 V invece che a massa (non mettendola quindi in parallelo con le altre resistenze) ?
grazie ancora
0
voti
Per studiare un amplificatore prima di studia il circuito per grandi segnali, spegnendo quindi i "piccoli" segnali. Poi una volta effettuato lo studio per grandi segnali e trovate le grandezze salienti del circuito, si passa a quello per piccoli segnali, spegnendo i "grandi" segnali e accendendo quelli piccoli e mettendo al posto del transistor il suo circuito equivalente.
Tutto ciò è obbligatorio, in quanto le grandezze gm ed ro del circuito a piccoli segnali dipendono dalle grandezze in continua (il grande segnale) e quindi se non fai los tudio prima per grandi segnali non sapresti come esprimerle :)
Tutto ciò è obbligatorio, in quanto le grandezze gm ed ro del circuito a piccoli segnali dipendono dalle grandezze in continua (il grande segnale) e quindi se non fai los tudio prima per grandi segnali non sapresti come esprimerle :)
-

angelsanct
196 1 5 - Frequentatore

- Messaggi: 112
- Iscritto il: 30 lug 2011, 21:46
13 messaggi
• Pagina 1 di 2 • 1, 2
Chi c’è in linea
Visitano il forum: Nessuno e 567 ospiti

Elettrotecnica e non solo (admin)
Un gatto tra gli elettroni (IsidoroKZ)
Esperienza e simulazioni (g.schgor)
Moleskine di un idraulico (RenzoDF)
Il Blog di ElectroYou (webmaster)
Idee microcontrollate (TardoFreak)
PICcoli grandi PICMicro (Paolino)
Il blog elettrico di carloc (carloc)
DirtEYblooog (dirtydeeds)
Di tutto... un po' (jordan20)
AK47 (lillo)
Esperienze elettroniche (marco438)
Telecomunicazioni musicali (clavicordo)
Automazione ed Elettronica (gustavo)
Direttive per la sicurezza (ErnestoCappelletti)
EYnfo dall'Alaska (mir)
Apriamo il quadro! (attilio)
H7-25 (asdf)
Passione Elettrica (massimob)
Elettroni a spasso (guidob)
Bloguerra (guerra)




