Buongiorno, ho comprato un programmatore per PIC che per essere alimentato richiede 12V oppure 15V entrambi non stabilizzati. Sulla confezione sono indicati dei codici di alimentatori in commercio (ad esempio PS1205 / PS1208 / PS1508 (230V AC)).
Invece che comprare un trasformatore del genere, che tra l'altro dovrei mandare a ritirare da qualche parte perché qui non ne vendono, non è uguale utilizzare l'alimentazione proveniente da un trasformatore con uscita raddrizzata e livellata?
Il programmatore è sul sito di futurashop con codice vm111 (non ho il link).
Alimentatore programmatore
Moderatori:
carloc,
g.schgor,
BrunoValente,
IsidoroKZ
9 messaggi
• Pagina 1 di 1
0
voti
0
voti
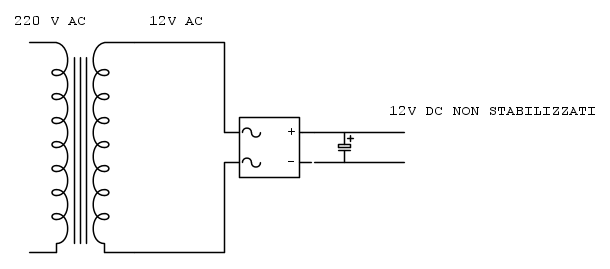
A vuoto, non misurerai 12VDC bensì circa 15.5VDC.
Infatti devi considerare che il consensatore livella sul valore di picco a cui va tolta la caduta di tensione sui diodi del ponte. Con il carico la tensione può abbassarsi un po', ovviamente, ma questo dipende dal valore del condensatore, dall'entità del carico.
Non puoi interporre un 7812 e realizzare un alimentatore stabilizzato? Hai bisogno di un po' più di tensione al secondario del trafo, diciamo almeno 15VAC.
Ciao.
Paolo.
Infatti devi considerare che il consensatore livella sul valore di picco a cui va tolta la caduta di tensione sui diodi del ponte. Con il carico la tensione può abbassarsi un po', ovviamente, ma questo dipende dal valore del condensatore, dall'entità del carico.
Non puoi interporre un 7812 e realizzare un alimentatore stabilizzato? Hai bisogno di un po' più di tensione al secondario del trafo, diciamo almeno 15VAC.
Ciao.
Paolo.
"Houston, Tranquillity Base here. The Eagle has landed." - Neil A.Armstrong
-------------------------------------------------------------
PIC Experience - http://www.picexperience.it
-------------------------------------------------------------
PIC Experience - http://www.picexperience.it
-

Paolino
32,6k 8 12 13 - G.Master EY

- Messaggi: 4226
- Iscritto il: 20 gen 2006, 11:42
- Località: Vigevano (PV)
0
voti
Ho eseguito la misurazione ed ho 17V circa.
La tensione deve essere non stabilizzata, ma se interpongo un 7812 come tu hai detto, cosa accadrebbe?
Andrebbe bene lo stesso?
La tensione deve essere non stabilizzata, ma se interpongo un 7812 come tu hai detto, cosa accadrebbe?
Andrebbe bene lo stesso?
2
voti
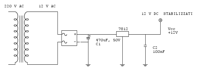
Il 7812 è in grado di erogare fino a 1A, non credo che il tuo programmatore assorba così tanto. Senz'altro, con una tensione stabilizzata non dovresti avere problemi, anzi.
Lo schema che segue, è indicativo: il valore di C1 può variare un po' in base all'assorbimento, ma senz'altro dovrà avere una tensione di isolamento di almeno 35V, meglio se 50V:
Ciao.
Paolo.
Lo schema che segue, è indicativo: il valore di C1 può variare un po' in base all'assorbimento, ma senz'altro dovrà avere una tensione di isolamento di almeno 35V, meglio se 50V:
Ciao.
Paolo.
"Houston, Tranquillity Base here. The Eagle has landed." - Neil A.Armstrong
-------------------------------------------------------------
PIC Experience - http://www.picexperience.it
-------------------------------------------------------------
PIC Experience - http://www.picexperience.it
-

Paolino
32,6k 8 12 13 - G.Master EY

- Messaggi: 4226
- Iscritto il: 20 gen 2006, 11:42
- Località: Vigevano (PV)
0
voti
L'assorbimento è di 300mA, comunque ho dato un'occhiata al circuito e in entrata il positivo è collegato prima ad un 78L12 e poi ad un 78L05, quindi direi che può andare il fatto di alimentarlo a tensione già stabilizzata.
Ad ogni modo ecco la guida con il relativo schema:
http://www.velleman.eu/downloads/0/illustrated/illustrated_assembly_manual_k8048_rev4.pdf
Ad ogni modo ecco la guida con il relativo schema:
http://www.velleman.eu/downloads/0/illustrated/illustrated_assembly_manual_k8048_rev4.pdf
Ultima modifica di
Gammaray il 5 lug 2012, 21:07, modificato 1 volta in totale.
2
voti
Certo, però considera che la caduta di tensione cui è sottoposto il 7805 è pari a 12V (17-5). La potenza dissipata in totale dal tuo 7805 è di 3.6W (300mA moltiplicati per 12V): un'aletta di raffreddamento, personalmente, la prevederei 
Ciao.
Paolo.
Ciao.
Paolo.
"Houston, Tranquillity Base here. The Eagle has landed." - Neil A.Armstrong
-------------------------------------------------------------
PIC Experience - http://www.picexperience.it
-------------------------------------------------------------
PIC Experience - http://www.picexperience.it
-

Paolino
32,6k 8 12 13 - G.Master EY

- Messaggi: 4226
- Iscritto il: 20 gen 2006, 11:42
- Località: Vigevano (PV)
0
voti
Vabè, se devo alimentarlo con un alimentatore già stabilizzato credo che non ci siano problemi di raffreddamento. Ho un alimentatore 12V 2000mA di un televisore, credo vada bene 
2
voti
Se il tuo alimentatore è da 12V stabilizzati, il 7805 viene sottoposto a una differenza di potenziale di 12-5 = 7V e la potenza che dissipa in calore è pari a 2.1W, molto meno di prima. Vedi tu.
Ciao.
Paolo.
Ciao.
Paolo.
"Houston, Tranquillity Base here. The Eagle has landed." - Neil A.Armstrong
-------------------------------------------------------------
PIC Experience - http://www.picexperience.it
-------------------------------------------------------------
PIC Experience - http://www.picexperience.it
-

Paolino
32,6k 8 12 13 - G.Master EY

- Messaggi: 4226
- Iscritto il: 20 gen 2006, 11:42
- Località: Vigevano (PV)
9 messaggi
• Pagina 1 di 1
Chi c’è in linea
Visitano il forum: Nessuno e 131 ospiti

Elettrotecnica e non solo (admin)
Un gatto tra gli elettroni (IsidoroKZ)
Esperienza e simulazioni (g.schgor)
Moleskine di un idraulico (RenzoDF)
Il Blog di ElectroYou (webmaster)
Idee microcontrollate (TardoFreak)
PICcoli grandi PICMicro (Paolino)
Il blog elettrico di carloc (carloc)
DirtEYblooog (dirtydeeds)
Di tutto... un po' (jordan20)
AK47 (lillo)
Esperienze elettroniche (marco438)
Telecomunicazioni musicali (clavicordo)
Automazione ed Elettronica (gustavo)
Direttive per la sicurezza (ErnestoCappelletti)
EYnfo dall'Alaska (mir)
Apriamo il quadro! (attilio)
H7-25 (asdf)
Passione Elettrica (massimob)
Elettroni a spasso (guidob)
Bloguerra (guerra)



