Orologio digitale
Moderatori:
carloc,
g.schgor,
BrunoValente,
IsidoroKZ
0
voti
[132] Re: Orologio digitale
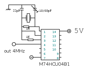
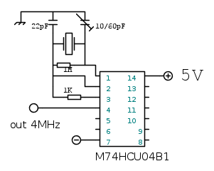
ho utilizzato lo schema che dovrebbe esserci anche nel primo "uno strano orologio digitale"
che è questo:

che è questo:

0
voti
[134] Re: Orologio digitale
ah vero forse nel tuo c' era qualcosa di diverso.. ma comunque questo era uno degli schemi possibi per la realizzazione del clock...
alle 3 vado a prendere il saldatore e finalmente si incomincia...

alle 3 vado a prendere il saldatore e finalmente si incomincia...

0
voti
[135] Re: Orologio digitale
Mi raccomando: un pezzo alla volta, con calma e.......tanti controlli.
Spendi qualche minuto in piu' ora per risparmiare ...ore dopo!
Se poi ogni tanto fai una foto per far vedere cosa stai facendo, potrebbero arrivare anche validi suggerimenti.
Spendi qualche minuto in piu' ora per risparmiare ...ore dopo!
Se poi ogni tanto fai una foto per far vedere cosa stai facendo, potrebbero arrivare anche validi suggerimenti.
marco
0
voti
[136] Re: Orologio digitale
marco438 ha scritto:Spendi qualche minuto in piu' ora per risparmiare ...ore dopo!
faro tutto minuziosamente anche perché trovarmi alla fine con dei problemi è una cosa che mi da un fastidio tremendo...
marco438 ha scritto:Se poi ogni tanto fai una foto per far vedere cosa stai facendo, potrebbero arrivare anche validi suggerimenti.
lo farei molto volentieri ma purtroppo non ho la macchina fotografica perché se n è impossessata mia madre...
e per quanto riguarda la qualità immagine del mio cellulare... beh sappiamo già com è...
0
voti
[139] Re: Orologio digitale
per fortuna mia madre è arrivata...
ad ogni modo ecco nella prima immagine il pulsante di reset (NC messo in serie all alimentazione)
ed ecco la prima parte del clock:

ad ogni modo ecco nella prima immagine il pulsante di reset (NC messo in serie all alimentazione)
ed ecco la prima parte del clock:

Ultima modifica di
marco438 il 10 lug 2012, 16:25, modificato 1 volta in totale.
Motivazione: Ridimensionate foto e inserite in linea
Motivazione: Ridimensionate foto e inserite in linea
0
voti
[140] Re: Orologio digitale
Ma condensatori un po piu' piccoli non potevi trovarli?
Ho l'impressione che tu ti stia "allargando" un po' troppo; se continui cosi' rischi di non trovare poi il posto per i divisori su una stessa linea.
Questa volta le foto le ho ridimensionate io; la prossima ricordati che non devono superare i 640x480 pixel.
Ho l'impressione che tu ti stia "allargando" un po' troppo; se continui cosi' rischi di non trovare poi il posto per i divisori su una stessa linea.
Questa volta le foto le ho ridimensionate io; la prossima ricordati che non devono superare i 640x480 pixel.
marco
Chi c’è in linea
Visitano il forum: Nessuno e 132 ospiti

Elettrotecnica e non solo (admin)
Un gatto tra gli elettroni (IsidoroKZ)
Esperienza e simulazioni (g.schgor)
Moleskine di un idraulico (RenzoDF)
Il Blog di ElectroYou (webmaster)
Idee microcontrollate (TardoFreak)
PICcoli grandi PICMicro (Paolino)
Il blog elettrico di carloc (carloc)
DirtEYblooog (dirtydeeds)
Di tutto... un po' (jordan20)
AK47 (lillo)
Esperienze elettroniche (marco438)
Telecomunicazioni musicali (clavicordo)
Automazione ed Elettronica (gustavo)
Direttive per la sicurezza (ErnestoCappelletti)
EYnfo dall'Alaska (mir)
Apriamo il quadro! (attilio)
H7-25 (asdf)
Passione Elettrica (massimob)
Elettroni a spasso (guidob)
Bloguerra (guerra)



