Ho letto il proseguo e personalmente, non avendo capito se hai già dato l'esame di elettrotecnica, ti consiglio comunque di ripassare quei metodi, leggi ai nodi, Norton e thevenin, metodo maglie (se le avete fatti con le matrici potresti anche tentare senza e scrivere tutte le equazioni).
Detto questo per iniziare a studiare i circuiti elettronici devi conoscere il comportamento dei dispositivi e ti consiglio vivamente di studiarli sui libri (integrando con le dispense) che ha indicato il tuo professore del corso così eviti problemi vari nel caso lui adottasse diverse "assunzioni" o "metodi di risoluzione" differenti dal materiale che trovi in internet.
Ovviamente puoi integrare ma ti consiglio di farlo quando hai dimestichezza con la materia per non fare confusione.
Un consiglio personale, l'elettronica è molto complessa perciò devi avere metodo nel ragionamento, ordine nello scrivere le formule e iniziare con circuiti semplici a singolo stadio dopo aver studiato la fisica dei dispositivi, almeno un minimo, e conoscere i modelli dei dispositivi sopratutto confrontando con il professore.
Se non ha mai fatto esercizi il professore chiedeteli, o avvaletevi di un servizio di tutorato o tramite gruppi studio (seri).
Se ti serve qualcosa posso indicarti dei titoli molto validi, in italiano, anche se rimane il fatto che i libri "migliori" e tutto il materiale elettronico (ma non solo) è scritto in inglese perciò quando ne saprai di più potresti ampliare con questo genere di materiale.
mosfet - BJT
Moderatori:
carloc,
g.schgor,
BrunoValente,
IsidoroKZ
39 messaggi
• Pagina 3 di 4 • 1, 2, 3, 4
0
voti
[22] Re: mosfet - BJT
davits ha scritto:posso chiederti in che facoltà sei, la città intendo, e come si chiama il professore di elettronica che non spiega nulla???:) sai com'è, in tutte le facoltà ci sono i prof che non spiegano, sopratutto quelli di elettronica....sarà un caso???
Come mai questa domanda? Conosci prof di elettronica di ingegneria?
Sinceramente non mi va di fare nomi, non mi sembra corretto. Ti posso dire che sono in Emilia Romagna. Comunque il prof è molto bravo in fatto di conoscenza. Il problema è che quando spiega dà molto per scontato scordandosi che ci sono ragazzi come me che l'elettronica non l'hanno mai vista prima. E poi l'altro aspetto negativo è che non ha mai fatto esercizi in aula e nello scritto ci sono solo esercizi. Il problema non è solo mio, tanto che qui si dice che quest'esame sia il più difficile della triennale.
Comunque elettrotecnica non l'ho ancora data, anche quella è un osso duro per me, ma questo non riguarda gli altri studenti. I diodi li ho studiati e capiti, credo sia l'unica cosa.
claudiocedrone ha scritto: se hai fatto lo scientifico presumo che tu abbia anche buone basi di fisica,se hai capito i diodi non vedo tutta questa difficoltà con i transistor... cosa posso dirti,potresti cercare degli studenti di ITI o professionali per l'elettronica e scambiare ripetizioni di matematica con ripetizioni di elettronica,i loro libri di testo sono scritti in italiano e sono abbastanza "basilari"
Le buone basi di fisica ce le ho sicuramente... Beh i transistor li vedo molto diversi dai diodi e poi c'è la questione del fanout e altre cose in più. Comunque ho amici dell'ITI elettronica che seguono il corso con me e finora sono stati tutti bocciati... nonostante 2 anni fa fossero finiti sul giornale per la loro bella media all'ITI.
Ah e all'esame si può portare qualunque cosa: libri, appunti, schemi... Ma su 10 ne passa mezzo di solito...
Ianero ha scritto:Ho letto un bellissimo libro, tanto semplice quanto perfetto per le mie (e mi sembra che coincidano con le tue) esigenze.
Ti mando il link se vuoi acquistarlo:
http://www.superbook.it/scheda_prodotto ... 8824737937
Grazie, lo prenderò in considerazione per quest'estate
belva87 ha scritto:Ho letto il proseguo e personalmente, non avendo capito se hai già dato l'esame di elettrotecnica, ti consiglio comunque di ripassare quei metodi, leggi ai nodi, Norton e Thevenin, metodo maglie (se le avete fatti con le matrici potresti anche tentare senza e scrivere tutte le equazioni).
Detto questo per iniziare a studiare i circuiti elettronici devi conoscere il comportamento dei dispositivi e ti consiglio vivamente di studiarli sui libri (integrando con le dispense) che ha indicato il tuo professore del corso così eviti problemi vari nel caso lui adottasse diverse "assunzioni" o "metodi di risoluzione" differenti dal materiale che trovi in internet.
Se ti serve qualcosa posso indicarti dei titoli molto validi, in italiano, anche se rimane il fatto che i libri "migliori" e tutto il materiale elettronico (ma non solo) è scritto in inglese perciò quando ne saprai di più potresti ampliare con questo genere di materiale.
No no l'ho dato l'esame di elettrotecnica, cioè avevo preso 16
Il prof di elettronica non ha dato dispense. Ma ho gli appunti delle sue lezioni. Ecco sì, magari mi potresti indicare qualche titolo (in italiano)? Però non libri troppo complessi. Ho gli esami vecchi se vuoi farti un'idea della complessità
0
voti
[23] Re: mosfet - BJT
magari puoi postare gli esercizi d'esame qui sul forum e vediamo di risolverli insieme....se li hai gia in formato elettronico potresti caricarli su internet e renderli disponibili per tutti, cosi vediamo se il livello degli scritti di elettronica è uguale in tutta italia o in emilia romagna è più alto....in ogni caso io ti consiglio, quando hai studiato un po, di vederti questo libro "Elettronica analogica: prove svolte con approfondimenti" è un libro di francesco corsi, docente del politecnico di bari, dove si raccolgono 15 esercizi svolti da 15 docenti di elettronica diversi, magari trovi un esercizio svolto anche dal tuo professore!
un altro consiglio, dai prima l'esame di elettrotecnica...studia quella parte....una volta fatto quello studia mosfet e BJT
un altro consiglio, dai prima l'esame di elettrotecnica...studia quella parte....una volta fatto quello studia mosfet e BJT
0
voti
[24] Re: mosfet - BJT
davits ha scritto:magari puoi postare gli esercizi d'esame qui sul forum e vediamo di risolverli insieme....se li hai gia in formato elettronico potresti caricarli su internet e renderli disponibili per tutti, cosi vediamo se il livello degli scritti di elettronica è uguale in tutta italia o in emilia romagna è più alto....in ogni caso io ti consiglio, quando hai studiato un po, di vederti questo libro "Elettronica analogica: prove svolte con approfondimenti" è un libro di francesco corsi, docente del politecnico di bari, dove si raccolgono 15 esercizi svolti da 15 docenti di elettronica diversi, magari trovi un esercizio svolto anche dal tuo professore!
Magari, se non è troppo disturbo per te
Ho allegato l'utima prova d'esame. Ci sono anche i risultati ma la risoluzione fatta dal prof non ha una grande spiegazione a mio avviso.
Non intendo dire che il "livello degli scritti di elettronica" sia più alto qui rispetto al resto d'Italia, cioè non lo so se è così. Dico solo che io faccio informatica e questo secondo me è un esame peso per gli informatici, magari è più adatto al piano di studio degli elettronici (e infatti ce l'hanno anche loro). Calcola che si può usare qualunque appunto all'esame o libro... nonostante questo quasi nessuno lo passa... Ci sono 2 ore di tempo.
Grazie del consiglio del libro...
- Allegati
-
FondA-130612(1).pdf- (477.77 KiB) Scaricato 281 volte
0
voti
[25] Re: mosfet - BJT
mi dispiace, non so fare questo tipo di esercizi e sinceramente non ho idea di come si facciano...inoltre la spiegazione non è per niente dettagliata, anzi, è proprio pessima....dovresti riuscire a trovarne qualcuno svolto decentemente da qualche collega per capire come si facciano....
0
voti
[26] Re: mosfet - BJT
davits ha scritto:mi dispiace, non so fare questo tipo di esercizi e sinceramente non ho idea di come si facciano...inoltre la spiegazione non è per niente dettagliata, anzi, è proprio pessima....dovresti riuscire a trovarne qualcuno svolto decentemente da qualche collega per capire come si facciano....
Adesso puoi capirmi
Grazie comunque di tutto
Ma per colleghi intendi i miei compagni di università?
1
voti
[27] Re: mosfet - BJT
Secondo me hai sbagliato ad impostare la domanda. Credo che per risolvere in modo corretto l'esercizio e ricevere aiuto sia necessario postare il circuito fatto in FidoCadJ e il testo dell'esercizio direttamente nel post. Sembra una cosa banale ma direi indispensabile per due motivi: il primo che molta gente, come pure il sottoscritto, non è molto predisposta ad aprire pdf per cercare un esercizio d'esame; il secondo perché, oltre a migliorare notevolmente la leggibilità del 3D e migliorarne anche l'aspetto estetico, è un potente mezzo di interazione fra i vari utenti.
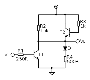
Per quanto riguarda l'esercizio 1, l'esercizio doveva essere postato nel modo seguente:
Esercizio. Nel circuito in figura, i transistori possono essere descritti da un modello “a soglia”, con
e
. Si determini la caratteristica statica di trasferimento
, per
e il margine d’immunità ai disturbi, NM della rete. Si assuma per i transistori un
. Immagino che anche per il diodo si assuma un modello "a soglia".
Inoltre è sicuramente utile se provi a risolvere l'esercizio da sola e postare eventualmente i tuoi dubbi. Se te lo risolviamo noi non serve a niente: purtroppo ci devi sbattere la testa.
In particolare, tu come cominceresti per trovare la caratteristica statica? (Aiutino: magari inizierei a vedere cosa succede se
...) Prova a postare un possibile procedimento e vedrai che poi qualcuno ti aiuterà.

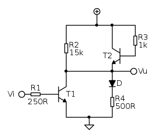
Per quanto riguarda l'esercizio 1, l'esercizio doveva essere postato nel modo seguente:
Esercizio. Nel circuito in figura, i transistori possono essere descritti da un modello “a soglia”, con
e
. Si determini la caratteristica statica di trasferimento
, per
e il margine d’immunità ai disturbi, NM della rete. Si assuma per i transistori un
. Immagino che anche per il diodo si assuma un modello "a soglia".Inoltre è sicuramente utile se provi a risolvere l'esercizio da sola e postare eventualmente i tuoi dubbi. Se te lo risolviamo noi non serve a niente: purtroppo ci devi sbattere la testa.
In particolare, tu come cominceresti per trovare la caratteristica statica? (Aiutino: magari inizierei a vedere cosa succede se
...) Prova a postare un possibile procedimento e vedrai che poi qualcuno ti aiuterà.
-

EnChamade
6.498 2 8 12 - G.Master EY

- Messaggi: 588
- Iscritto il: 18 giu 2009, 12:00
- Località: Padova - Feltre
0
voti
[28] Re: mosfet - BJT
EnChamade ha scritto:Secondo me hai sbagliato ad impostare la domanda. Credo che per risolvere in modo corretto l'esercizio e ricevere aiuto sia necessario postare il circuito fatto in FidoCadJ e il testo dell'esercizio direttamente nel post.
Inoltre è sicuramente utile se provi a risolvere l'esercizio da sola e postare eventualmente i tuoi dubbi. Se te lo risolviamo noi non serve a niente: purtroppo ci devi sbattere la testa.
In particolare, tu come cominceresti per trovare la caratteristica statica?
Ciao! Sono nuova del forum e non so come si postano i circuiti dato che non li avevo mai visti prima...
Comunque grazie del consiglio.
E hai ragione sul fatto che dovrei risolverlo da sola ma non saprei proprio cosa fare cioè è tutto così incasinato e poi non ho ancora capito bene cos'è la caratteristica statica. Cioè la differenza tra quando chiede la caratteristica statica e quando chiede quella dinamica. Non ho mai fatto un esercizio guidato per quello l'avevo caricato qui, nella speranza che qualche buon'anima lo commentasse un po'...
0
voti
[29] Re: mosfet - BJT
sunshine ha scritto:non ho ancora capito bene cos'è la caratteristica statica
La caratteristica statica è la risposta
del circuito in funzione della tensione di ingresso
, supposta lentamente variabile in modo da poter trascurare gli effetti dinamici (capacità parassite ecc.).Per esempio (come chiedeva
, T1 è interdetto: i) T2 è interdetto, in zona attiva o in saturazione? ii) Quanto vale in questo caso
?It's a sin to write
instead of
(Anonimo).
...'cos you know that
ain't
, right?
You won't get a sexy tan if you write
in lieu of
.
Take a log for a fireplace, but don't take
for
arithm.
instead of
(Anonimo)....'cos you know that
ain't
, right?You won't get a sexy tan if you write
in lieu of
.Take a log for a fireplace, but don't take
for
arithm.-

DirtyDeeds
55,9k 7 11 13 - G.Master EY

- Messaggi: 7012
- Iscritto il: 13 apr 2010, 16:13
- Località: Somewhere in nowhere
0
voti
[30] Re: mosfet - BJT
DirtyDeeds ha scritto:Per esempio (come chiedevaEnChamade), se
, T1 è interdetto: i) T2 è interdetto, in zona attiva o in saturazione? ii) Quanto vale in questo caso
?
Beh non posso essere tutti e 2 interdetti contemporaneamente, giusto?
39 messaggi
• Pagina 3 di 4 • 1, 2, 3, 4
Chi c’è in linea
Visitano il forum: Nessuno e 56 ospiti

Elettrotecnica e non solo (admin)
Un gatto tra gli elettroni (IsidoroKZ)
Esperienza e simulazioni (g.schgor)
Moleskine di un idraulico (RenzoDF)
Il Blog di ElectroYou (webmaster)
Idee microcontrollate (TardoFreak)
PICcoli grandi PICMicro (Paolino)
Il blog elettrico di carloc (carloc)
DirtEYblooog (dirtydeeds)
Di tutto... un po' (jordan20)
AK47 (lillo)
Esperienze elettroniche (marco438)
Telecomunicazioni musicali (clavicordo)
Automazione ed Elettronica (gustavo)
Direttive per la sicurezza (ErnestoCappelletti)
EYnfo dall'Alaska (mir)
Apriamo il quadro! (attilio)
H7-25 (asdf)
Passione Elettrica (massimob)
Elettroni a spasso (guidob)
Bloguerra (guerra)


