Cos'è ElectroYou | Login Iscriviti

ElectroYou - la comunità dei professionisti del mondo elettrico

Amp op ed nmos (esercizio)

Elettronica lineare e digitale: didattica ed applicazioni

Moderatori: Foto Utentecarloc, Foto Utenteg.schgor, Foto UtenteBrunoValente, Foto UtenteIsidoroKZ

4
voti

[11] Re: Amp op ed nmos (esercizio)

Messaggioda Foto UtenteEnChamade » 14 lug 2012, 12:40

giozh ha scritto:Purtroppo non mi era venuto proprio in mente di considerare il corto circuito virtuale tra l'invertente ed il non invertente :D

Killed! :mrgreen: :mrgreen: :mrgreen: :mrgreen: Lo so, non è colpa tua. Te lo insegnano così all'università, ma non è assolutamente corretta la dicitura "corto circuito virtuale". Lo avevano insegnato anche a me e l'ho usato impropriamente fino al mio incontro virtuale con Foto UtenteIsidoroKZ. Se devi imparare l'elettronica, devi imparare anche ad esprimere i concetti in modo corretto: preferisco parlare di potenziale differenziale d'ingresso nullo (in realtà quasi). In particolare, tralasciando il fatto che la dicitura nasce da una traduzione impropria dall'inglese, vi è un concetto elettrotecnico errato racchiuso in esso, riguardante proprio le proprietà di un cortocircuito. Senza mettersi a riscrivere quello che è già stato ampliamente discusso magistralmente da altri utenti del forum, puoi trovare la spiegazione qui: leggila e rileggila bene!
Ormai che ci siamo, ti invito a leggere bene anche questo al fine di imparare ad utilizzare i simboli corretti negli schemi, in particolare quello di riferimento.

gohan ha scritto:Si chiama "Voltage Controlled Current Sink".

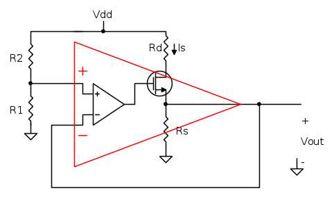
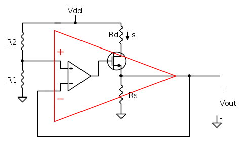
Ni! Sarei pienamente in accordo se il carico fosse al posto di R_D. In quel caso il circuito controllerebbe la corrente del carico relazionandola direttamente alla tensione dell'ingresso non invertente. Nel nostro caso però il carico viene connesso sul source del MOS e la retroazione preleva direttamente la tensione ai suoi capi che di conseguenza viene fissata, controllando il gate del MOS, a quella presente nell'ingresso non invertente. Concettualmente preferisco vedere il circuito come un operazionale seguito da un "quasi" common drain e chiuso con retroazione unitaria; quindi una cosa del genere:


mctn ha scritto:Riflettendoci, però, la tensione al morsetto invertente dev'essere fissata in qualche modo, e se è vero che l'operazionale è in configurazione NON invertente, è V_- \approx V_+ a fissare la corrente su R_s e NON è, viceversa, la corrente I_s a fissare la tensione.

Non ho capito cosa stai dicendo, ma quello che succede in parole povere è questo: ragionando idealmente, la retroazione tende a rendere nullo il potenziale differenziale d'ingresso dell'operazionale. Per farlo, l'operazionale controlla la tensione del gate del MOS. Ad esempio, se V^-<V^+ l'uscita dell'operazionale tende a crescere, ma crescendo aumenta la corrente di drain e quindi anche la V^-. Il processo quindi raggiunge un equilibrio, nel momento in cui la differenza V^+-V^- è tale da sostenere la corrente di drain. Dato che l'operazionale ha alto guadagno, dalle parti del milione, questa differenza sarà molto piccola e quindi trascurabile ai fini pratici: ecco perché si suppone che la differenziale d'ingresso sia nulla.
O_/
Avatar utente
Foto UtenteEnChamade
6.498 2 8 12
G.Master EY
G.Master EY
 
Messaggi: 588
Iscritto il: 18 giu 2009, 12:00
Località: Padova - Feltre

0
voti

[12] Re: Amp op ed nmos (esercizio)

Messaggioda Foto Utentegiozh » 16 lug 2012, 10:39

Guarda, essendo un corso di elettronica per ingegneria informatica (quindi non è un esame proprio calzante alla mia carriera universitaria), per ora mi basta la dicitura corto circuito virtuale :D
Quando avrò passato l'esame darò una letta a quei documenti che mi hai linkato. Grazie :D
Avatar utente
Foto Utentegiozh
0 4
New entry
New entry
 
Messaggi: 83
Iscritto il: 9 lug 2010, 16:17

Precedente

Torna a Elettronica generale

Chi c’è in linea

Visitano il forum: Nessuno e 343 ospiti