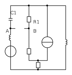
Buona sera, di seguito c'è lo schema del circuito che sto studiando:
In corrispondenza del tratto indicato con la lettera V è presente un Voltmetro e dovrei calcolare la tensione ai capi dei due morsetti corrispondenti. Vorrei avere una conferma sulla validità del ragionamento che ho fatto per il calcolo di questa tensione.
La tensione letta dal Voltmetro è pari, ad esempio, alla somma della tensione sul condensatore C1 e della tensione su R1, dopo aver opportunamente scelto in modo arbitrario i riferimenti dei versi di tensioni e correnti e aver applicato la leggi di K. alla maglia virtuale che si forma. A questo punto il problema ricade nel calcolo di queste due tensioni incognite che possono essere ottenute considerando il Voltmetro come un circuito aperto e risolvendo il circuito di impedenze corrispondente. Per risolvere il circuito di impedenze posso usare la sovrapposizione degli effetti e spegnere uno per volta i due generatori e ottenere, in fine, i due singoli contributi delle due tensioni.
Il mio dubbio è proprio sull'aver posto la tensione letta dal Voltmetro pari alla somma delle due tensioni in quella maglia "virtuale". È corretto lavorare in questo modo? Grazie mille.
Dubbio sul calcolo di una tensione
Moderatori:
g.schgor,
IsidoroKZ
5 messaggi
• Pagina 1 di 1
0
voti
0
voti
Mi sembra corretto. Poi quale sia la strada piu` veloce per fare il conto non saprei dirti.
Per usare proficuamente un simulatore, bisogna sapere molta più elettronica di lui
Plug it in - it works better!
Il 555 sta all'elettronica come Arduino all'informatica! (entrambi loro malgrado)
Se volete risposte rispondete a tutte le mie domande
Plug it in - it works better!
Il 555 sta all'elettronica come Arduino all'informatica! (entrambi loro malgrado)
Se volete risposte rispondete a tutte le mie domande
2
voti
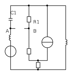
Il tuo ragionamento mi sembra corretto, ho ridisegnato il circuito per averne una visione leggermente più semplice (forse):
Se si scrive l'equazione alla maglia di sinistra, si ottine che la tensione che tu cerchi è pari alla somma tra la caduta di potenziale su C1 e su R1 in quanto:


Ovviamente in modulo, in base a come ipotizzi le correnti potresti avere una differenza o una somma.
Per il calcolo delle due tensione a mio avviso, s.d.e. potrebbe andare benissimo, anche io avrei fatto questa scelta
Se si scrive l'equazione alla maglia di sinistra, si ottine che la tensione che tu cerchi è pari alla somma tra la caduta di potenziale su C1 e su R1 in quanto:


Ovviamente in modulo, in base a come ipotizzi le correnti potresti avere una differenza o una somma.
Per il calcolo delle due tensione a mio avviso, s.d.e. potrebbe andare benissimo, anche io avrei fatto questa scelta
0
voti
Va benissimo, tutto chiaro. Credo sia proprio questa la soluzione. Grazie ancora ! 
0
voti
Se poi, L1 e C1 si trovassero in condizioni di risonanza serie il tutto si semplificherebbe e potrebbe ad esempio essere usato Millman
viewtopic.php?f=2&t=36678&p=318159
viewtopic.php?f=2&t=36678&p=318159
"Il circuito ha sempre ragione" (Luigi Malesani)
5 messaggi
• Pagina 1 di 1
Torna a Elettrotecnica generale
Chi c’è in linea
Visitano il forum: Nessuno e 38 ospiti

Elettrotecnica e non solo (admin)
Un gatto tra gli elettroni (IsidoroKZ)
Esperienza e simulazioni (g.schgor)
Moleskine di un idraulico (RenzoDF)
Il Blog di ElectroYou (webmaster)
Idee microcontrollate (TardoFreak)
PICcoli grandi PICMicro (Paolino)
Il blog elettrico di carloc (carloc)
DirtEYblooog (dirtydeeds)
Di tutto... un po' (jordan20)
AK47 (lillo)
Esperienze elettroniche (marco438)
Telecomunicazioni musicali (clavicordo)
Automazione ed Elettronica (gustavo)
Direttive per la sicurezza (ErnestoCappelletti)
EYnfo dall'Alaska (mir)
Apriamo il quadro! (attilio)
H7-25 (asdf)
Passione Elettrica (massimob)
Elettroni a spasso (guidob)
Bloguerra (guerra)






