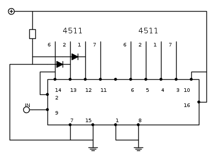
Ad evitare ulteriori sprechi di tempo e spazio, riporto in chiaro i necessari collegamenti affinche' non sorgano incomprensioni.
Se fai come disegnato, deve funzionare.
E' chiaro che questi collegamenti sono validi quando l'ingresso di clock viene posto sul pin 9.
Se l'ingresso e' al contrario il pin 1, cambia tutto.
Se provi prima su breadboard, per semplicita' ometti i diodi e la resistenza e collega 7/15 a massa; dovrebbe contare fino a 99.
Orologio digitale
Moderatori:
carloc,
g.schgor,
BrunoValente,
IsidoroKZ
0
voti
[183] Re: Orologio digitale
Certo che va bene; bisogna pero' verificare che il clock venga effettivamente generato e questo lo puoi provare con un led. Accertati poi sempre che arrivi al pin giusto del 4518.
Se poi ottieni quei risultati, o hai sbagliato qualche collegamento o sei riuscito a bruciare l'integrato.
Se poi ottieni quei risultati, o hai sbagliato qualche collegamento o sei riuscito a bruciare l'integrato.
marco
0
voti
[184] Re: Orologio digitale
rieccomi qui con una balle notizia...
è tutto il pomeriggio che ci lavoro e sono riuscito a far funzionare i secondi...
ho incominciato con lo schema che mi ai dato, ma non funzionava... (il collegamento a massa dei piedini 7 e 15 non ci deve essere e i due 4511 devono essere invertiti cioè il primo al posto del secondo e viceversa)
con lo schema che mi ai dato continuava a contare fino a 99.... allora facendo un controllo con datasheet e uno schema che ho trovato su internet ho scoperto l' errore...
stai cercando di mettermi alla prova
adesso metterò tutto su millefori

è tutto il pomeriggio che ci lavoro e sono riuscito a far funzionare i secondi...
ho incominciato con lo schema che mi ai dato, ma non funzionava... (il collegamento a massa dei piedini 7 e 15 non ci deve essere e i due 4511 devono essere invertiti cioè il primo al posto del secondo e viceversa)
con lo schema che mi ai dato continuava a contare fino a 99.... allora facendo un controllo con datasheet e uno schema che ho trovato su internet ho scoperto l' errore...
stai cercando di mettermi alla prova
adesso metterò tutto su millefori

1
voti
[185] Re: Orologio digitale
Non sto cercando di metterti alla prova ma di farti ragionare un po'.
Il discorso di invertire le decodifiche era chiaramente spiegato nell'articolo che dici di aver letto, come pure si faceva cenno al fatto di collegare o meno i pin di reset a seconda delle necessita', cosi' come ti avevo avvertito in un post precedente che il conteggio sarebbe arrivato a 99.
Evidentemente leggi con superficialita' e/o non ricordi quello che hai letto.
L'importante e' comunque che si sia arrivati alla conclusione.
Ora non avrai difficolta' per portare a termine il progetto.

Il discorso di invertire le decodifiche era chiaramente spiegato nell'articolo che dici di aver letto, come pure si faceva cenno al fatto di collegare o meno i pin di reset a seconda delle necessita', cosi' come ti avevo avvertito in un post precedente che il conteggio sarebbe arrivato a 99.
Evidentemente leggi con superficialita' e/o non ricordi quello che hai letto.
L'importante e' comunque che si sia arrivati alla conclusione.
Ora non avrai difficolta' per portare a termine il progetto.

marco
0
voti
[187] Re: Orologio digitale
5Hz saranno un po pochini visto che devi fare avanzare contemporaneamente ore, minuti e secondi. (poi vorrei sapere dove li prendi
)
Questo ingresso va messo prima del 4011 e io ho adottato 10/100/1000Hz nel mio prototipo.
Comunque ora finisci il resto; questo viene alla fine e lo rivediamo con calma.
)Questo ingresso va messo prima del 4011 e io ho adottato 10/100/1000Hz nel mio prototipo.
Comunque ora finisci il resto; questo viene alla fine e lo rivediamo con calma.
marco
3
voti
[188] Re: Orologio digitale
finiti i secondi ecco le immagini
non faccio vedere le foto dietro perché ho fatto un vero e proprio casino in quanto
mi sono accorto dopo che ho sbagliato orientamento del contatore...
però funziona...
non faccio vedere le foto dietro perché ho fatto un vero e proprio casino in quanto
mi sono accorto dopo che ho sbagliato orientamento del contatore...
però funziona...

Chi c’è in linea
Visitano il forum: Nessuno e 51 ospiti

Elettrotecnica e non solo (admin)
Un gatto tra gli elettroni (IsidoroKZ)
Esperienza e simulazioni (g.schgor)
Moleskine di un idraulico (RenzoDF)
Il Blog di ElectroYou (webmaster)
Idee microcontrollate (TardoFreak)
PICcoli grandi PICMicro (Paolino)
Il blog elettrico di carloc (carloc)
DirtEYblooog (dirtydeeds)
Di tutto... un po' (jordan20)
AK47 (lillo)
Esperienze elettroniche (marco438)
Telecomunicazioni musicali (clavicordo)
Automazione ed Elettronica (gustavo)
Direttive per la sicurezza (ErnestoCappelletti)
EYnfo dall'Alaska (mir)
Apriamo il quadro! (attilio)
H7-25 (asdf)
Passione Elettrica (massimob)
Elettroni a spasso (guidob)
Bloguerra (guerra)



