Vorrei realizzare un dispositivo portatile che, opportunamente pilotato, riproduca suoni (musica e voce).
Il primo ostacolo, dovuto ovviamente all'ignoranza, riguarda l'alimentazione.
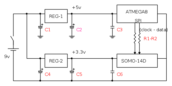
I dispositivi che vorrei utilizzare hanno alimentazioni diverse: 5V e 3.3 V.
Ho sviluppato uno schema, prendendo spunto dall'articolo di
dei componenti :
ATMEGA8-16PI = datasheet
SOMO-14D = datasheet
REG-1 = UA7805CKC datasheet
REG-2 = UA78M33CKCS3 datasheet
- C1 - C4 = 0.33 μF elettrolitico (alluminio o tantalio ?)
C2 - C5 = 0.1 μF elettrolitico (alluminio o tantalio ?)
C3 = 0.1 μF ceramico
C6 = 220 μF elettrolitico
R1 – R2 = 470 Ω
In realtà mi sono sforzato e mi sforzerò di capire i meccanismi, ma ho bisogno di avere, il più presto possibile, la soddisfazione di realizzare qualcosa, pena la demoralizzazione.
Per esempio mi è stato utile leggere l'intervento di Isodoro KZ sull'utilità dei condensatori prima e dopo il regolatore (sinceramente non ho capito proprio tutto tutto
In conclusione vi chiedo se devo abbattere subito i componenti (per non farli soffrire !) o ci sono margini di miglioramento.
Vi ringrazio in anticipo e salute a tutti !

Elettrotecnica e non solo (admin)
Un gatto tra gli elettroni (IsidoroKZ)
Esperienza e simulazioni (g.schgor)
Moleskine di un idraulico (RenzoDF)
Il Blog di ElectroYou (webmaster)
Idee microcontrollate (TardoFreak)
PICcoli grandi PICMicro (Paolino)
Il blog elettrico di carloc (carloc)
DirtEYblooog (dirtydeeds)
Di tutto... un po' (jordan20)
AK47 (lillo)
Esperienze elettroniche (marco438)
Telecomunicazioni musicali (clavicordo)
Automazione ed Elettronica (gustavo)
Direttive per la sicurezza (ErnestoCappelletti)
EYnfo dall'Alaska (mir)
Apriamo il quadro! (attilio)
H7-25 (asdf)
Passione Elettrica (massimob)
Elettroni a spasso (guidob)
Bloguerra (guerra)



