Cos'è ElectroYou | Login Iscriviti

ElectroYou - la comunità dei professionisti del mondo elettrico

Voltmetro a led con cicalino

Elettronica lineare e digitale: didattica ed applicazioni

Moderatori: Foto Utentecarloc, Foto Utenteg.schgor, Foto UtenteBrunoValente, Foto UtenteIsidoroKZ

1
voti

[11] Re: Voltmetro a led con cicalino

Messaggioda Foto Utenteelektorplus » 29 lug 2012, 9:51

Quando la tensione è maggiore di 10V si accende solo il led1.
Quando la tensione è 10V sono accesi sia il led1 sia il led2
Quando la tensione scende sotto 10V il led2 è acceso. Puoi sostituire il led2 con un buzzer.


Simulato e montato.

In base alla regolazione del trimmer X1, regoli la soglia di intervento.
Il diodo zener è da 9.1V

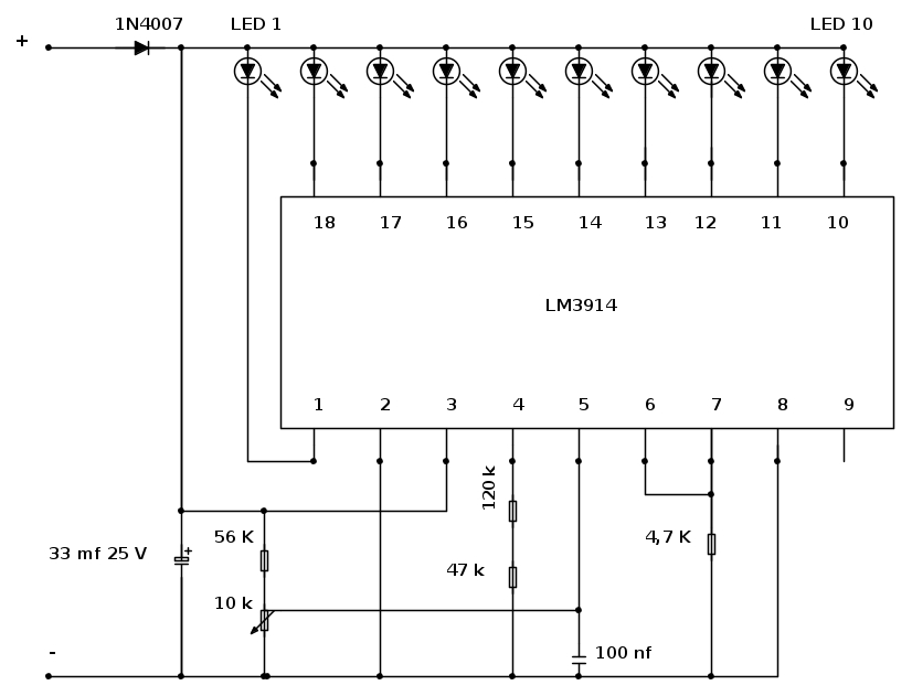
Immagine
Avatar utente
Foto Utenteelektorplus
15 3
 
Messaggi: 17
Iscritto il: 25 feb 2012, 15:19

1
voti

[12] Re: Voltmetro a led con cicalino

Messaggioda Foto UtenteDITA2462 » 29 lug 2012, 12:26

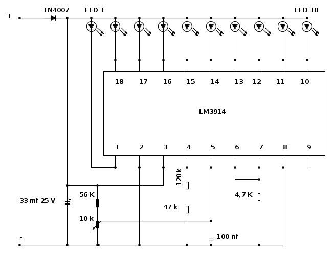
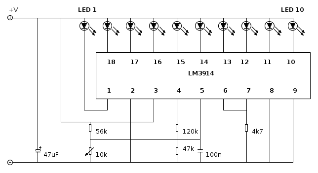
Ringrazio tutti per l'aiuto che mi state dando; in pratica ho questo schema

a cui manca solo il cicalino di avviso che la batteria è in prossimità di scaricarsi. Il led 1 dovrebbe essere tarato ad accendersi ad 11,89 V e poiché il circuito è impostato in modalità "DOT" chiedo se è corretto collegare il cicalino sul LED 1. Se così è che tipo di cicalino mi suggerite (per ragioni di spazio è necessario prevedere qualcosa di piccolo)?
Ultima modifica di Foto UtenteCandy il 29 lug 2012, 12:33, modificato 2 volte in totale.
Motivazione: inserito il codice FidocadJ tra i tag fcd
Avatar utente
Foto UtenteDITA2462
5 2
 
Messaggi: 9
Iscritto il: 28 lug 2012, 11:49

0
voti

[13] Re: Voltmetro a led con cicalino

Messaggioda Foto UtenteCandy » 29 lug 2012, 12:32

Bene per la tua iniziativa, ma una precisazione: non è affatto corretto mescolare nello stesso schema elementti funzionali ed elementi pratici o topografici.
Lo schema non ha alcuna leggibilità.
Fai ancora lo sforzo di sostituitre il topografico dello LM3914 con un simbolo appropriato. Sul DS o dove hai recuperato lo schema, puoi vedere come si fa.
Fatto questo vedremo come integrare e completare il lavoro.
Avatar utente
Foto UtenteCandy
32,5k 7 10 13
CRU - Account cancellato su Richiesta utente
 
Messaggi: 10123
Iscritto il: 14 giu 2010, 22:54

0
voti

[14] Re: Voltmetro a led con cicalino

Messaggioda Foto UtenteDITA2462 » 29 lug 2012, 12:37

Scuasami Candy non ho ben capito cosa mi chiedi. Potresti essere più chiaro per favore?
Avatar utente
Foto UtenteDITA2462
5 2
 
Messaggi: 9
Iscritto il: 28 lug 2012, 11:49

0
voti

[15] Re: Voltmetro a led con cicalino

Messaggioda Foto UtenteCandy » 29 lug 2012, 12:41

Fai ancora lo sforzo di sostituitre il topografico dello LM3914 con un simbolo appropriato.

Che vuol dire: invece di rappresentare lo LM3914 col suo pinout, rappresentalo con un simbolo funzionale.
Avatar utente
Foto UtenteCandy
32,5k 7 10 13
CRU - Account cancellato su Richiesta utente
 
Messaggi: 10123
Iscritto il: 14 giu 2010, 22:54

0
voti

[16] Re: Voltmetro a led con cicalino

Messaggioda Foto Utenteelektorplus » 29 lug 2012, 15:40

DITA2462 ha scritto:Ringrazio tutti per l'aiuto che mi state dando; in pratica ho questo schema
[..]


Stando alle tue richieste del primo post, il buzzer doveva essere attivato quando la tensione sarebbe scensa sotto i 10V.

Comunque dovresti controllare la corrente richiesta dal buzzer e verificare che l'uscita del c.i. possa sopportarla.

Inoltre mancano le resistenze sui rami dei led.
Avatar utente
Foto Utenteelektorplus
15 3
 
Messaggi: 17
Iscritto il: 25 feb 2012, 15:19

0
voti

[17] Re: Voltmetro a led con cicalino

Messaggioda Foto UtenteDITA2462 » 29 lug 2012, 17:50

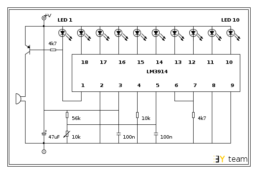
Se ho ben capito lo schema corretto dovrebbe essere questo:

Se la mia interpretazione dello schema è esatta la luminosità dei LED dovrebbe essere regolata dalla resistenza da 4,7 kohm collegata sui piedini 6 e 7 dell' LM 3914.
Avatar utente
Foto UtenteDITA2462
5 2
 
Messaggi: 9
Iscritto il: 28 lug 2012, 11:49

0
voti

[18] Re: Voltmetro a led con cicalino

Messaggioda Foto UtenteCandy » 29 lug 2012, 19:43


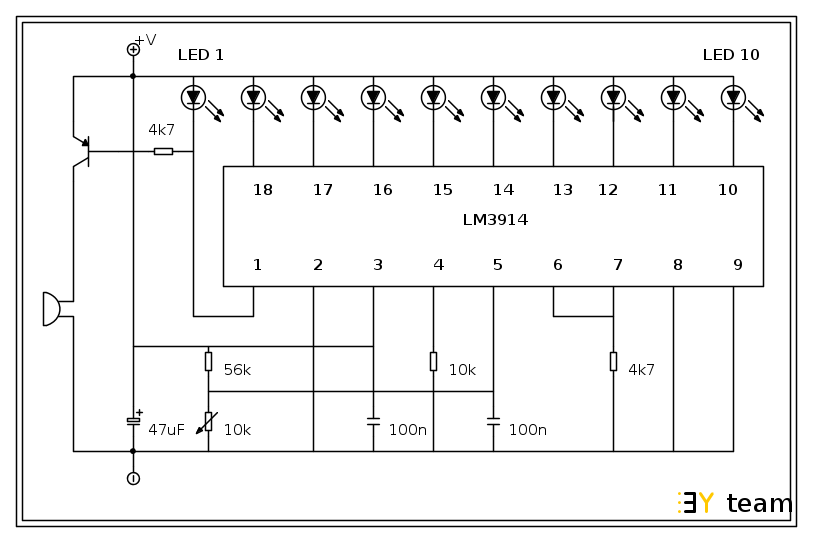
Ecco lo schema leggermente rivisitato, ma non modificato.
1) Sei sicuro che ti interessa la configurazione a punto luminoso e non a barra?
2) Dove voleva essere il segnale di riferimento nel tuo progetto?
Avatar utente
Foto UtenteCandy
32,5k 7 10 13
CRU - Account cancellato su Richiesta utente
 
Messaggi: 10123
Iscritto il: 14 giu 2010, 22:54

1
voti

[19] Re: Voltmetro a led con cicalino

Messaggioda Foto UtenteCandy » 29 lug 2012, 20:53

Rileggendo un poco tutto il theread ho forse interpretato il tuo intento.


La configurazione dell'integrato l'ho lasciata per una indicazione a punto e non a barra. Questo ti sarà utile per gestire il buzzer che quindi suonerà solo col LED 1 acceso.
Il partitore non so come lo avevi calcolato e le resistenze in uscita al terminale 4 erano esagerate. Con la mia indicazione e regolando il trimmer, il LED 1 potrai farlo accendere a 10 V ed il LED 10 a 18,2 V circa. I restanto si comporteranno linearmente.
Ho inteso che volevi evitare di alimentare lo LM3914 direttamente dalla stess abatteria da controllare. Come range di tensioni effettivamente può funzionare. Ma la soglia supereiore di 18 V è un limite amche per l'integrato. Limite che penso io non si raggungerà mai, trattandosi di una batteria.
Il buzzer dovrai sceglierlo per funzionare a 12 V circa, dovrà ronzare in modo autonomo.
Avatar utente
Foto UtenteCandy
32,5k 7 10 13
CRU - Account cancellato su Richiesta utente
 
Messaggi: 10123
Iscritto il: 14 giu 2010, 22:54

0
voti

[20] Re: Voltmetro a led con cicalino

Messaggioda Foto UtenteDITA2462 » 29 lug 2012, 22:58

L'interpretazione è esatta, va bene la configurazione a punto, il range da 10 a 18 volt con incrementi lineari, ecc. Però ho necessità di chiederti ancora un paio di cose, e cioè:
- cosa cambia se lo alimento con la stessa batteria che voglio controllare?
- il transistor che hai inserito per pilotare il buzzer è un PNP; può andar bene il 2N3906?
- il diodo 1N4007 posso lasciarlo comunque a protezione di eventuali inversioni di polarità?
Avatar utente
Foto UtenteDITA2462
5 2
 
Messaggi: 9
Iscritto il: 28 lug 2012, 11:49

PrecedenteProssimo

Torna a Elettronica generale

Chi c’è in linea

Visitano il forum: Nessuno e 251 ospiti