cosa cambia se lo alimento con la stessa batteria che voglio controllare?
Difficile a dirsi, molto dipende dalla stabilità interna dell'integrato, soprattutto dal generatore del riferimento di tensione, che sarebbe poi il punto più delicato. Alimentarlo a tensione stabilizzata significa limitare il range di "possibili" variazioni interne. Poi, nel tuo caso, puoi scoprire che funziona tutto bene.
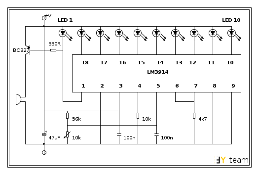
il transistor che hai inserito per pilotare il buzzer è un PNP; può andar bene il 2N3906?
Molto dipende dal buzzer che userai. Meglio fare una ricerca prima. Però vedo meglio un BC327.
il diodo 1N4007 posso lasciarlo comunque a protezione di eventuali inversioni di polarità?
Come credi.

Elettrotecnica e non solo (admin)
Un gatto tra gli elettroni (IsidoroKZ)
Esperienza e simulazioni (g.schgor)
Moleskine di un idraulico (RenzoDF)
Il Blog di ElectroYou (webmaster)
Idee microcontrollate (TardoFreak)
PICcoli grandi PICMicro (Paolino)
Il blog elettrico di carloc (carloc)
DirtEYblooog (dirtydeeds)
Di tutto... un po' (jordan20)
AK47 (lillo)
Esperienze elettroniche (marco438)
Telecomunicazioni musicali (clavicordo)
Automazione ed Elettronica (gustavo)
Direttive per la sicurezza (ErnestoCappelletti)
EYnfo dall'Alaska (mir)
Apriamo il quadro! (attilio)
H7-25 (asdf)
Passione Elettrica (massimob)
Elettroni a spasso (guidob)
Bloguerra (guerra)

