Cos'è ElectroYou | Login Iscriviti

ElectroYou - la comunità dei professionisti del mondo elettrico

Comandare un relè con 0.4 V

Elettronica lineare e digitale: didattica ed applicazioni

Moderatori: Foto Utentecarloc, Foto Utenteg.schgor, Foto UtenteBrunoValente, Foto UtenteIsidoroKZ

0
voti

[1] Comandare un relè con 0.4 V

Messaggioda Foto Utenteberto10 » 1 ago 2012, 9:31

Salve a tutti e grazie a chi mi risponderà, sono nuovo del forum, anche perché ho scoperto l esistenza googlando un po' quà e là di recente.

Vi espongo subito il mio problema:

Io ho un videocitofono Urmet 2go a 2 fili, il quale presenta 2 morsetti S+ e S- al quale è possibile collegare una suoneria aggiuntiva URMET anche wireless come ad esempio il kit 4311/701, peccato che non riesca a reperirla, né nella mia zona né tantomeno online.

Così ho comprato un campanello Wifi al primo brico che ho trovato, e ho smontato il pulsante di comando, ho tirato fuori 2 fili per l alimentazione 12V così da non dover ogni tot mesi sostituire la batteria (ho collegato un alimentatore) e 2 fili per il pulsante, in modo da collegare un relè per far la chiusura e far sì che giù in cantina suoni il ricevente.

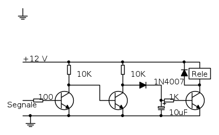
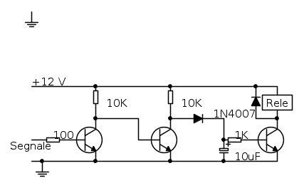
Ho costruito un circuitino come quello in questo topic suggerito da " g.schgor " ho collegato per l alimentazione 12V l' alimentatore utilizzato per alimentare il trasmettitore, e all'ingresso del segnale ho collegato il morsetto S+ del URMET mettendo S- a Massa, ma sfortunatamente il segnale è troppo basso e il circuito non ce la fa a pilotare il relè, con 0.65 V / 0.7 volt V commuta (provato con alimentatore da banco), ma io invece mi trovo un 0.38v V circa e di conseguenza la bobina del relè non si eccita se si suona il campanello.

schema by Foto Utenteg.schgor dal topic

Come posso fare ? Avete qualche idea ?

Grazie mille

Alberto
Ultima modifica di Foto UtenteCandy il 1 ago 2012, 21:47, modificato 2 volte in totale.
Motivazione: sistemato link e schema topic citato
Avatar utente
Foto Utenteberto10
0 3
 
Messaggi: 22
Iscritto il: 1 ago 2012, 9:14

0
voti

[2] Re: Comandare un relè con 0.4 volt

Messaggioda Foto Utentefalessi » 1 ago 2012, 9:45

prima di ogni cosa benvenuto nel forum...

per quanto riguarda il tuo problema, potresti provare a costruire un circuitino utilizzando un aplificatore operazionale utilizzandolo come comparatore, e collegare l'uscita ad un transistor che pilota un relè...
Avatar utente
Foto Utentefalessi
30 3
New entry
New entry
 
Messaggi: 69
Iscritto il: 16 nov 2011, 14:08

0
voti

[3] Re: Comandare un relè con 0.4 volt

Messaggioda Foto Utenteberto10 » 1 ago 2012, 11:23

Grazie per la risposta tempestiva, purtroppo non sono propio un Genio dell elettronica, se potete darmi qualche indicazione in più su componenti da utilizzare e come collegarli ci provo.. ma di mio non saprei come realizzarlo. :cry:
Avatar utente
Foto Utenteberto10
0 3
 
Messaggi: 22
Iscritto il: 1 ago 2012, 9:14

0
voti

[4] Re: Comandare un relè con 0.4 volt

Messaggioda Foto Utentesimo85 » 1 ago 2012, 15:58

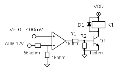
Un LM358 dovrebbe andar bene per il tuo scopo.

Ultima modifica di Foto Utentesimo85 il 1 ago 2012, 17:09, modificato 1 volta in totale.
Motivazione: inserito schema.
Avatar utente
Foto Utentesimo85
30,9k 7 12 13
Disattivato su sua richiesta
 
Messaggi: 9927
Iscritto il: 30 ago 2010, 4:59

0
voti

[5] Re: Comandare un relè con 0.4 volt

Messaggioda Foto Utenteberto10 » 1 ago 2012, 18:39

scusa l ignoranza, come calcolo i valori delle resistenze .. ? sono proprio una capra..
Avatar utente
Foto Utenteberto10
0 3
 
Messaggi: 22
Iscritto il: 1 ago 2012, 9:14

0
voti

[6] Re: Comandare un relè con 0.4 volt

Messaggioda Foto Utentesimo85 » 1 ago 2012, 18:51

Quanta corrente consuma il relè?
Avatar utente
Foto Utentesimo85
30,9k 7 12 13
Disattivato su sua richiesta
 
Messaggi: 9927
Iscritto il: 30 ago 2010, 4:59

3
voti

[7] Re: Comandare un relè con 0.4 volt

Messaggioda Foto UtenteIsidoroKZ » 1 ago 2012, 19:15

gohan ha scritto:Un LM358 dovrebbe andar bene per il tuo scopo.


Ma non quel circuito, che non ha una soglia. Mi lascia molto perplesso che l'uscita sia solo 0.38V, potrebbe essere un'onda quadra con duty cycle basso, oppure un'uscita a collettore aperto.

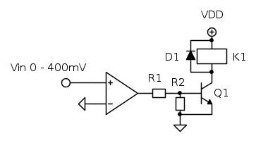
SE, e sottolineo SE l'uscita e` veramente un segnale in continua da 0.38V (ma la cosa non ha nessun senso), allora il circuito dovrebbe essere modificato in questo modo:

Per usare proficuamente un simulatore, bisogna sapere molta più elettronica di lui
Plug it in - it works better!
Il 555 sta all'elettronica come Arduino all'informatica! (entrambi loro malgrado)
Se volete risposte rispondete a tutte le mie domande
Avatar utente
Foto UtenteIsidoroKZ
121,2k 1 3 8
G.Master EY
G.Master EY
 
Messaggi: 21059
Iscritto il: 17 ott 2009, 0:00

0
voti

[8] Re: Comandare un relè con 0.4 volt

Messaggioda Foto Utentesimo85 » 1 ago 2012, 19:33

Grazie, come sempre, per la precisazione! :)
Avatar utente
Foto Utentesimo85
30,9k 7 12 13
Disattivato su sua richiesta
 
Messaggi: 9927
Iscritto il: 30 ago 2010, 4:59

0
voti

[9] Re: Comandare un relè con 0.4 volt

Messaggioda Foto Utenteelektorplus » 1 ago 2012, 21:04

Invece della resistenza da 1k la metterei da 680 Ohm

Inoltre sarebbe meglio mettere una resistenza di pull-down sull'ingresso + dell'operazionale
Avatar utente
Foto Utenteelektorplus
15 3
 
Messaggi: 17
Iscritto il: 25 feb 2012, 15:19

0
voti

[10] Re: Comandare un relè con 0.4 volt

Messaggioda Foto UtenteIsidoroKZ » 1 ago 2012, 21:22

Ci sono tre resistenze da 1kohm: quale delle tre? Ottenendo quale vantaggio?
Per usare proficuamente un simulatore, bisogna sapere molta più elettronica di lui
Plug it in - it works better!
Il 555 sta all'elettronica come Arduino all'informatica! (entrambi loro malgrado)
Se volete risposte rispondete a tutte le mie domande
Avatar utente
Foto UtenteIsidoroKZ
121,2k 1 3 8
G.Master EY
G.Master EY
 
Messaggi: 21059
Iscritto il: 17 ott 2009, 0:00

Prossimo

Torna a Elettronica generale

Chi c’è in linea

Visitano il forum: Nessuno e 93 ospiti