Condivido
Comandare un relè con 0.4 V
Moderatori:
carloc,
g.schgor,
BrunoValente,
IsidoroKZ
33 messaggi
• Pagina 2 di 4 • 1, 2, 3, 4
0
voti
Nel limite del possibile progettando uno schema bisogna ridurre il numero di resistenze a valore diverso. Ossia, meglio usare pochi valori. Nel limite del possibile.
Condivido
IsidoroKZ. Ha usato solo due valori.
Condivido
-

Candy
32,5k 7 10 13 - CRU - Account cancellato su Richiesta utente
- Messaggi: 10123
- Iscritto il: 14 giu 2010, 22:54
0
voti
IsidoroKZ ha scritto:Ci sono tre resistenze da 1kohm: quale delle tre? Ottenendo quale vantaggio?
La resistenza di pull-down per porre sicuramente a 0V l'ingresso qualora quest'ultimo non fosse a 0.38V
Sostituirei la resistenza da 1k del pin - dell'operazionale con una da 680 oppure da 820 ohm in modo da poter prendere il valore medio del segnale di ingresso come comparazione.
Mi spiego meglio, da quanto dici, il segnale di ingresso dovrebbe avere un picco massimo di 0.38-0.40V e 0V come minimo.
Quindi, il valore medio di tale tensione è 0.17-0.20V
Secondo il valore resistivo postato dall'utente precendente la tensione di riferimento risultava essere 0.21. Io l'ho portata a 0.17V.
Non conoscendo la tua applicazione, in questo modo, prevedo variazioni di tempertura garantendo un range di rilevazione sempre corretto e preciso.
Tuttavia questa è una mia osservazione, caratteristiche di cui tengo sempre conto. Ovviamente sei libero di fare come l'utente precedentemente ti ha consigliato. Ripeto, è solo una mia precisazione e pignoleria, che però spesso ritorna essere utile.
Saluti e Buon lavoro
-

elektorplus
15 3 - Messaggi: 17
- Iscritto il: 25 feb 2012, 15:19
0
voti
Come professionista
Io arrivo tarti sull'argomento, ma avrei unicamente voluto scrivere: 0.38 V non hanno alcun senso. Che misure sono state fatte? A quali condizioni? Magari i cento ohm di impedenza del circuito realizzato sono "tanto" pochini...
-

Candy
32,5k 7 10 13 - CRU - Account cancellato su Richiesta utente
- Messaggi: 10123
- Iscritto il: 14 giu 2010, 22:54
1
voti
Si`, e` vero, ti metti giusto al centro dell'escursione (ammesso che sia vera, non mi convince). Ero rimasto sugli 0.4V del titolo e avevo fatto i conti a mente.
Chissa` che razza di circuito c'e` in uscita. Si accettano scommesse se e` un open collector, allora gli 0.4V ci sono quando il transistore e` acceso. Oppure un segnale a onda quadra, oppure ancora il multimetro non funziona.
Chissa` che razza di circuito c'e` in uscita. Si accettano scommesse se e` un open collector, allora gli 0.4V ci sono quando il transistore e` acceso. Oppure un segnale a onda quadra, oppure ancora il multimetro non funziona.
Per usare proficuamente un simulatore, bisogna sapere molta più elettronica di lui
Plug it in - it works better!
Il 555 sta all'elettronica come Arduino all'informatica! (entrambi loro malgrado)
Se volete risposte rispondete a tutte le mie domande
Plug it in - it works better!
Il 555 sta all'elettronica come Arduino all'informatica! (entrambi loro malgrado)
Se volete risposte rispondete a tutte le mie domande
1
voti
...per me è un open collector
Anche il produttore non è che sarà proprio masochista
comunque basta il tester in "prova diodi" per sincerarsene...
Anche il produttore non è che sarà proprio masochista
Se ti serve il valore di beta: hai sbagliato il progetto!
1
voti
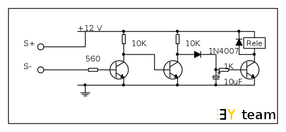
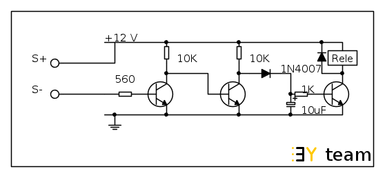
Sullo schemario Urmet vedo due soluzioni di collegamento S+ S- che mi fanno tanto pensare sia un contatto pulito. Statico o relè non è chiaro. Probabilmente statico, con fotoaccoppiatore. visto che è importante la polarizzazione.
Tenterei questa strada:
Tenterei questa strada:
-

Candy
32,5k 7 10 13 - CRU - Account cancellato su Richiesta utente
- Messaggi: 10123
- Iscritto il: 14 giu 2010, 22:54
0
voti
Nello schema Urmet che avevo visto c'era una uscita CA per la suoneria (mi pare).
Mah! L'amico che lavorava in Urmet era li` molti anni fa.
Mah! L'amico che lavorava in Urmet era li` molti anni fa.
Per usare proficuamente un simulatore, bisogna sapere molta più elettronica di lui
Plug it in - it works better!
Il 555 sta all'elettronica come Arduino all'informatica! (entrambi loro malgrado)
Se volete risposte rispondete a tutte le mie domande
Plug it in - it works better!
Il 555 sta all'elettronica come Arduino all'informatica! (entrambi loro malgrado)
Se volete risposte rispondete a tutte le mie domande
0
voti
Grazie per i vari intervemti, io purtroppo non ho un oscilloscopio e l unica cosa che ho fatto è mettermi in parallelo sui morsetti S+ e S- dell'uscita del citofono col multimetro, e ogni volta che suonavo, vedevo per 3 / 4 secondi il multimetro(digitale tektronix) a 0.38 V tutto li e poi tornava a 0.
Ora se quel segnale sia un onda quadra o meno non so come poterlo verificare..
Ora se quel segnale sia un onda quadra o meno non so come poterlo verificare..
1
voti
Prova con il tester in provadiodi...
rosso su S+, nero su S-
senza suonare ti dovrebbe dare "aperto"
mentre suoni ti dovrebbe leggere 100...200 circa
Anzi no, prima prova a misurare in VAC che non si sà mai....
rosso su S+, nero su S-
senza suonare ti dovrebbe dare "aperto"
mentre suoni ti dovrebbe leggere 100...200 circa
Anzi no, prima prova a misurare in VAC che non si sà mai....
Se ti serve il valore di beta: hai sbagliato il progetto!
33 messaggi
• Pagina 2 di 4 • 1, 2, 3, 4
Chi c’è in linea
Visitano il forum: Majestic-12 [Bot] e 179 ospiti

Elettrotecnica e non solo (admin)
Un gatto tra gli elettroni (IsidoroKZ)
Esperienza e simulazioni (g.schgor)
Moleskine di un idraulico (RenzoDF)
Il Blog di ElectroYou (webmaster)
Idee microcontrollate (TardoFreak)
PICcoli grandi PICMicro (Paolino)
Il blog elettrico di carloc (carloc)
DirtEYblooog (dirtydeeds)
Di tutto... un po' (jordan20)
AK47 (lillo)
Esperienze elettroniche (marco438)
Telecomunicazioni musicali (clavicordo)
Automazione ed Elettronica (gustavo)
Direttive per la sicurezza (ErnestoCappelletti)
EYnfo dall'Alaska (mir)
Apriamo il quadro! (attilio)
H7-25 (asdf)
Passione Elettrica (massimob)
Elettroni a spasso (guidob)
Bloguerra (guerra)




