Impedenza ingresso PHONO
Moderatori:
carloc,
g.schgor,
BrunoValente,
IsidoroKZ
18 messaggi
• Pagina 2 di 2 • 1, 2
3
voti
Comunque, se non vuoi modificarlo riducendo il guadagno del primo stadio, ti conviene utilizzare l'ingresso microfono che ha una risposta piatta e che quindi non richiede preenfasi.
-

BrunoValente
39,6k 7 11 13 - G.Master EY

- Messaggi: 7796
- Iscritto il: 8 mag 2007, 14:48
0
voti
Vero, non ci avevo pensato all'ingresso per microfono, infatti l'equalizzazione riaa è utilizzata solo per il phono.
Però come riduco il guadagno al suo ingresso? Il segnale che esce dal PC è comunque troppo alto e mi manda in distorsione lo stesso...
Però come riduco il guadagno al suo ingresso? Il segnale che esce dal PC è comunque troppo alto e mi manda in distorsione lo stesso...
3
voti
Comicia a provare così:
Il rapporto di partizione è circa uguale al rapporto tra i valori delle resistenza, quindi, con i valori indicati, il segnale di ingresso viene attenuato una decina di volte.
Se ti occorre attenuare diversamente puoi modificare opportunamente il valore della resistenza da 10k lasciando invariato quello da 1k e aggiustando il tiro sperimentalmente.
Il rapporto di partizione è circa uguale al rapporto tra i valori delle resistenza, quindi, con i valori indicati, il segnale di ingresso viene attenuato una decina di volte.
Se ti occorre attenuare diversamente puoi modificare opportunamente il valore della resistenza da 10k lasciando invariato quello da 1k e aggiustando il tiro sperimentalmente.
-

BrunoValente
39,6k 7 11 13 - G.Master EY

- Messaggi: 7796
- Iscritto il: 8 mag 2007, 14:48
0
voti
Non ho capito una cosa però, io ho due canali destro e sinistro, quindi mi servono 4 resistenze credo.
Quella da 10k va messa in serie al segnale, e quella da 1k in parallelo alla massa, giusto?
Allego uno schizzo del collegamento per capire meglio:
Quella da 10k va messa in serie al segnale, e quella da 1k in parallelo alla massa, giusto?
Allego uno schizzo del collegamento per capire meglio:
2
voti
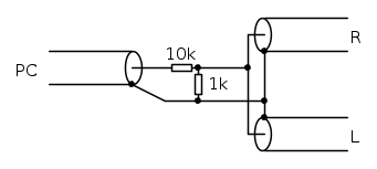
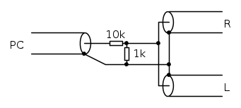
Si, devi fare così se il segnale dal PC è mono e se vuoi inviarlo ad entrambi i canali dell'ampl.
Puoi fare anche così:
Se invece il segnale in uscita dal PC è stereo (dal tuo scarabocchio sembra mono) allora devi utilizzare il tuo schema con 4 R.
Sei invitato però ad utilizzare Fidocad per disegnare: e molto semplice e conferisce agli schemi (e non solo) un aspetto professionale a cui noi teniamo molto...su questo forum non sono ammesse certe schifezze.
Puoi fare anche così:
Se invece il segnale in uscita dal PC è stereo (dal tuo scarabocchio sembra mono) allora devi utilizzare il tuo schema con 4 R.
Sei invitato però ad utilizzare Fidocad per disegnare: e molto semplice e conferisce agli schemi (e non solo) un aspetto professionale a cui noi teniamo molto...su questo forum non sono ammesse certe schifezze.
-

BrunoValente
39,6k 7 11 13 - G.Master EY

- Messaggi: 7796
- Iscritto il: 8 mag 2007, 14:48
0
voti
Scusa per lo scarabocchio sopra, non sapevo di fidocad
Comunque si, il segnale in uscita dal PC è stereo, quindi posso usare il mio schema?
Un'altra domanda, al posto di due resistenze fisse da 10k posso anche usare due potenziometri da 0-100k mantenendo sempre quelle da 1k in parallelo?
Comunque si, il segnale in uscita dal PC è stereo, quindi posso usare il mio schema?
Un'altra domanda, al posto di due resistenze fisse da 10k posso anche usare due potenziometri da 0-100k mantenendo sempre quelle da 1k in parallelo?
2
voti
perché i potenziometri?
Se vuoi montarli provvisoriamente per trovare il valore giusto e poi sostituirli con delle resistenze allora va bene ma se vuoi utilizzarli come controllo del volume non mi pare una bella idea: l'amplificatore dovrebbe già avere un suo controllo di volume.
Se vuoi montarli provvisoriamente per trovare il valore giusto e poi sostituirli con delle resistenze allora va bene ma se vuoi utilizzarli come controllo del volume non mi pare una bella idea: l'amplificatore dovrebbe già avere un suo controllo di volume.
-

BrunoValente
39,6k 7 11 13 - G.Master EY

- Messaggi: 7796
- Iscritto il: 8 mag 2007, 14:48
18 messaggi
• Pagina 2 di 2 • 1, 2
Chi c’è in linea
Visitano il forum: Nessuno e 67 ospiti

Elettrotecnica e non solo (admin)
Un gatto tra gli elettroni (IsidoroKZ)
Esperienza e simulazioni (g.schgor)
Moleskine di un idraulico (RenzoDF)
Il Blog di ElectroYou (webmaster)
Idee microcontrollate (TardoFreak)
PICcoli grandi PICMicro (Paolino)
Il blog elettrico di carloc (carloc)
DirtEYblooog (dirtydeeds)
Di tutto... un po' (jordan20)
AK47 (lillo)
Esperienze elettroniche (marco438)
Telecomunicazioni musicali (clavicordo)
Automazione ed Elettronica (gustavo)
Direttive per la sicurezza (ErnestoCappelletti)
EYnfo dall'Alaska (mir)
Apriamo il quadro! (attilio)
H7-25 (asdf)
Passione Elettrica (massimob)
Elettroni a spasso (guidob)
Bloguerra (guerra)



