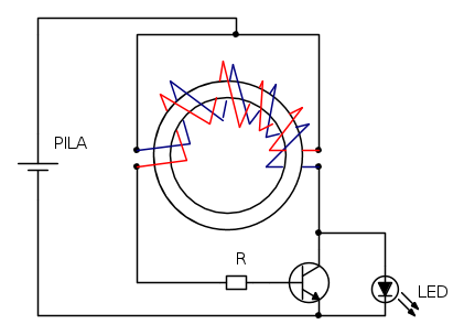
GianniTDA2050 ha scritto:Scusami per la domanda Candy ma non ho capito cosa vuoi dire?
Con un nuovo post, prendi in esame il post [7], evidenzia, quotando, la parte di frase che esamini e sotto al quote spiega quali elementi sono utili per avviare un processo logico.
Ti faccio un esempio:
...tutto il circuito non funziona...
Da qui si evince che il guasto non risiede in una zona definita, il problema quindi può essere cercato ovunque. Una informazione utilissima, che vi permetterà di isolare il problema e concentrarvi su..., per spiegarmi dove ho sbagliato.
...
Fine dell'esempio.
Prosegui tu col resto del post e, spiegaci appunto, quali elementi permetteranno di avviare un ragionamento utile ad aiutarti.

Elettrotecnica e non solo (admin)
Un gatto tra gli elettroni (IsidoroKZ)
Esperienza e simulazioni (g.schgor)
Moleskine di un idraulico (RenzoDF)
Il Blog di ElectroYou (webmaster)
Idee microcontrollate (TardoFreak)
PICcoli grandi PICMicro (Paolino)
Il blog elettrico di carloc (carloc)
DirtEYblooog (dirtydeeds)
Di tutto... un po' (jordan20)
AK47 (lillo)
Esperienze elettroniche (marco438)
Telecomunicazioni musicali (clavicordo)
Automazione ed Elettronica (gustavo)
Direttive per la sicurezza (ErnestoCappelletti)
EYnfo dall'Alaska (mir)
Apriamo il quadro! (attilio)
H7-25 (asdf)
Passione Elettrica (massimob)
Elettroni a spasso (guidob)
Bloguerra (guerra)





