Grazie per i suggerimenti!
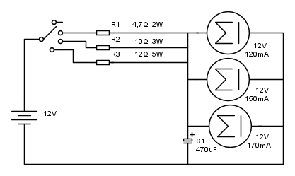
Un'ultima cosa, pensi che 2 W siano sufficienti o è meglio andare su resistenze da 3 - 5 W?
Come regolare tre ventole in serie con un potenziometro
Moderatori:
carloc,
g.schgor,
BrunoValente,
IsidoroKZ
18 messaggi
• Pagina 2 di 2 • 1, 2
2
voti
Prima di fare cose strane, alimentale in parallelo a 9V e vedi come va. Usare le ventole in serie con delle resistenze in parallelo a ogni ventola non mi piace molto perche' le ventole non hanno una caratteristica tensione/corrente lineare: si rischia che l'equalizzazione sia buona a un punto di funzionamento ma non in un altro.
Per usare proficuamente un simulatore, bisogna sapere molta più elettronica di lui
Plug it in - it works better!
Il 555 sta all'elettronica come Arduino all'informatica! (entrambi loro malgrado)
Se volete risposte rispondete a tutte le mie domande
Plug it in - it works better!
Il 555 sta all'elettronica come Arduino all'informatica! (entrambi loro malgrado)
Se volete risposte rispondete a tutte le mie domande
0
voti
Un aggiornamento...
Ho provato le ventole in parallelo collegandole con i 5V di una porta USB, si avviano ma non girano abbastanza velocemente per creare un flusso d'aria sufficiente.
Quindi pensavo, visto che sono riuscito a recuperare un alimentatore da 12V e 500mA, di utilizzare i seguenti valori: 10, 8, 6V.
Avrei 2 domande per gli esperti del forum riguardanti i due schemi allegati:
1) Gli schemi che ho disegnato sono corretti?
2) Se gli schemi vanno bene, i valori che ho calcolato per le resistenze sono adeguati (soprattutto quelli della versione 2)?
Ho provato le ventole in parallelo collegandole con i 5V di una porta USB, si avviano ma non girano abbastanza velocemente per creare un flusso d'aria sufficiente.
Quindi pensavo, visto che sono riuscito a recuperare un alimentatore da 12V e 500mA, di utilizzare i seguenti valori: 10, 8, 6V.
Avrei 2 domande per gli esperti del forum riguardanti i due schemi allegati:
1) Gli schemi che ho disegnato sono corretti?
2) Se gli schemi vanno bene, i valori che ho calcolato per le resistenze sono adeguati (soprattutto quelli della versione 2)?
- Allegati
-
- Versione2.jpg (30.07 KiB) Osservato 2900 volte
-
- Versione1.jpg (22.08 KiB) Osservato 2900 volte
0
voti
Non mi è chiaro come tu sia giunto ai valori dello schema postato.
Per intanto: le tavole della legge di EY prevedono che gli schemi siano fatti in FidocadJ.
Seconda cosa: i tre motori molto verosimilmente non hanno caratteristica lineare e, quindi, se non lo hai detto al simulatore con cui hai fatti i calcoli, questi sono erronei. Tuttavia, se vuoi realmente fare le cose in modo semplice, la tua soluzione potrebbe in parte funzionare, ma il valore di resistenza sarà da cercare in modo empirico e non è detto che il compoprtamento delle singole ventole sia sempre lo stesso.
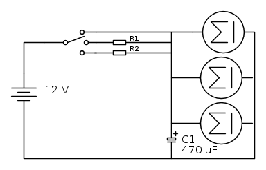
Quale valore debbano avere le due resistenze sarà da stabilirsi sperimentalmente. Non omottere il condensatore C1.
Per intanto: le tavole della legge di EY prevedono che gli schemi siano fatti in FidocadJ.
Seconda cosa: i tre motori molto verosimilmente non hanno caratteristica lineare e, quindi, se non lo hai detto al simulatore con cui hai fatti i calcoli, questi sono erronei. Tuttavia, se vuoi realmente fare le cose in modo semplice, la tua soluzione potrebbe in parte funzionare, ma il valore di resistenza sarà da cercare in modo empirico e non è detto che il compoprtamento delle singole ventole sia sempre lo stesso.
Quale valore debbano avere le due resistenze sarà da stabilirsi sperimentalmente. Non omottere il condensatore C1.
-

Candy
32,5k 7 10 13 - CRU - Account cancellato su Richiesta utente
- Messaggi: 10123
- Iscritto il: 14 giu 2010, 22:54
0
voti
Il simulatore che ho usato per calcolare le resistenze è ben conscio delle differenze di assobimento dei 3 motori, è solo po'... arrugginito sulle formule e sui metodi per risolverle.
I calcoli che ho usato sono semplici:
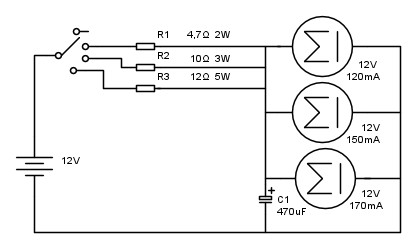
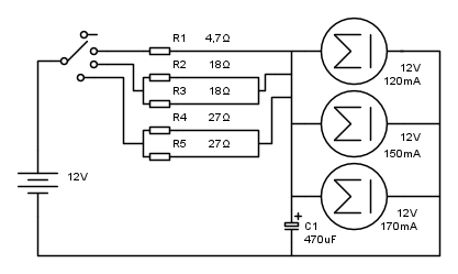
Somma degli Ampere dei 3 motori (0,120+0,150+0,170=0,440mA)
Poi ricavo la resistenza con la formula R=V/I e la potenza P=V*I
Per i 10V: R=(12-10)/0,440=4,5 Ohm;
P=(12-10)*0,440=0,88 W
Per gli 8V: R=(12-8)/0,440=9 Ohm;
P=(12-8)*0,440=1,76 W
Per i 6V: R=(12-6)/0,440=13,6 Ohm;
P=(12-6)*0,440=2,64 W
Per finire, controllando su una tabella i valori standard, ho trovato le resistenze che più si avvicinano ai valori calcolati e raddoppiato la potenza (tanto per andare sul sicuro): 4,7 Ohm e 2W, 10 Ohm 3W e 12 Ohm 5W.
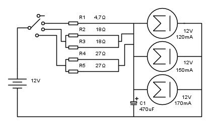
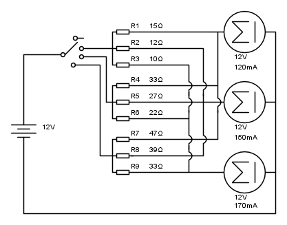
Per quanto riguarda lo schema 2 (nuova versione) non ho fatto altro che sostituire le resistenze da 3W e 5W con 2 resistenze in parallelo, calcolate con la formula Req=(R1*R2)/(R1+R2).
(18*18)/(18+18)=9 Ohm e (27*27)/(27+27)=13,5 Ohm.
Valori più vicini a quelli che avevo calcolato in precedenza.
Versione 1
Versione 2
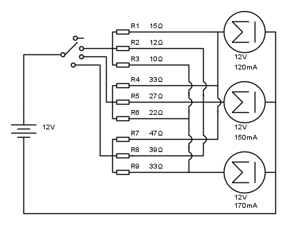
E se facessi una cosa del genere, cioè una resistenza per ogni motore e per ogni step di tensione?
I calcoli che ho usato sono semplici:
Somma degli Ampere dei 3 motori (0,120+0,150+0,170=0,440mA)
Poi ricavo la resistenza con la formula R=V/I e la potenza P=V*I
Per i 10V: R=(12-10)/0,440=4,5 Ohm;
P=(12-10)*0,440=0,88 W
Per gli 8V: R=(12-8)/0,440=9 Ohm;
P=(12-8)*0,440=1,76 W
Per i 6V: R=(12-6)/0,440=13,6 Ohm;
P=(12-6)*0,440=2,64 W
Per finire, controllando su una tabella i valori standard, ho trovato le resistenze che più si avvicinano ai valori calcolati e raddoppiato la potenza (tanto per andare sul sicuro): 4,7 Ohm e 2W, 10 Ohm 3W e 12 Ohm 5W.
Per quanto riguarda lo schema 2 (nuova versione) non ho fatto altro che sostituire le resistenze da 3W e 5W con 2 resistenze in parallelo, calcolate con la formula Req=(R1*R2)/(R1+R2).
(18*18)/(18+18)=9 Ohm e (27*27)/(27+27)=13,5 Ohm.
Valori più vicini a quelli che avevo calcolato in precedenza.
Versione 1
Versione 2
E se facessi una cosa del genere, cioè una resistenza per ogni motore e per ogni step di tensione?
0
voti
i tre motori molto verosimilmente non hanno caratteristica lineare
Anche se l'avessero, e non ci credo, il valore di corrente usato ha senso solo un un unico punto di lavoro.
Applicando una resistenza in serie non è nemmeno più possibile sapere che corrente media assorbiranno.
-

Candy
32,5k 7 10 13 - CRU - Account cancellato su Richiesta utente
- Messaggi: 10123
- Iscritto il: 14 giu 2010, 22:54
0
voti
potresti fare un regolatore PWM, con un 555, per regolare la velocità.
Troppo complicato per le mie capacità.
il valore di resistenza sarà da cercare in modo empirico
No ho altra alternativa, provo il buon vecchio metodo empirico.
Se non faccio esplodere tutto, appena acquisto un po' di materiale e faccio i test, posterò i risultati.
Grazie per i suggerimenti!!
18 messaggi
• Pagina 2 di 2 • 1, 2
Chi c’è in linea
Visitano il forum: Nessuno e 40 ospiti

Elettrotecnica e non solo (admin)
Un gatto tra gli elettroni (IsidoroKZ)
Esperienza e simulazioni (g.schgor)
Moleskine di un idraulico (RenzoDF)
Il Blog di ElectroYou (webmaster)
Idee microcontrollate (TardoFreak)
PICcoli grandi PICMicro (Paolino)
Il blog elettrico di carloc (carloc)
DirtEYblooog (dirtydeeds)
Di tutto... un po' (jordan20)
AK47 (lillo)
Esperienze elettroniche (marco438)
Telecomunicazioni musicali (clavicordo)
Automazione ed Elettronica (gustavo)
Direttive per la sicurezza (ErnestoCappelletti)
EYnfo dall'Alaska (mir)
Apriamo il quadro! (attilio)
H7-25 (asdf)
Passione Elettrica (massimob)
Elettroni a spasso (guidob)
Bloguerra (guerra)






