Cos'è ElectroYou | Login Iscriviti

ElectroYou - la comunità dei professionisti del mondo elettrico

Simulazione di un Designatore Laser

Elettronica lineare e digitale: didattica ed applicazioni

Moderatori: Foto Utentecarloc, Foto Utenteg.schgor, Foto UtenteBrunoValente, Foto UtenteIsidoroKZ

0
voti

[1] Simulazione di un Designatore Laser

Messaggioda Foto UtenteSnake165 » 2 ago 2012, 10:59

Ciao a tutti,
questo e' il secondo 3d che apro su questo forum, con il primo mi e' andata bene, mi avete dato dei validi consigli che mi hanno fatto risolvere i problemi che avevo incontrato.. :cool:
ora mi serve veramente una mano da parte di qualche guru dell'elettronica!

in internet ho trovato questo progetto:
----------------------------------------------------------------------------------------
descrizione del circuito:
il circuito qui presentato simula un designatore di bersagli; il circuito trasmettitore che puntato sul circuito ricevitore per un certo lasso di tempo (impostabile) farà illuminare il led colorato (sostituibile anche con un buzzer che emette un lungo beep) del circuito ricevitore stesso (simulazione dell'eliminazione del bersaglio). se in quel lasso di tempo il giocatore perde il contatto col ricevitore, dovrà ripuntare il bersaglio ancora per tutto il lasso di tempo.

componenti:
1x resistenza 330ohm 1/4w
1x resistenza 3.3ohm 1/4w
1x resistenza 10kohm 1/4w
2x resistenza 38,3ohm 1/4w
1x condensatore elettrolitico 220uf
1x condensatore elettrolitico 47uf
2x condensatore ceramico 10nf
1x condensatore ceramico 0.1uf
1x condensatore ceramico 0.47uf
1x trimmer 100kohm
2x ne555
2x 78l05
2x diodi 1n4007
1x diodo led colorato
1x diodo ir tsal6100
1x tsop4840
2x bottoni momentanei

ricevitore:
Immagine
il ricevitore è composto dal tsop4840 che individua la presenza di un fascio di luce ir a 40khz e attiva il meccanismo di conto alla rovescia. il tempo dopo il quale il ricevitore si illumina o suona o attiva un rele', è impostabile tramite il trimmer da 100kohm (più alta è la resistenza del trimmer e più lungo sarà il tempo necessario per attivarlo). quando il ricevitore è stato puntato, per il tempo impostato dal fascio di luce ir, il circuito accende un led colorato (o un buzzer per l'emissione di un suono) che rimarrà acceso finché non verrà premuto il bottone di reset.

trasmettitore:
Immagine
il trasmettitore è composto da un timer 555 in configurazione astabile che fa oscillare la luce ir ad una frequenza di 40khz. per attivare il trasmettitore basta tenere premuto il bottone momentaneo ed il led ir inizierà il 'puntamento'. se si ha la necessità di incrementare la distanza alla quale arriva il fascio di luce ir è necessario l'uso di una lente biconvessa da 16-30mm da posizionare davanti al diodo led ir che si dovrà così trovare nel fuoco della lente stessa. (suggerimento: per trovare il fuoco della lente è molto utile utilizzare una telecamera in modalità notturna: si accende il diodo led ir del circuito trasmettitore in modo tale che punti su di una parete; si posiziona la lente davanti al led e la si fa scorrere avanti e indietro finché si vede sul muro, con la telecamera, un raggio di luce di circa la dimensione della lente).

sia nel circuito ricevitore, sia nel circuito trasmettitore è necessario l'utilizzo del regolatore di tensione 78l05 per fornire i 5 volt necessari all'alimentazione dei due circuiti.

pin del regolatore di tensione 78l05:
Immagine

schema di collegamento del regolatore di tensione 78l05:
Immagine

pin tsop4840:
Immagine
-----------------------------------------------------------------------------------------

Ora, tralasciando la parte delle lenti per aumentare la distanza, e del regolatore di tensione, il resto secondo voi puo' funzionare? qualcuno riuscirebbe a fare un test con un simulatore? o su breadboard?

il riassunto e' semplice, mi serve un circuito TX e un RX, l'RX deve attivarmi un rele' solo se riceve un segnale costante da TX per tot secondi. chiaramente il tutto dev'essere direzionale con un l'utilizzo IR.. non via radio.

Grazie 1000!!!
Avatar utente
Foto UtenteSnake165
15 3
New entry
New entry
 
Messaggi: 78
Iscritto il: 12 lug 2012, 11:40

4
voti

[2] Re: Simulazione di un Designatore Laser

Messaggioda Foto Utentedavidde » 2 ago 2012, 22:25

Ciao,

ti assicuro che non c'è alcun bisogno di essere guru dell'elettronica per capire che quel circuito non ha la minima possibilità di funzionare :-) , è un qualcosa di campato per aria probabilmente arrangiato a colpi di simulatore o di qualche software on line che calcola velocemente il valore dei componenti per il 555.

Per quel che riguarda il trasmettitore vengono utilizzate resistenze di precisione della serie E192 (che non si trovano proprio ovunque) per poi "rovinare tutto" con un condensatore ceramico che solitamente ha una tolleranza del 10% sulla capacità dichiarata; risultato la frequenza d'uscita è instabile e per nulla precisa.
Inoltre c'è un'altra svista, i modelli del 555 che possono erogare più corrente arrivano al massimo a 200mA, in quel circuito invece ipotizzando una caduta sul TSAL6100 di circa 2V si tenta di far scorrere nel diodo una corrente di circa 900mA. Il duplice risultato che si ottiene è quello di carbonizzare istantaneamente sia il 555 che il diodo... niente male ;-) ...

Per il ricevitore mi sembra ancora peggio, l'uscita del TSOP quando non riceve segnale in ingresso è tenuta alta (in questo caso a 5V) da una resistenza interna di pull-up da 33kohm, di conseguenza la logica di tutto il circuito è completamente invertita pur tralasciando altre imprecisioni.

In sostanza ne il ricevitore ne il trasmettitore possono funzionare, ti sconsiglio vivamente di costruire il tutto. Considera anche che ridisegnando i circuiti con criterio in modo che possano funzionare senza un'ottica ben studiata non riusciresti a superare i 3 o 4m di distanza...
Avatar utente
Foto Utentedavidde
13,3k 4 9 12
G.Master EY
G.Master EY
 
Messaggi: 4026
Iscritto il: 2 ago 2007, 11:40
Località: Bologna

0
voti

[3] Re: Simulazione di un Designatore Laser

Messaggioda Foto UtenteSnake165 » 8 ago 2012, 9:35

grazie mille per le informazioni! ho fatto bene a non comprare i componenti! :-)

nessuno sa guidarmi sulla realizzazione di un progetto con queste caratteristiche ma funzionante? eiste qualcosa di gia' fatto e funzionante?

grazie 1000!
Avatar utente
Foto UtenteSnake165
15 3
New entry
New entry
 
Messaggi: 78
Iscritto il: 12 lug 2012, 11:40

2
voti

[4] Re: Simulazione di un Designatore Laser

Messaggioda Foto UtentematteoDL » 10 ago 2012, 2:40

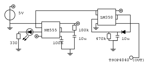
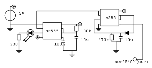
Ciao non sapevo che fare e visto che avevo tutti i componenti ho provato a improvvisare un circuitino di ricezione:



Ho dimensionato approssimativamente, non so quanta precisione ti serva, e forse ho abusato degli inseguitori di tensione.
Con i valori messi il led si dovrebbe accendere quando si riceve il fascio a 40kHz per più di circa 5 secondi e resta acceso per due secondi dopo la fine della ricezione.
L'ho testato con valori leggermente diversi (si accende dopo 2,4ms, siccome il fucile da laser tag che ho costruito ha quell'impulso di massima durata) e funziona.
Avatar utente
Foto UtentematteoDL
704 3 7
Expert
Expert
 
Messaggi: 310
Iscritto il: 26 feb 2012, 20:49

0
voti

[5] Re: Simulazione di un Designatore Laser

Messaggioda Foto UtenteSnake165 » 14 ago 2012, 10:59

grazie 1000! fa proprio al caso mio, attualmente non mi serve tanta precisione.
il problema ora e' il trasmettitore con la frequenza a 40kHz, e sinceramente non so dove andarlo a pescare!
Avatar utente
Foto UtenteSnake165
15 3
New entry
New entry
 
Messaggi: 78
Iscritto il: 12 lug 2012, 11:40


Torna a Elettronica generale

Chi c’è in linea

Visitano il forum: Nessuno e 61 ospiti