Buongiorno a tutti.
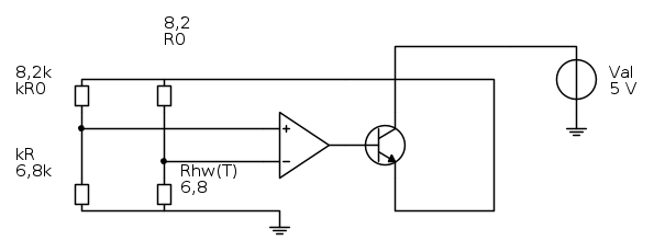
Il mio problema, riferendomi allo schema allegato (già postato in un'altra discussione) è quello di amplificare la corrente in uscita dall'operazionale in modo che il ponte di Wheatstone sia alimentato fino a 278 mA.
Lo schema si riferisce a un sensore MAF di cui riporto la teoria al presente link (la password è 1234567890) http://www.file-pdf.it/2012/08/16/sensore-maf-1/.
Verso quale BJT commerciale ci si deve orientare?
Come può/deve essere collegato il transistore BJT rispetto all'operazionale? Come lo collego io può funzionare? Sbaglio o per amplificare deve lavorare in regione attiva? Grazie.
Ecco lo schema in FidoCadJ.
Amplificare la corrente in uscita da un opamp con un BJT
Moderatori:
carloc,
g.schgor,
BrunoValente,
IsidoroKZ
1 messaggio
• Pagina 1 di 1
1 messaggio
• Pagina 1 di 1
Chi c’è in linea
Visitano il forum: Nessuno e 93 ospiti

Elettrotecnica e non solo (admin)
Un gatto tra gli elettroni (IsidoroKZ)
Esperienza e simulazioni (g.schgor)
Moleskine di un idraulico (RenzoDF)
Il Blog di ElectroYou (webmaster)
Idee microcontrollate (TardoFreak)
PICcoli grandi PICMicro (Paolino)
Il blog elettrico di carloc (carloc)
DirtEYblooog (dirtydeeds)
Di tutto... un po' (jordan20)
AK47 (lillo)
Esperienze elettroniche (marco438)
Telecomunicazioni musicali (clavicordo)
Automazione ed Elettronica (gustavo)
Direttive per la sicurezza (ErnestoCappelletti)
EYnfo dall'Alaska (mir)
Apriamo il quadro! (attilio)
H7-25 (asdf)
Passione Elettrica (massimob)
Elettroni a spasso (guidob)
Bloguerra (guerra)
