Problemino con Alimentatore variabile con LM338
Moderatori:
carloc,
g.schgor,
BrunoValente,
IsidoroKZ
0
voti
isidoro scusami ma puoi spiegarti meglio?non capisco tutto questo astio nei miei confronti...ti ho sempre ringraziato x i consigli che mi hai dato,cercando di seguirli, e vorrei continuare a farlo...ma se non vuoi più farlo e vuoi lanciarmi solo dei messaggi criptici fai pure...
0
voti
Ti ho detto che non c'era verso di tirare fuori 5A, neanche molti di meno, sei andato avanti sulla strada che ti avevo sconsigliato, adesso sorpresa non funziona!
Ti avevo chiesto di vedere il montaggio, perche' ho l'impressione che ci siano problemi termici, ma dici che il componente e` montato bene: scotta con il dissipatore freddo, mi pare che sia un indizio di problema termico, ma sei sicuro che e` montato bene, vai per la tua strada, tanto quello che ti si dice non lo ascolti.
Ti avevo chiesto di vedere il montaggio, perche' ho l'impressione che ci siano problemi termici, ma dici che il componente e` montato bene: scotta con il dissipatore freddo, mi pare che sia un indizio di problema termico, ma sei sicuro che e` montato bene, vai per la tua strada, tanto quello che ti si dice non lo ascolti.
Per usare proficuamente un simulatore, bisogna sapere molta più elettronica di lui
Plug it in - it works better!
Il 555 sta all'elettronica come Arduino all'informatica! (entrambi loro malgrado)
Se volete risposte rispondete a tutte le mie domande
Plug it in - it works better!
Il 555 sta all'elettronica come Arduino all'informatica! (entrambi loro malgrado)
Se volete risposte rispondete a tutte le mie domande
0
voti
questa è l'aletta di raffreddamento,i componenti sono montati sotto ma sono isolatissimi
Ultima modifica di
simo85 il 21 ago 2012, 13:49, modificato 1 volta in totale.
Motivazione: inserita immagine in linea.
Motivazione: inserita immagine in linea.
0
voti
io poi non è che sono andato a comprare il 338 dopo il tuo consiglio e quindi ignorandolo,ma avevo già fatto il circuito comprando ciò che non avevo,tra cui anche LM338, e una volta accortomi dei problemi chiedevo se qualcuno potesse risolverli...
accetto qualsiasi consiglio o modifica
accetto qualsiasi consiglio o modifica
0
voti
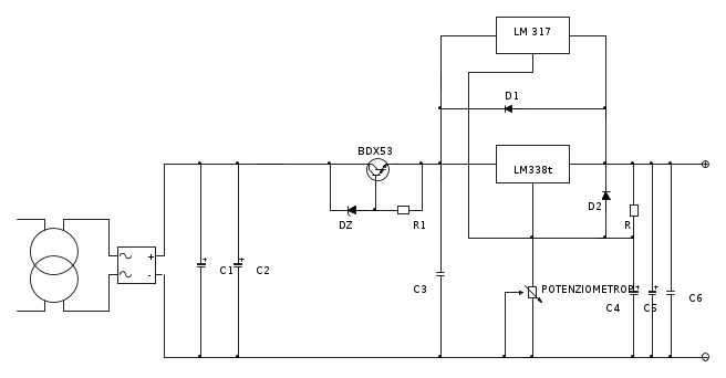
ho voluto buttare 5 minuti ed ho provato ad iserire,insieme all'LM338, un LM317...il risultato è che ora l'alimentatore che avevo ormai messo da parte funziona,non so quanto possa erogare, ma il "famoso" autoradio riesce a sopportarlo...
ho anche notato che il 317 scalda meno del 338...qualcuno sa il perché?
vorrei anche sapere se secondo voi questa "mossa" può avere un futuro...se è corretta
ho anche notato che il 317 scalda meno del 338...qualcuno sa il perché?
vorrei anche sapere se secondo voi questa "mossa" può avere un futuro...se è corretta
0
voti
0
voti
Ciao a tutti....
mi inserisco in questo topic con una domanda sicuramente banale ma cui non riesco a dare risposta.
Se in ingresso al LM338 mando una tensione di 13.8v c.c., in uscita non riesco a superare i 11.3v.
Ho una caduta di 2.5v che a me sembra eccessiva.
Cosa ne pensate?
Ho realizzato il circuito presente sul datasheet con una resistenza di uscita da 220 ohm e un trimmer da 2k senza diodi e condensatori.
Ho anche provato ad aumentare il trimmer a 10k ma senza risultati.
HELP...
Grazie
mi inserisco in questo topic con una domanda sicuramente banale ma cui non riesco a dare risposta.
Se in ingresso al LM338 mando una tensione di 13.8v c.c., in uscita non riesco a superare i 11.3v.
Ho una caduta di 2.5v che a me sembra eccessiva.
Cosa ne pensate?
Ho realizzato il circuito presente sul datasheet con una resistenza di uscita da 220 ohm e un trimmer da 2k senza diodi e condensatori.
Ho anche provato ad aumentare il trimmer a 10k ma senza risultati.
HELP...
Grazie
0
voti
Non ci vedo nulla di strano; il regolatore si prende un paio di volt di drop-out e la tensione non puo' andare oltre quella ottenuta.
Le resistenze sono dimensionate (salvo tolleranze) per una Vout di 12.6V circa.
Le resistenze sono dimensionate (salvo tolleranze) per una Vout di 12.6V circa.
marco
0
voti
Ciao Marco,
da 13.8 a 12.6 sarebbe perfetto ed è quello che mi aspettavo.
Però non riesco a salire sopra gli 11.3.
Pensavo ad una tensione di drop-out di 1.2 - 1.3 e non cosi elevata.
Che mi consigliate come alternativa????
Avete suggerimenti?
Grazie
da 13.8 a 12.6 sarebbe perfetto ed è quello che mi aspettavo.
Però non riesco a salire sopra gli 11.3.
Pensavo ad una tensione di drop-out di 1.2 - 1.3 e non cosi elevata.
Che mi consigliate come alternativa????
Avete suggerimenti?
Grazie
0
voti
L'unica alternativa e' aumentare la tensione in ingresso o usare un regolatore LDO; non so pero' se sia possibile trovarne uno con le caratteristiche del LM338.
marco
Chi c’è in linea
Visitano il forum: Nessuno e 186 ospiti

Elettrotecnica e non solo (admin)
Un gatto tra gli elettroni (IsidoroKZ)
Esperienza e simulazioni (g.schgor)
Moleskine di un idraulico (RenzoDF)
Il Blog di ElectroYou (webmaster)
Idee microcontrollate (TardoFreak)
PICcoli grandi PICMicro (Paolino)
Il blog elettrico di carloc (carloc)
DirtEYblooog (dirtydeeds)
Di tutto... un po' (jordan20)
AK47 (lillo)
Esperienze elettroniche (marco438)
Telecomunicazioni musicali (clavicordo)
Automazione ed Elettronica (gustavo)
Direttive per la sicurezza (ErnestoCappelletti)
EYnfo dall'Alaska (mir)
Apriamo il quadro! (attilio)
H7-25 (asdf)
Passione Elettrica (massimob)
Elettroni a spasso (guidob)
Bloguerra (guerra)





