ciao
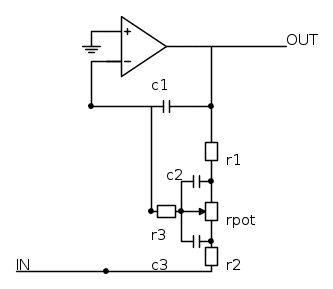
chi mi sa ricavare la f.d.t. di questo circuito quando la freccia del potenziometro è posizionata "su"?
io ho trovato questa:
fdt= (r1+c1)/{[(c2+c3)//rpot]+r2}
r3 nn l'ho considerata perche va a sommarsi all'impedenza"infinita" dell'ingresso dell'opamp
ricavare la funzione di trasferimento di un circuito
Moderatori:
carloc,
g.schgor,
BrunoValente,
IsidoroKZ
19 messaggi
• Pagina 1 di 2 • 1, 2
1
voti
Ciao,
senza fare nessun calcolo, ho qualche dubbio su quello che scrivi... al numeratore sommi la resistenza R1 con C1? Dimensionalmente non può funzionare.
P.S. per le equazioni, prova ad usare LaTeX.
senza fare nessun calcolo, ho qualche dubbio su quello che scrivi... al numeratore sommi la resistenza R1 con C1? Dimensionalmente non può funzionare.
P.S. per le equazioni, prova ad usare LaTeX.
Follow me on Mastodon: @davbucci@mastodon.sdf.org
-

DarwinNE
31,0k 7 11 13 - G.Master EY

- Messaggi: 4420
- Iscritto il: 18 apr 2010, 9:32
- Località: Grenoble - France
0
voti
c1,c2,c3 sono intesi come reattanze cioe 1/(jwc) .Ora verifico comunque grazie
0
voti
quello che ottengo è questo:
(r1*jwc3+1)*[rp1(jwc2+jwc1)+1] / jwc3{rp1 +r2[rp1(jwc2+jwc1)+1]}
(r1*jwc3+1)*[rp1(jwc2+jwc1)+1] / jwc3{rp1 +r2[rp1(jwc2+jwc1)+1]}
1
voti
R3 entra nei conti perche' l'impedenza che vede verso l'operazionale non e` infinita, c'e` C1 che complica le cose.
Per usare proficuamente un simulatore, bisogna sapere molta più elettronica di lui
Plug it in - it works better!
Il 555 sta all'elettronica come Arduino all'informatica! (entrambi loro malgrado)
Se volete risposte rispondete a tutte le mie domande
Plug it in - it works better!
Il 555 sta all'elettronica come Arduino all'informatica! (entrambi loro malgrado)
Se volete risposte rispondete a tutte le mie domande
0
voti
IsidoroKZ ha scritto:R3 entra nei conti perche' l'impedenza che vede verso l'operazionale non e` infinita, c'e` C1 che complica le cose
capito, ora riprovo a calcolarla comunque grazie
1
voti
matxx ha scritto:... quando la freccia del potenziometro ... posizionata "su" ...
... "freccia" ..."su"...?
"Il circuito ha sempre ragione" (Luigi Malesani)
-1
voti
RenzoDF ha scritto:"freccia" ..."su"...?
intendevo dire il fondo corsa del potenziometro !
0
voti
può essere cosi la fdt?
r3//(c1+r1)/[(c2+c3)//rpot+r2+r3]
anche qui c1,c2,c3 sn da intendersi cm reattanze
r3//(c1+r1)/[(c2+c3)//rpot+r2+r3]
anche qui c1,c2,c3 sn da intendersi cm reattanze
1
voti
matxx ha scritto:RenzoDF ha scritto:"freccia" ..."su"...?
intendevo dire il fondo corsa del potenziometro !
... il "fondo corsa"
"Il circuito ha sempre ragione" (Luigi Malesani)
19 messaggi
• Pagina 1 di 2 • 1, 2
Chi c’è in linea
Visitano il forum: Nessuno e 218 ospiti

Elettrotecnica e non solo (admin)
Un gatto tra gli elettroni (IsidoroKZ)
Esperienza e simulazioni (g.schgor)
Moleskine di un idraulico (RenzoDF)
Il Blog di ElectroYou (webmaster)
Idee microcontrollate (TardoFreak)
PICcoli grandi PICMicro (Paolino)
Il blog elettrico di carloc (carloc)
DirtEYblooog (dirtydeeds)
Di tutto... un po' (jordan20)
AK47 (lillo)
Esperienze elettroniche (marco438)
Telecomunicazioni musicali (clavicordo)
Automazione ed Elettronica (gustavo)
Direttive per la sicurezza (ErnestoCappelletti)
EYnfo dall'Alaska (mir)
Apriamo il quadro! (attilio)
H7-25 (asdf)
Passione Elettrica (massimob)
Elettroni a spasso (guidob)
Bloguerra (guerra)



