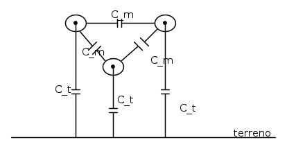
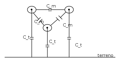
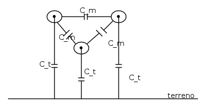
Vi riporto questa pagina dalle dispense:
Si consideri un sistema trifase di conduttori aerei, ciascuno ubicato a distanzadalla superficie del terreno. Ogni conduttore eroga una corrente capacitiva totale data dalla somma della corrente capacitiva che si dirige verso il terreno e di quella che si muove verso gli altri due conduttori. Responsabile della prima è la capacità
che ogni conduttore ha rispetto al terreno(sottoposta alla tensione di fase
del sistema ), responsabile delle seconde è la capacità
che ogni conduttore ha rispetto a ciascuno degli altri due conduttori(sottoposta alla tensione concatenata
del sistema)
Analizzando il sistema di figura la corrente capacitiva totale erogata dal conduttore, ad esempio 1 è data da:
poi facendo alcuni passaggi gli viene fuori

e poi scrive
Ricavando con i metodi dell'elettrotecnica le espressioni die
per tre conduttori di raggio
posti a distanza mutua uguale
è possibile ottenere l'espressione approssimata della capacità di servizio
per unità di lunghezza data da:
Vorrei sapere quali sono questi "metodi dell'elettrotecnica" per ricavare
e 
Grazie dell'attenzione

Elettrotecnica e non solo (admin)
Un gatto tra gli elettroni (IsidoroKZ)
Esperienza e simulazioni (g.schgor)
Moleskine di un idraulico (RenzoDF)
Il Blog di ElectroYou (webmaster)
Idee microcontrollate (TardoFreak)
PICcoli grandi PICMicro (Paolino)
Il blog elettrico di carloc (carloc)
DirtEYblooog (dirtydeeds)
Di tutto... un po' (jordan20)
AK47 (lillo)
Esperienze elettroniche (marco438)
Telecomunicazioni musicali (clavicordo)
Automazione ed Elettronica (gustavo)
Direttive per la sicurezza (ErnestoCappelletti)
EYnfo dall'Alaska (mir)
Apriamo il quadro! (attilio)
H7-25 (asdf)
Passione Elettrica (massimob)
Elettroni a spasso (guidob)
Bloguerra (guerra)
dalla superficie del terreno. Ogni conduttore eroga una corrente capacitiva totale data dalla somma della corrente capacitiva che si dirige verso il terreno e di quella che si muove verso gli altri due conduttori. Responsabile della prima è la capacità
del sistema ), responsabile delle seconde è la capacità
del sistema)

posti a distanza mutua uguale
è possibile ottenere l'espressione approssimata della capacità di servizio
per unità di lunghezza data da: 



