Allora senza riferirsi allo schema lo scopo dello schema (in ogni caso sta nell'oggetto dell'argomento) è fare una serie di led lampeggianti quando si preme il pedale dello stop dell'auto.
Ora quello schema fa si che si accendano e spengano i led utilizzando (togliendo o mettendo) la massa. Io vorrei fare la stessa cosa ma utilizzando (togliendo o mettendo) i +12v.
Se c'è uno schema migliore di quello ditemi pure sono tutt'orecchie.
Stop auto lampeggiante
Moderatori:
carloc,
g.schgor,
BrunoValente,
IsidoroKZ
30 messaggi
• Pagina 2 di 3 • 1, 2, 3
0
voti
0
voti
erpomata ha scritto:Se c'è uno schema migliore di quello ditemi pure sono tutt'orecchie.
Finalmente hai capito lo scopo delle mie domande.
Quanti led intendi adoperare e di che tipo?
marco
0
voti
4 normalissimi led di quelli ad alta luminosità.
Quelli descritti nello schema pensavo andassero bene.
Quelli descritti nello schema pensavo andassero bene.
0
voti
Tutti i led sono normalissimi ma, a seconda del tipo, la loro tensione lavoro puo' variare da 1.8 a 3.2V; quindi serve sapere il tipo preciso per dimensionare il circuito.
marco
0
voti
Mi trovi completamente impreparato.
Bè ad "alta luminosità" poi a questo punto suggeritemi voi.
Bè ad "alta luminosità" poi a questo punto suggeritemi voi.
0
voti
Qualunque tipo va bene ma devi scegliere tu, sulla base delle dimensioni e dei colori; non posso fare anche questo per te.
Dai un'occhiata con calma sul web e poi decidi.
Dai un'occhiata con calma sul web e poi decidi.
marco
0
voti
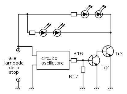
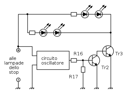
lo schema sarebbe questo(non l'ho fatto completo ma ho fatto solo una sintesi per non violare i diritti d'autore di NE):
0
voti
Credo che quel circuito sia troppo complesso per
erpomata; meglio orientarsi verso un classico con un NE555. Cosi' con quattro componenti si leva la paura.
marco
0
voti
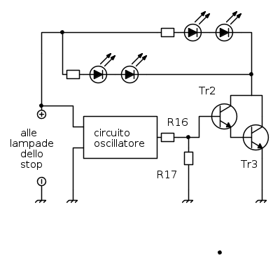
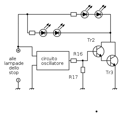
scusate c'è un errore adesso lo correggo:
30 messaggi
• Pagina 2 di 3 • 1, 2, 3
Chi c’è in linea
Visitano il forum: Nessuno e 105 ospiti

Elettrotecnica e non solo (admin)
Un gatto tra gli elettroni (IsidoroKZ)
Esperienza e simulazioni (g.schgor)
Moleskine di un idraulico (RenzoDF)
Il Blog di ElectroYou (webmaster)
Idee microcontrollate (TardoFreak)
PICcoli grandi PICMicro (Paolino)
Il blog elettrico di carloc (carloc)
DirtEYblooog (dirtydeeds)
Di tutto... un po' (jordan20)
AK47 (lillo)
Esperienze elettroniche (marco438)
Telecomunicazioni musicali (clavicordo)
Automazione ed Elettronica (gustavo)
Direttive per la sicurezza (ErnestoCappelletti)
EYnfo dall'Alaska (mir)
Apriamo il quadro! (attilio)
H7-25 (asdf)
Passione Elettrica (massimob)
Elettroni a spasso (guidob)
Bloguerra (guerra)






