Help circuito montaggio
Moderatori:
carloc,
g.schgor,
BrunoValente,
IsidoroKZ
28 messaggi
• Pagina 2 di 3 • 1, 2, 3
0
voti
no dato che il transistor è simile a un nte 196 NPN...
uff non riesco
-

RedEvil1991
14 5 - Frequentatore

- Messaggi: 104
- Iscritto il: 6 feb 2012, 21:10
0
voti
. Lelettrico ho fatto una foto
Con quella bobina non oscillera' mai. 200-300 spire di filo da 0.2 0.4 su un diametro di circa 8 mm o ferrite
La frequenza di accordo di una bobina del genere e' di qualche decina di MHz !
Il LED (come detto da Isidoro) potrebbe essere una protezione per tensioni ++ negative della giunzione B-E, e quindi accendersi quando e se oscilla. Naturalmente manca una Re nello schema originale ...
-

Lelettrico
2.458 1 4 6 - Master

- Messaggi: 1108
- Iscritto il: 13 set 2010, 12:24
0
voti
Lelettrico ha scritto:. Lelettrico ho fatto una foto
Con quella bobina non oscillera' mai. 200-300 spire di filo da 0.2 0.4 su un diametro di circa 8 mm o ferrite![]()
La frequenza di accordo di una bobina del genere e' di qualche decina di MHz !
Il LED (come detto da Isidoro) potrebbe essere una protezione per tensioni ++ negative della giunzione B-E, e quindi accendersi quando e se oscilla. Naturalmente manca una Re nello schema originale ...
La bobina è giusta, ho chiesto al produttore mi ha ribadito che il circuito è giusto ma non ha tempo di aiutarmi a realizzarlo. bah...
-

RedEvil1991
14 5 - Frequentatore

- Messaggi: 104
- Iscritto il: 6 feb 2012, 21:10
0
voti
Ma in cosa esattamente? Esponi un circuito di cui non si sà perché non oscilla (e se oscilla nemmeno si dispone di strumentazione di misura a quanto ho capito), senza valori, che descrivi a spezzoni, di cui tu sei sicuro che possa funzionare. Anche se chi te lo ha progettato non si fa vivo per qualsiasi dubbio.
Scusa ma tutto questo è assurdo ..
Scusa ma tutto questo è assurdo ..
1
voti
gohan ha scritto:Ma in cosa esattamente? Esponi un circuito di cui non si sà perché non oscilla (e se oscilla nemmeno si dispone di strumentazione di misura a quanto ho capito), senza valori, che descrivi a spezzoni, di cui tu sei sicuro che possa funzionare. Anche se chi te lo ha progettato non si fa vivo per qualsiasi dubbio.
Scusa ma tutto questo è assurdo ..
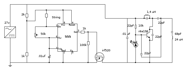
Ecco qui il circuito completo con parte temporizzatore ne555 (sinistra) destra il resto che non riesco a far funzionare perché la parte del temporizzatore è ok, qui il circuito con tutti i valori .
-

RedEvil1991
14 5 - Frequentatore

- Messaggi: 104
- Iscritto il: 6 feb 2012, 21:10
0
voti
68 pF e 24 uH se non vado errato risuonano a circa 4 MHz, manca il valore della C in parallelo alla 1.4 uH.
l' NTe ha una ft di 4 MHz, quindi non puo' oscillare a quel valore di frequenza con quel transistor.
l' NTe ha una ft di 4 MHz, quindi non puo' oscillare a quel valore di frequenza con quel transistor.
-

Lelettrico
2.458 1 4 6 - Master

- Messaggi: 1108
- Iscritto il: 13 set 2010, 12:24
0
voti
Lelettrico ha scritto:68 pF e 24 uH se non vado errato risuonano a circa 4 MHz, manca il valore della C in parallelo alla 1.4 uH.
l' NTe ha una ft di 4 MHz, quindi non puo' oscillare a quel valore di frequenza con quel transistor.
22pf...quindi cosa dovrei cambiare per farlo funzionare?
-

RedEvil1991
14 5 - Frequentatore

- Messaggi: 104
- Iscritto il: 6 feb 2012, 21:10
0
voti
Mah? Prima di tutto lo schema
Che francamente (e come gia fatto notare da altri) non si capisce che oscillatore sia. Quel gruppo LC sul collettore non e' che per caso e' una RFC solo?
Se facciamo per un momento l'ipotesi che sia un Colpitts modificato come un Clapp, eccolo sotto
se fosse
avrebbe un senso, ma rimane sempre che stai cercando di far funzionare un oscillatore a 4 MHz con un transistor che ha una ft di 4 MHz
Ti sembra?
Poi, hai scelto lo schema in assoluto piu' delicato fra gli oscillatori, tutto deve essere perfetto, in primis il guadagno del BJT che usi alla frequenza di lavoro. Mah?
Non e' che per caso fai prima a cambiare tipo di oscillatore? Che so ... un tickler (Armstrong) che dovrebbe andare sempre? Un Hartley, che oscilla anche se non vuoi etc ....
Insomma, accendere dei LED via RF a 4 MHz non e' una cosa banalissima da farsi ...
Se facciamo per un momento l'ipotesi che sia un Colpitts modificato come un Clapp, eccolo sotto
se fosse
Poi, hai scelto lo schema in assoluto piu' delicato fra gli oscillatori, tutto deve essere perfetto, in primis il guadagno del BJT che usi alla frequenza di lavoro. Mah?
Non e' che per caso fai prima a cambiare tipo di oscillatore? Che so ... un tickler (Armstrong) che dovrebbe andare sempre? Un Hartley, che oscilla anche se non vuoi etc ....
Insomma, accendere dei LED via RF a 4 MHz non e' una cosa banalissima da farsi ...

-

Lelettrico
2.458 1 4 6 - Master

- Messaggi: 1108
- Iscritto il: 13 set 2010, 12:24
0
voti
No voglio realizzare questo...anche perché ho gia il circuito stampato però prima volevo provarlo su breadboard magari su circuito stampato funziona,...
-

RedEvil1991
14 5 - Frequentatore

- Messaggi: 104
- Iscritto il: 6 feb 2012, 21:10
28 messaggi
• Pagina 2 di 3 • 1, 2, 3
Chi c’è in linea
Visitano il forum: Google [Bot] e 110 ospiti

Elettrotecnica e non solo (admin)
Un gatto tra gli elettroni (IsidoroKZ)
Esperienza e simulazioni (g.schgor)
Moleskine di un idraulico (RenzoDF)
Il Blog di ElectroYou (webmaster)
Idee microcontrollate (TardoFreak)
PICcoli grandi PICMicro (Paolino)
Il blog elettrico di carloc (carloc)
DirtEYblooog (dirtydeeds)
Di tutto... un po' (jordan20)
AK47 (lillo)
Esperienze elettroniche (marco438)
Telecomunicazioni musicali (clavicordo)
Automazione ed Elettronica (gustavo)
Direttive per la sicurezza (ErnestoCappelletti)
EYnfo dall'Alaska (mir)
Apriamo il quadro! (attilio)
H7-25 (asdf)
Passione Elettrica (massimob)
Elettroni a spasso (guidob)
Bloguerra (guerra)

