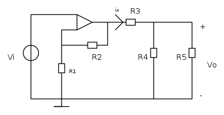
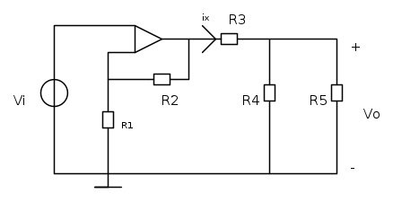
Salve ragazzi, avrei bisogno di un suggerimento sulla risoluzione di un esercizio
Calcolare ix e Vo. Scusate la scrsa qualità del disegno ma non sono molto esperto.
L' ingresso non invertente dell' amplificatore operazionale è quello più in alto. Suppongo ideale l' amplificatore: i+ = i- = 0
v+ = v-
Grazie
esercizio su amplificatore operazionale
Moderatori:
carloc,
g.schgor,
BrunoValente,
IsidoroKZ
15 messaggi
• Pagina 1 di 2 • 1, 2
0
voti
ciao avresti mica dei valori? o vuoi una risoluzione con solo le formule?
0
voti
Mi scuso per la scarsa qualità del disegno.
Edit marco438: Gli schemi si disegnano in FidoCadJ. II avviso.
Se non ho fatto qualche errore concettuale,dovrebbe essere:

0
voti
nei resisoti 1 e 2 non scorre la stessa corrente?
Visto che nell' ingresso non invertente la corrente entrante è pari a zero, considero r1 e r2 in serie.
Visto che nell' ingresso non invertente la corrente entrante è pari a zero, considero r1 e r2 in serie.
0
voti
Se non erro le correnti si ripartiscono sui resistori,e devi calcolarle utilizzando le formule inverse di quelle precedentemente proposte,se hai dei valori postali almeno vedo quali sono le tue incognite e lo risolviamo insieme.
0
voti
ingee ha scritto:nei resisoti 1 e 2 non scorre la stessa corrente?
Visto che nell' ingresso non invertente la corrente entrante è pari a zero, considero r1 e r2 in serie.
Si, calcolata la corrente in R1 questa attraverserà anche R2, in formule

"Il circuito ha sempre ragione" (Luigi Malesani)
0
voti
Allora:
Vi = 0.4 mV
R1 = 10 kohm
R2=50kohm
R3=20kohm
R4=60Kohm
R5=30Kohm.
Vi = 0.4 mV
R1 = 10 kohm
R2=50kohm
R3=20kohm
R4=60Kohm
R5=30Kohm.
0
voti
Avete fatto a lezione la configurazione "amplificatore non invertente"?
Per usare proficuamente un simulatore, bisogna sapere molta più elettronica di lui
Plug it in - it works better!
Il 555 sta all'elettronica come Arduino all'informatica! (entrambi loro malgrado)
Se volete risposte rispondete a tutte le mie domande
Plug it in - it works better!
Il 555 sta all'elettronica come Arduino all'informatica! (entrambi loro malgrado)
Se volete risposte rispondete a tutte le mie domande
0
voti
non l' abbiamo trattato, la prof dice di considerare tutti gli amplificatori ideali
0
voti
Sai calcolare la Vo all'uscita dell'amplificatore (Vx)? Calcolata quella risulta tutto più facile no?
Se sul libro trovi è spiegata la configurazione non invertente c'è sicuramente la formula dimpostrata dell'amplificazione, se non la capisci te la rispieghiamo, anche se te l'ha già dimostrata RenzoDF!
Se sul libro trovi è spiegata la configurazione non invertente c'è sicuramente la formula dimpostrata dell'amplificazione, se non la capisci te la rispieghiamo, anche se te l'ha già dimostrata RenzoDF!
15 messaggi
• Pagina 1 di 2 • 1, 2
Chi c’è in linea
Visitano il forum: Nessuno e 96 ospiti

Elettrotecnica e non solo (admin)
Un gatto tra gli elettroni (IsidoroKZ)
Esperienza e simulazioni (g.schgor)
Moleskine di un idraulico (RenzoDF)
Il Blog di ElectroYou (webmaster)
Idee microcontrollate (TardoFreak)
PICcoli grandi PICMicro (Paolino)
Il blog elettrico di carloc (carloc)
DirtEYblooog (dirtydeeds)
Di tutto... un po' (jordan20)
AK47 (lillo)
Esperienze elettroniche (marco438)
Telecomunicazioni musicali (clavicordo)
Automazione ed Elettronica (gustavo)
Direttive per la sicurezza (ErnestoCappelletti)
EYnfo dall'Alaska (mir)
Apriamo il quadro! (attilio)
H7-25 (asdf)
Passione Elettrica (massimob)
Elettroni a spasso (guidob)
Bloguerra (guerra)







