progetto radiolina AM
Moderatore:
jordan20
7 messaggi
• Pagina 1 di 1
0
voti
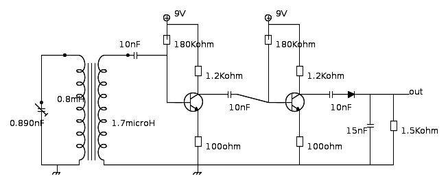
Sto provando a progettare una radio AM.Ho fatto un paio di prove ma il circuito che ho fatto non funziona e volevo sapere se avete qualche consiglio per sapere dove potrei aver sbagliato.Ho preso da una vecchia radiolina un condensatore variabile formato da quattro blocchi i quali messi tutti e quattro i blocchi in parallelo ha un capacità di 0.890nF e poi da un'altra radiolina ho preso una induttanza in ferromagnetite formato da un primario e un secondario.Il primario induttanza pari a 0.8mH e lo collego in parallelo al condensatore variabile, il secondario da 17microH lo collego all' ingeresso del transistor che mi serve per amplificare il segnale.Ho calcolato la frequenza di risonanza del primario circa 289Khz il problema è che viene fuori un fattore di risonanza Q molto basso Q=0.0001618 credo che il calcolo sia sbagliato perché io ho usato la formula w=1/sqrt(L*C) e poi mi sono calcolato la frequnza sapendo la pulsazione w il problema è che secondo me nella formula bisogna considerare anche quello che si vede dal secondario.Per ora pongo questo dubbio altrimenti se metto tutti i dubbi immediatamente potrei essere troppo lungo.Saluti e grazie in anticipo.
-

pitagora90
15 3 - Messaggi: 17
- Iscritto il: 23 apr 2012, 19:38
0
voti
Ultima modifica di
marco438 il 6 set 2012, 16:22, modificato 1 volta in totale.
Motivazione: ridimensionato lo schema
Motivazione: ridimensionato lo schema
-

pitagora90
15 3 - Messaggi: 17
- Iscritto il: 23 apr 2012, 19:38
0
voti
Avevo specificato che lo schema andava postato con FidoCad e questo per poter interagire con il disegno.
Cosi' non e' possibile e inoltre lo schema non e' nemmeno visibile per intero.
In fondo alla pagina del messaggio esiste il tasto "anteprima" con cui e' possibile vedere quello che si invia; perche' non lo adoperi?
Cosi' non e' possibile e inoltre lo schema non e' nemmeno visibile per intero.
In fondo alla pagina del messaggio esiste il tasto "anteprima" con cui e' possibile vedere quello che si invia; perche' non lo adoperi?
marco
3
voti
mi scuso per il disguido se c'è qualcosa che non è chiaro mi dica ora dall'anteprima mi sembra tutto a posto per quanto rigurda lo schema non so se è corretto mi dica lei.Un appunto l'amplificatore di potenza non c'è nel disegno perché prendo l'uscita del circuito e la collego al mio stereo con uno di quei fili che hanno le tre terminazioni colorate una di bianco una di rosso una di giallo,ora non so come si chiamano comunque collego il bianco e il rosso al circuito e gli altri due allo stereo.Spero di essere stato chiaro soprattutto in questa ultima parte quindi per ora o progettato solo il preamplificatore e per dare potenza uso lo stereo comuque se non la reputa una buona idea si potrebbe pensare di progettare anche quello.Grazie in anticipo mi scuso ancora per il disguido. 
-

pitagora90
15 3 - Messaggi: 17
- Iscritto il: 23 apr 2012, 19:38
0
voti
non capisco dove si trova l'errore perché ho controllato altri schemi su internet e mi sembra che il principio vada bene l'unica cosa che ho notato di diverso è nel circuito di demodulazione la resistenza è molto più alta rispetto a quella del mio circuito anche se penso che l'errore sia all'inizio nel circuito di risonanza perche gurdando il segnale all'uscita out del circuito prima di dargli potenza smbra che qualcosa prenda ma credo che prevalga il rumore rispetto alla frequenza a cui dovrebbe risuonare il circuito voi che ne pensate?
-

pitagora90
15 3 - Messaggi: 17
- Iscritto il: 23 apr 2012, 19:38
1
voti
Per prima cosa chiuderei il ritorno del diodo rivelatore, ovvero inserirei una resistenza compresa tra 10 ->100kΩ fra il punto di unione del condensatore da 10nF e l'anodo del diodo e "massa", poi controlla che i transistor lavorino in zona lineare, per far questo basta che misuri la tensione tra emettitore e collettore che dovrebbe aggirarsi a circa metà della tensione di alimentazione, se così non fosse aggiusta il valore della resistenza di polarizzazione di base, in questo circuito sarebbe preferibile collegare la resistenza di polarizzazione tra la base ed il collettore in maniera da migliorare la stabilità termica, in questo caso la resistenza andrebbe diminuita (sperimentalmente!) fino ad ottenere quanto sopra.
7 messaggi
• Pagina 1 di 1
Chi c’è in linea
Visitano il forum: Nessuno e 12 ospiti

Elettrotecnica e non solo (admin)
Un gatto tra gli elettroni (IsidoroKZ)
Esperienza e simulazioni (g.schgor)
Moleskine di un idraulico (RenzoDF)
Il Blog di ElectroYou (webmaster)
Idee microcontrollate (TardoFreak)
PICcoli grandi PICMicro (Paolino)
Il blog elettrico di carloc (carloc)
DirtEYblooog (dirtydeeds)
Di tutto... un po' (jordan20)
AK47 (lillo)
Esperienze elettroniche (marco438)
Telecomunicazioni musicali (clavicordo)
Automazione ed Elettronica (gustavo)
Direttive per la sicurezza (ErnestoCappelletti)
EYnfo dall'Alaska (mir)
Apriamo il quadro! (attilio)
H7-25 (asdf)
Passione Elettrica (massimob)
Elettroni a spasso (guidob)
Bloguerra (guerra)



