Cos'è ElectroYou | Login Iscriviti

ElectroYou - la comunità dei professionisti del mondo elettrico

Risoluzione circuito regime transitorio

Circuiti, campi elettromagnetici e teoria delle linee di trasmissione e distribuzione dell’energia elettrica

Moderatori: Foto Utenteg.schgor, Foto UtenteIsidoroKZ

0
voti

[31] Re: Risoluzione circuito regime transitorio

Messaggioda Foto UtenteRenzoDF » 4 set 2012, 15:53

Link900 ha scritto:... oltretutto è comparso quel generatore dipendente che mi ha messo ancora più in difficoltà..

Se quel generatore dipende da v2, per t>0 visto che R2 viene messa in corto da un interruttore se ne va pure lui no? ... ridisegnando senza R2 e senza il gen. dipendente, il tutto si semplifica e la vL la puoi ricavare direttamente con Millman,

{{v}_{L}}=\frac{{{v}_{G}}{{G}_{1}}-{{i}_{L}}}{{{G}_{1}}+{{G}_{3}}}
"Il circuito ha sempre ragione" (Luigi Malesani)
Avatar utente
Foto UtenteRenzoDF
55,9k 8 12 13
G.Master EY
G.Master EY
 
Messaggi: 13189
Iscritto il: 4 ott 2008, 9:55

0
voti

[32] Re: Risoluzione circuito regime transitorio

Messaggioda Foto UtenteLink900 » 4 set 2012, 17:15

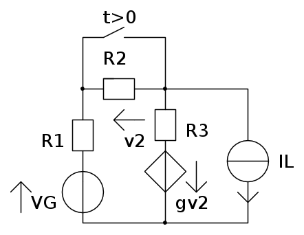
No la R2 scompare per t<0 quando l'interruttore si chiude, per t>0 l'interruttore è aperto e quindi il generatore dipendente non scompare, ma il mio problema principale non era tanto calcolare la VL, bensi come muovermi dopo aver analizzato il circuito sia per t<0 che per t>0, in genere usavo l'equazione risolutiva di secondo grado, ma in questo caso devo trovare solo una incognita IL..
Avatar utente
Foto UtenteLink900
15 3
New entry
New entry
 
Messaggi: 52
Iscritto il: 15 ago 2012, 11:32

0
voti

[33] Re: Risoluzione circuito regime transitorio

Messaggioda Foto UtenteRenzoDF » 4 set 2012, 17:23

Non capisco quale sia il problema, se abbiamo una sola variabile di stato c'è da rallegrarsi, non da preoccuparsi, ad ogni modo se riediti il tuo disegno FidoCadJ e lo riposti con interruttore annesso, tutto risulterà più chiaro per chi in futuro leggerà queste righe. ;-)
"Il circuito ha sempre ragione" (Luigi Malesani)
Avatar utente
Foto UtenteRenzoDF
55,9k 8 12 13
G.Master EY
G.Master EY
 
Messaggi: 13189
Iscritto il: 4 ott 2008, 9:55

1
voti

[34] Re: Risoluzione circuito regime transitorio

Messaggioda Foto UtenteLink900 » 4 set 2012, 17:50

Ecco l'interruttore!


Il problema è che c'è da usare un metodo risolutivo diverso da quel che ho imparato io.. quando oggi ho chiesto al prof mi ha detto che dovevo usare una qualche formula dove c'era Tau per misurare direttamente iL(t), a esser sincero da qualche parte mi ricordo di averla vista, ma non l'avevo mai presa in considerazione visto che capitavano sempre circuiti con due incognite..
Avatar utente
Foto UtenteLink900
15 3
New entry
New entry
 
Messaggi: 52
Iscritto il: 15 ago 2012, 11:32

0
voti

[35] Re: Risoluzione circuito regime transitorio

Messaggioda Foto UtenteRenzoDF » 4 set 2012, 17:59

Per ora non preoccuparti di nient'altro che di scrivere vL usando un qualsiasi metodo: sovrapposizione, Millman, Maxwell ecc.

BTW per i GIT dipendenti o indipendenti che siano, così come per le tensioni, è "conveniente" usare i segni "+" e "-", non le frecce. ;-) ... manca poi un punto di connessione fra R3 ed R2; da come le hai disegnate tu non sono connesse.

Edit---- io trovo questa

{{v}_{L}}={{v}_{G}}\frac{1-g}{3-g}-\frac{2R}{3-g}{{i}_{L}}

prova a controllare.
"Il circuito ha sempre ragione" (Luigi Malesani)
Avatar utente
Foto UtenteRenzoDF
55,9k 8 12 13
G.Master EY
G.Master EY
 
Messaggi: 13189
Iscritto il: 4 ott 2008, 9:55

0
voti

[36] Re: Risoluzione circuito regime transitorio

Messaggioda Foto UtenteLink900 » 4 set 2012, 19:16

Cavolo mi ero dimenticato i punti di connessione.. ma non mi fa modificare il mess precedente..


Purtroppo non ho soluzioni su cui controllare, come ti dicevo sto andando a memoria da stamattina, appena mette su il compito potrò controllare..
Avatar utente
Foto UtenteLink900
15 3
New entry
New entry
 
Messaggi: 52
Iscritto il: 15 ago 2012, 11:32

1
voti

[37] Re: Risoluzione circuito regime transitorio

Messaggioda Foto UtenteLele_u_biddrazzu » 4 set 2012, 19:20

Il punto di connessione che necessitava di essere specificato è quello in alto a destra, i rimanenti sono ridondanti ;-) Buon lavoro :ok:
Emanuele Lorina

- Chi lotta contro i mostri deve fare attenzione a non diventare lui stesso un mostro. E se tu riguarderai a lungo in un abisso, anche l'abisso vorrà guardare dentro di te (F. Nietzsche)
- Tavole della legge by admin
Avatar utente
Foto UtenteLele_u_biddrazzu
8.154 3 8 13
Master EY
Master EY
 
Messaggi: 1288
Iscritto il: 23 gen 2007, 16:13
Località: Modena

0
voti

[38] Re: Risoluzione circuito regime transitorio

Messaggioda Foto UtenteLink900 » 4 set 2012, 19:24

Sisi lo avevo capito, ma per completezza già che c'ero ho messo anche gli altri :)!
Avatar utente
Foto UtenteLink900
15 3
New entry
New entry
 
Messaggi: 52
Iscritto il: 15 ago 2012, 11:32

1
voti

[39] Re: Risoluzione circuito regime transitorio

Messaggioda Foto UtenteLele_u_biddrazzu » 4 set 2012, 19:30

Lo schema, per essere completo, necessitava di un solo punto di connessione (quello in alto a destra)... gli altri, come già detto, sono inutili ;-)
Emanuele Lorina

- Chi lotta contro i mostri deve fare attenzione a non diventare lui stesso un mostro. E se tu riguarderai a lungo in un abisso, anche l'abisso vorrà guardare dentro di te (F. Nietzsche)
- Tavole della legge by admin
Avatar utente
Foto UtenteLele_u_biddrazzu
8.154 3 8 13
Master EY
Master EY
 
Messaggi: 1288
Iscritto il: 23 gen 2007, 16:13
Località: Modena

1
voti

[40] Re: Risoluzione circuito regime transitorio

Messaggioda Foto UtenteRenzoDF » 4 set 2012, 20:21

Link900 ha scritto:Purtroppo non ho soluzioni su cui controllare, come ti dicevo sto andando a memoria da stamattina, appena mette su il compito potrò controllare..

Non intendevo andare a controllare sulle soluzioni, intendevo che tu provassi a ricavare autonomamente quella vL ;-) ... se ti va di farlo ovviamente.

Edit ... tanto per vedere come "controllare", ecco l'opinione di SapWin

2012-09-04_205051.png
2012-09-04_205051.png (55.42 KiB) Osservato 1879 volte

che pur non ammettendo per il VCVS un nome che non cominci con E, vista l'uguaglianza dei resistori,
conferma la relazione per la vL.
"Il circuito ha sempre ragione" (Luigi Malesani)
Avatar utente
Foto UtenteRenzoDF
55,9k 8 12 13
G.Master EY
G.Master EY
 
Messaggi: 13189
Iscritto il: 4 ott 2008, 9:55

PrecedenteProssimo

Torna a Elettrotecnica generale

Chi c’è in linea

Visitano il forum: Nessuno e 14 ospiti